按圖中檢測電路所連接的耳機類型。圖中,2.2kΩ的電阻RMIC-BIAS連接到音頻控制器提供的低噪聲基準電壓(VMIC-REF)。當音頻插孔被插入附件時,VMIC-REF電壓通過RMIC-BIAS作用到插頭-地之間的等效電阻(圖中未標出)上,從而在MAX9063的同相輸入端產生電壓VDETECT。對于立體聲耳機,該電阻很小(8Ω、16Ω或32Ω);對于麥克風,電流源吸收的固定電流因麥克風類型的不同會在100μA至大約800μA間浮動,因而電阻值較大。由于VDETECT隨著插入插孔的耳機類型而變化,所以能夠通過一個比較器監測VDETECT,判斷出耳機類型。
如圖所示,假設微控制器的基準電壓(VMIC-REF)為3V,32Ω耳機負載將產生43mV的VDETECT電壓。而500μA固定電流的麥克風負載將產生1.9V的電壓。注意,大多數應用中,直接連接VDETECT會出現問題。假設典型的微控制器端口的CMOS輸入要求邏輯電平高于0.7 × VCC和低于0.3 × VCC,那么采用3.3V供電的微控制器的輸入邏輯電平應該高于2.3V、低于1V。
500μA麥克風負載產生的1.9V電平不是有效的邏輯“1”電平。100μA至800?A的麥克風偏置電流將產生2.78V至1.24V的 VDETECT,任何低于2.3V的電壓都不滿足控制器的VIH (輸入高電平,假設RBIAS為2.2kΩ)要求。為了得到2.3V或更高的電壓,麥克風偏置電流必須為318μA或更小。否則就必須改變2.2kΩ偏置電阻,從而改變麥克風的檢測門限。由于具有32Ω典型負載的耳機能夠輕松地將電平拉至地電位附近,所以產生1V甚至更低的邏輯低電平很容易實現。
為了檢測耳機類型,需要將VDETECT連接到比較器的一個輸入端,將基準電壓連接到另一個輸入。比較器輸出即代表了耳機類型。
這種便攜式耳機檢測應用的比較器應具有小尺寸,并且消耗很低的功率。圖中所示比較器尺寸只有1mm × 1mm,最大電源電流損耗僅為1μA。它對手機頻率具有很強的抗干擾能力,提供極高的可靠性。比較器還具有內部滯回和低輸入偏置電流等特性。這些特性使其成為對空間、功耗極為敏感的電池供電產品(例如:手機、便攜式媒體播放器和筆記本電腦)中耳機檢測電路的理想選擇。

本文地址:http://m.flswjt.cn/gongfangdianlu/y/15784910703598.shtml
本文標簽:
猜你感興趣:
耳機功放電路工作原理
當沒有耳機插頭接入插孔時,R1-R2分壓電阻使提供到HP-IN管腳(16腳)的電壓近似為50mV,驅動Amp1B和Amp2B處于工作狀態,使HWD2163工作于橋式模式。輸出耦合電容隔離半供給直
關鍵詞: 所屬欄目:電子基礎
自制耳機放大器
自制耳機放大器,耳放即為耳機放大器,在耳機系統中,音源與耳機之間加入一個耳機放大器的環節,可以改善音質、調整系統的音色走向,這已經在耳機發燒友中形成共識。特別是千元以上較為高檔的耳機,使用耳機放大器后音質改善是明
關鍵詞: 所屬欄目:音頻功放電路
基于OPA2134設計耳機放大電路
OPA2134雙列8腳封裝,寬帶為8MHz,轉換速率為20V/us,輸入失調電壓為±0.5mv,具有8nv(HZ平方根)的噪聲密度,0.00008%的失真系數和20V/us的上升速度。 OPA2134其引腳功能如下:1、A放大器輸出;2、A放大器
關鍵詞: 所屬欄目:音頻功放電路
新型實用耳放放大電路
本電路輸入為20V的交流電,經過整流二極管和濾波電容后輸出為直流電壓,再經過穩壓芯片LM7815輸出為穩定電壓15V供放大電路作電源使用。放大電路利用三極管的放大特性,將小信號放大,構成耳放放大電路。 :
關鍵詞:音頻放大器電路圖 所屬欄目:音頻功放電路
MAX4411\MAX9812耳機衰減器、放大器麥克風監測電路及
該電路用于配合耳塞使用,即使使用廉價、靈敏度較低的耳機,該電路也能提供優質的語音信號。電路采用MAX4411耳機放大器和MAX9812麥克風放大器實現。 耳塞式耳機能夠保持逼真的音質,在一定程度上可以消除背景
關鍵詞: 所屬欄目:音頻功放電路
采用NE5532加晶體管設計耳機放大器
耳機放大器簡稱耳放。在耳機系統中,音源與耳機之間加入一個耳機放大器的環節,可以改善音質、調整系統的音色走向,這已經在耳機發燒友中形成共識。特別是千元以上較為高檔的耳機,使用耳機放大器后音質改善是明
關鍵詞:音頻放大器電路圖 所屬欄目:音頻功放電路
基于NE5532制作9V便攜式耳機放大器電路原理圖
基于NE5532制作9V便攜式耳機放大器電路原理圖
NE5532是高性能低噪聲雙運算放大器(雙運放)集成電路。與很多標準運放相似,但它具有更好的噪聲性能,優良的輸出驅動能力及
關鍵詞:音頻放大器電路圖 所屬欄目:音頻功放電路
LM386N等元件設計間諜耳機電路
LM386是美國國家半導體公司生產的音頻功率放大器,主要應用于低電壓消費類產品。為使外圍元件最少,電壓增益內置為20。但在1腳和8腳之間增加一只外接電阻和電容,便可將電壓增益調為任意值,直至 200。輸入端以地位
關鍵詞:音頻放大器電路圖 所屬欄目:音頻功放電路
OPA2604耳機功放電路原理圖
在國外網站上用OP234 或OP2134(雙運放)來做耳機放大器比較流行,因為該運放在低電壓工作時的性能不錯,這樣可以方便用電池來供電。做成便攜式的耳機放大器。 :
關鍵詞:功放集成電路AV放大器電路 所屬欄目:音頻功放電路
采用NE5532制作LC-KING A(甲)類耳機放大電路
NE5532是高性能低噪聲運放,與很多標準運放(如1458)相似,它具有較好的噪聲性能,優良的輸出驅動能力及相當高的小信號與電源帶寬。 (1)小信號帶寬:10MHz;(2)輸出驅動能力:600Ω,10V;(3)輸入噪聲
關鍵詞:功放集成電路 所屬欄目:音頻功放電路
NE5532小功率耳機功放電路原理圖
NE5532是典型的雙極型輸入運算放大器,用單個NE5532組成的小功率電路有很多版本,本人通過不斷地對比和思考,對那些五花八門的電路圖作了修改,最終確定了原理圖如圖所示。放大倍數是由R3(R4)和R5(R6)來控制的,
關鍵詞: 所屬欄目:音頻功放電路
LM4811雙聲道耳機放大器電路原理圖
LM4811是雙聲道耳機放大器,采用5V電源供電,每個通道能夠輸出105mW連續平均功率,帶動16Ω負載,總諧波失真及噪聲(THD+N)僅為0.1%。LM4811不需要自舉電容和緩沖器,適于低功率的便攜式系統、蜂窩系統電話以及
關鍵詞: 所屬欄目:音頻功放電路
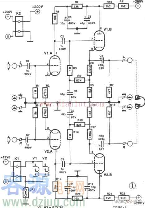
用雙三極管ECC822電子管設計的OTL耳機放大器電路
如圖所示電路,用雙三極管ECC82(相當于E802C、E82CC、與北美12AU7、國產6N10型)作為放大器。此類管子l有指標優良和使用壽命長的特點。前置放大器要產生足夠的信號幅度去驅動耳機。管腳1、2、3、的三極管部分放大
關鍵詞: 所屬欄目:音頻功放電路
LM4911的OCL輸出耳機放大電路原理圖
LM4911是立體聲耳機放大器采用3.3V電源供電,每個通道能夠輸出40mW連續平均功率帶動16Ω負載,或每個通道輸出25mW連續平均功率帶動32Ω負載。 LM4911可采用單端電容耦合輸出或OCL輸出的結構,有低功耗關斷模
關鍵詞: 所屬欄目:音頻功放電路
LM4921雙聲道耳機放大器電路原理圖
LM4921用于雙聲道耳機放大器電路由SPI接口總線J1輸入控制線信號:串行數據信號SPI-DATA,串行使能信號SPI-ENABLE,串行時鐘信號SPI-CLK。由I2S接口總線J2輸入全范圍的串行數字音頻信號:I2S數據信號I2S-DATA,I
關鍵詞: 所屬欄目:音頻功放電路
LM4916單聲道立體聲耳機放大電路原理圖
LM4916是具有兩個單聲道差動輸出音頻功率放大器(電橋或BTL負載)和單端(SE)立體聲耳機放大器,主要用于移動電話和其他便攜式音頻設備。LM4916采用1.5V電源供電,單聲道BTL模式能夠輸出85mW連續平均功率帶動8Ω負
關鍵詞: 所屬欄目:音頻功放電路
介紹電腦的麥克風電路及JFET-MOSFET耳機功放電路組成
通過PC聲卡通常具有麥克風輸入,揚聲器輸出,有時線路輸入和輸出。麥克風輸入阻抗設計,只有在動態麥克風200至600歐姆范圍。拉扎爾已適應聲卡使用一個共同的駐極體傳聲器使用該電路。他提出了一個復合放大器使用
關鍵詞: 所屬欄目:音頻功放電路
NE5532設計小功率電路和耳機放大器電路
NE5532是高性能低噪聲運放,與很多標準運放(如1458)相似,它具有較好的噪聲性能,優良的輸出驅動能力及相當高的小信號與電源帶寬。 (1)小信號帶寬:10MHz; (2)輸出驅動能力:600Ω,10V; (3)
關鍵詞: 所屬欄目:音頻功放電路
LM491應用于單聲道耳機放大電路
LM4915是偽差動音頻功率放大器,主要用于要求很高的單聲道耳機,LM4915含有一個內部熱關斷保護機構,包含了改進型“喀-撲”聲消除電路,其內部固定增益設置為6dB。它采用3V電源供電,能夠輸出90mW連續平均功率,
關鍵詞:功放集成電路 所屬欄目:音頻功放電路
基于耳機放大器電路的簡單介紹
耳機放大器簡稱耳放。在耳機系統中,音源與耳機之間加入一個耳機放大器的環節,可以改善音質、調整系統的音色走向,這已經在耳機發燒友中形成共識。特別是千元以上較為高檔的耳機,使用耳機放大器后音質改善是明
關鍵詞:音頻放大器電路圖 所屬欄目:音頻功放電路