TDA2030是音頻功放電路,采用V型5 腳單列直插式塑料封裝結構。如圖1所示,按引腳的形狀引可分為H型和V型。該集成電路廣泛應用于汽車立體聲收錄音機、中功率音響設備,具有體積小、輸出功率大、失真小等特點。并具有內部保護電路。
應用TDA2030注意事項:
1.TDA2030具有負載泄放電壓反沖保護電路,如果電源電壓峰值電壓40V的話,那么在5腳與電源之間必須插入LC濾波器,以保證5腳上的脈沖串維持在規定的幅度內。
2.熱保護:限熱保護有以下優點,能夠容易承受輸出的過載(甚至是長時間的),或者環境溫度超過時均起保護作用。
3.與普通電路相比較,散熱片可以有更小的安全系數。萬一結溫超過時,也不會對器件有所損害,如果發生這種情況,Po=(當然還有Ptot)和Io就被減少。
4.印刷電路板設計時必須較好的考慮地線與輸出的去耦,因為這些線路有大的電流通過。
5.裝配時散熱片與之間不需要絕緣,引線長度應盡可能短,焊接溫度不得超過260℃,12秒。
6.雖然TDA2030所需的元件很少,但所選的元件必須是品質有保障的元件。

本文地址:http://m.flswjt.cn/gongfangdianlu/y/tda2030-1019.shtml
本文標簽:
猜你感興趣:
耳機功放電路工作原理
當沒有耳機插頭接入插孔時,R1-R2分壓電阻使提供到HP-IN管腳(16腳)的電壓近似為50mV,驅動Amp1B和Amp2B處于工作狀態,使HWD2163工作于橋式模式。輸出耦合電容隔離半供給直
關鍵詞: 所屬欄目:電子基礎
lm380集成功放電路圖
lm380集成功放電路圖:有了這個簡單的電路圖,你可以使用立體聲來驅動一個8Ω的揚聲器。
關鍵詞:功放集成電路音響電路圖音頻放大器電路圖 所屬欄目:音頻功放電路
簡易的20W單端純甲類功放電路圖
簡易的20W單端純甲類功放電路圖 如圖為簡易的20W單端純甲類功放電路圖。核心電路是由兩只BC559組成的差分放大電路,22K對地電阻為三極管的偏置電阻,它的大小同時決定了整個功放的輸入電阻。8.2K電阻是差分對管的
關鍵詞: 所屬欄目:音頻功放電路
最簡單2030功放電路圖
最簡單2030功放電路圖,TDA2030A是德律風根生產的音頻功放電路,采用V型5 腳單列直插式塑料封裝結構.如圖1所示,按引腳的形狀引可分為H型和V型.該集成電路廣泛應用于汽車立體聲收錄音機、中功率音響設備,具有體積小、輸出功率大、失真小
關鍵詞: 所屬欄目:音頻功放電路
簡單TDA1521制作實用微型功放電路
TDA1521制作實用微型功放 本功放元件少、制作簡單、音質好,非常適合裝入有源音箱內.效果理想,成本也低,該功放IC選用TDA1521,當電源電壓為±16V時,輸出功率為12W×2,此時失真度僅為0.5%,并具有開/關機靜噪功能.本電
關鍵詞: 所屬欄目:音頻功放電路
簡單TDA2030音頻功率放大電路
TDA2030是德律風根生產的音頻功放電路,采用V型5 腳單列直插式塑料封裝結構。如圖1所示,按引腳的形狀引可分為H型和V型。該集成電路廣泛應用于汽車立體聲收錄音機、中功率音響設備,具有體積小、輸出功率大、失
關鍵詞: 所屬欄目:音頻功放電路
基于TDA2030/TDA2030A組成的BTL中低音功放電路
TDA2030A是德律風根生產的音頻功放電路,采用V型5 腳單列直插式塑料封裝結構.如圖1所示,按引腳的形狀引可分為H型和V型.該集成電路廣泛應用于汽車立體聲收錄音機、中功率音響設備,具有體積小、輸出功率大、失真小
關鍵詞: 所屬欄目:音頻功放電路
由三極管與LM386組成功放電路制作語音放大電路
LM386是美國國家半導體公司生產的音頻功率放大器,主要應用于低電壓消費類產品.為使外圍元件最少,電壓增益內置為20.但在1腳和8腳之間增加一只外接電阻和電容,便可將電壓增益調為任意值,直至 200.輸入端以地位參考
關鍵詞:功放集成電路音響電路圖音頻放大器電路圖 所屬欄目:音頻功放電路
功放TDA2007電路圖
功放TDA2007電路圖.TDA2007特點: (2)賽馬數據值表示是從符合MIL - STD - 1835B得到了各國的基準值顯示的是最壞的情況下(平均+2 s)為1 60 60密耳微電路器件與硅芯片和芯片尺寸的設備適用至14,400平方密耳。對于設備死亡人數
關鍵詞:功放集成電路音響電路圖 所屬欄目:音頻功放電路
基于兩個單功放的BTL功放電路
BTL(Bridge-Tied-load)意為橋接式負載。負載的兩端分別接在兩個放大器的輸出端。其中一個放大器的輸出是另外一個放大器的鏡像輸出,也就是說加在負載兩端的信號僅在相位上相差180°。負載上將得到原來單端輸出的
關鍵詞:音響電路圖 所屬欄目:音頻功放電路
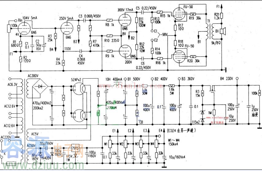
6P3P單端A類電子管功放電路圖
6P3P單端A類電子管功放電路圖 如圖為6P3P單端A類電子管功放電路圖。VT1、VT2直流通路串聯。VT1構成普通的三極管共陰放大器,VTr2構成陰極輸出器,對VT1而言VT2是一個帶電流負反饋的高阻負載。音頻信號由6N3(3)腳
關鍵詞: 所屬欄目:音頻功放電路
麥景圖MC-275電子管功放電路圖
麥景圖MC-275電子管功放電路圖 如圖為麥景圖MC-275電子管功放電路圖。麥景圖275功放級的功放電子管采用KT88或6550來擔任,每個聲道輸出可達60W,非線性失真不大于1%,頻率響應從20Hz~30KHz,為±0.5dB。 :
關鍵詞: 所屬欄目:音頻功放電路
基于LA4185的功放電路
基于LA4185的功放電路如圖。 功率放大器,簡稱“功放”。很多情況下主機的額定輸出功率不能勝任帶動整個音響系統的任務,這時就要在主機和播放設備之間加裝功率放大器來補充所需的功率缺口,而功率放大器在整
關鍵詞: 所屬欄目:音頻功放電路
基于LA4446的功放電路
基于LA4446的功放電路如圖。 功率放大器,簡稱“功放”。很多情況下主機的額定輸出功率不能勝任帶動整個音響系統的任務,這時就要在主機和播放設備之間加裝功率放大器來補充所需的功率缺口,而功率放大器在整
關鍵詞:功放集成電路 所屬欄目:音頻功放電路
LA3225T/LA3226T構成的功放電路
功放的作用就是把來自音源或前級放大器的弱信號放大,推動音箱放聲。一套良好的音響系統功放的作用功不可沒。 功放,可以說是各類音響器材中最大的一個家族了,其作用主要是將音源器材輸入的較微弱信號進行放
關鍵詞: 所屬欄目:音頻功放電路
電子管Dynaco ST70功放電路的基本電路
電子管,是一種在氣密性封閉容器(一般為玻璃管)中產生電流傳導,利用電場對真空中的電子流的作用以獲得信號放大或振蕩的電子器件。早期應用于電視機、收音機擴音機等電子產品中,近年來逐漸被晶體管和集成電路
關鍵詞: 所屬欄目:音頻功放電路
電子管功放電路
電子管,是一種在氣密性封閉容器(一般為玻璃管)中產生電流傳導,利用電場對真空中的電子流的作用以獲得信號放大或振蕩的電子器件。早期應用于電視機、收音機擴音機等電子產品中,近年來逐漸被晶體管和集成電路
關鍵詞: 所屬欄目:音頻功放電路
合并式單端A類電子管功放電路設計
如圖所示為合并式單端A類電子管功放電路圖,本電路輸出功率:8W×2輸出阻抗:4Ω、8Ω輸入靈敏度:l.4V失真系數:2%頻率響應:25Hz-20kHz-3dB。電源功耗:120W。 :
關鍵詞: 所屬欄目:音頻功放電路
圖解LA4182構成的功放電路
目前流行的功率放大器除采用集成電路功放外幾乎都是用分立元件構成的OCL電路。基本電路由差動輸入級、電壓放大級、電流放大級(推動級)、功率輸出級和保護電路組成。 :
關鍵詞: 所屬欄目:音頻功放電路
基于CD4066四雙向模擬開關設計音頻功放電路
CD4066是四雙向模擬開關,主要用作模擬或數字信號的多路傳輸。引出端排列與CC4016一致,但具有比較低的導通阻抗。另外,導通阻抗在整個輸入信號范圍內基本不變。CD4066由四個相互獨立的雙向開關組成,每個開關有
關鍵詞: 所屬欄目:音頻功放電路