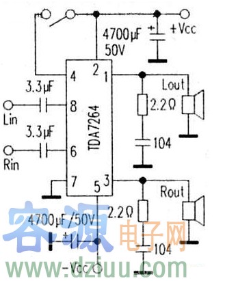
TDA7264功放應用電路圖
 TDA7264是SGS-THOMSON公司在前兩年推出的一款優質、接線極其簡單的高保真功放集成電路。該電路具有完善的過流,過壓保護,且只有8個腳,比TDA1521A使用更方便、功率更大,而且適用的電壓更寬。

本文地址:http://m.flswjt.cn/gongfangdianlu/y/15444944712728.shtml
本文標簽:
猜你感興趣:
 YXC有源晶振為功放音響提供時鐘方案
					
					YXC有源晶振為功放音響提供時鐘方案
					
						在功放音響設備中,晶振作為關鍵的元件,對于電路的穩定性和性能發揮起著至關重要的作用。然而,不正確使用晶振可能導致一系列問題,如播放雜音等,因此對其進行優化十分重要。
關鍵詞:   所屬欄目:電子基礎
					
 鋰電池、鉛酸電池供電的戶外藍牙音箱如何選擇合適的升
					
					鋰電池、鉛酸電池供電的戶外藍牙音箱如何選擇合適的升
					
						深圳市永阜康科技有限公司一直致力音頻領域芯片的推廣,總結市場應用痛點,現推薦一套升壓+功放IC搭配應用組合,涵蓋20-60W單雙聲道的應用。升壓芯片、功放芯片系列管腳兼容,實現同一PCB,不同功率要求無縫切換,避免重復開發工作,縮短項目周期。
關鍵詞:   所屬欄目:音頻功放電路
					
 IU8689+IU5706 單聲道100W/立體聲60W同步升壓+功放IC大
					
					IU8689+IU5706 單聲道100W/立體聲60W同步升壓+功放IC大
					
						深圳市永阜康科技有限公司推出基于IU8689+IU5706、單聲道100W/立體聲2x60W同步升壓+功放IC大功率拉桿音箱應用組合方案,升壓效率高達96%。在提供更大功率輸出的前提下,整套方案組合極具性價比。
關鍵詞:   所屬欄目:車載功放電路
					
 ACM3108/ACM3128/ACM3129立體聲D類功放芯片系列動態調
					
					ACM3108/ACM3128/ACM3129立體聲D類功放芯片系列動態調
					
						深圳市永阜康科技有限公司現在大力推廣具備動態調整升壓CLASS H功能的D類功放芯片系列-ACM31XX系列,功率覆蓋單聲道10W-100W、雙聲道2*10W-2*50W,供電滿足1-5串鋰電池及鉛酸電池的應用,能夠保證足夠功率輸出及音質體驗的前提下,極大延長電池的續航時間。
關鍵詞:   所屬欄目:音頻功放電路
					
 CS8685 雙聲道2x80W大功率D類音頻功放IC解決方案
					
					CS8685 雙聲道2x80W大功率D類音頻功放IC解決方案
					
						日前,深圳市永阜康科技有限公司大力推廣一顆2x80W雙聲道大功率D類音頻功放IC-CS8685H,采用獨有的EQB-32(頂部散熱焊盤外接散熱器)封裝,強勁的驅動能力能夠保證大功率輸出,在26V電源電壓驅動2個4歐揚聲器、無需任何功率或電流限制、實現大功率高效率的音頻輸出。充分滿足條形音箱、后裝汽車音頻解決方案、大功率藍牙音箱的使用需求.
關鍵詞:   所屬欄目:音頻功放電路
					
 12V升30V大功率2x100W雙聲道D類音頻功放升壓組合解決方
					
					12V升30V大功率2x100W雙聲道D類音頻功放升壓組合解決方
					
						隨著技術進步及競爭加劇,市場對功率及音質的要求也越來越高,深圳市永阜康科技有限公司推出基于CS8683+FP5207、12V升30V大功率2x100W雙聲道D類音頻功放升壓組合解決方案,為音頻愛好者提供極致的音質體驗。
關鍵詞:   所屬欄目:車載功放電路
					
 Ziitek導熱硅膠片解決5G通信射頻功放模塊散熱
					
					Ziitek導熱硅膠片解決5G通信射頻功放模塊散熱
					
						5G通信射頻放大器通常放置于密閉的密封外殼中,電子元器件不與外界空氣直接接觸。常用的散熱方式是在放大器外殼上安裝散熱器,為保證效率高的散熱,要通過導熱材料來傳遞熱量,可以選擇導熱硅膠片來確保射頻功放模塊的正常運行工作。
關鍵詞:   所屬欄目:其他文章
					
 HT8513 單節鋰電供電內置動態同步升壓5W單聲道音頻功放
					
					HT8513 單節鋰電供電內置動態同步升壓5W單聲道音頻功放
					
						深圳市永阜康科技有限公司針對便攜式藍牙音箱以及4寸、6寸手提戶外音箱的應用需求,推廣一款單節鋰電池供電內置動態同步升壓5W單聲道音頻功放IC-HT8513。HT8513相比同類競品有三大優勢:一是采用高效率的同步升壓,相比非同步效率提高5%,并且外圍不需要肖特基二極管,外圍升壓采用小電感,PCB面積也更小,整機成本更低;二是動態升壓,芯片內部自動檢測輸入音頻信號大小,小信號不升壓,大信號自動升壓,極大延長鋰電池的續航時間(尤其是中小音量播放時測試,相對恒定升壓音頻功放播放時間延長15%以上);三是相比電荷
關鍵詞:   所屬欄目:音頻功放電路
					
 HT8731 單節鋰電3.7V內置自適應動態升壓15W單聲道F類音
					
					HT8731 單節鋰電3.7V內置自適應動態升壓15W單聲道F類音
					
						深圳市永阜康科技有限公司最新推廣的內置自適應動態升壓15W單聲道F類功放IC-HT8731,該芯片音質表現高音通透、低音震撼、人聲甜美,能完美實現3.7V單節鋰電供電音箱產品的性能升級迭代。
關鍵詞:   所屬欄目:音頻功放電路
					
 CS83702 單節鋰電3.7V內置升壓18W/2歐單聲道音頻功放I
					
					CS83702 單節鋰電3.7V內置升壓18W/2歐單聲道音頻功放I
					
						深圳市永阜康科技有限公司順應拉桿音箱以及藍牙小音箱市場音質功率升級的需求,推廣一款單節鋰電3.7V供電內置升壓單聲道音頻功放IC-CS83702。CS83702單節鋰電供電內置升壓至8.7V,驅動2歐姆負載時,能連續輸出18W功率,整體效率實測80%以上,輸入電流小于6A,其電流限制功能可調節BOOST電感的峰值電流大小,從而適配不同的鋰電池規格以及其他外圍配置。該芯片高音清脆、低音有力、人聲清晰、能明顯提升3.7V單節鋰電供電音箱產品的音質體驗。
關鍵詞:   所屬欄目:音頻功放電路
					
 HT566 2x20W立體聲I2S數字輸入無電感閉環D類音頻功放I
					
					HT566 2x20W立體聲I2S數字輸入無電感閉環D類音頻功放I
					
						深圳市永阜康科技有限公司現在推廣一顆I2S數字輸入20W立體聲無電感閉環D類音頻功放芯片HT566,適合應用于藍牙音箱、WiFi音箱、智能音箱、公交車語音播報系統等領域。
關鍵詞:   所屬欄目:音頻功放電路
					
 耳機功放電路工作原理
					
					耳機功放電路工作原理
					
						當沒有耳機插頭接入插孔時,R1-R2分壓電阻使提供到HP-IN管腳(16腳)的電壓近似為50mV,驅動Amp1B和Amp2B處于工作狀態,使HWD2163工作于橋式模式。輸出耦合電容隔離半供給直
關鍵詞:   所屬欄目:電子基礎
					
 lm380集成功放電路圖
					
					lm380集成功放電路圖
					
						 lm380集成功放電路圖:有了這個簡單的電路圖,你可以使用立體聲來驅動一個8Ω的揚聲器。
關鍵詞:功放集成電路音響電路圖音頻放大器電路圖   所屬欄目:音頻功放電路
					
 簡易的20W單端純甲類功放電路圖
					
					簡易的20W單端純甲類功放電路圖
					
						 簡易的20W單端純甲類功放電路圖  如圖為簡易的20W單端純甲類功放電路圖。核心電路是由兩只BC559組成的差分放大電路,22K對地電阻為三極管的偏置電阻,它的大小同時決定了整個功放的輸入電阻。8.2K電阻是差分對管的
關鍵詞:   所屬欄目:音頻功放電路
					
 簡單平衡的功放制作
					
					簡單平衡的功放制作
					
						   功放電路的制作在刊物上介紹得較多,有膽有石,有單端有推挽,有復雜有簡單,但對于普遍被世界各大廠家應用在數萬元以上的高端功放中的平衡式放大器卻介紹得極少,即使偶然見到關于平衡功率放大器的制作介紹,也
關鍵詞:   所屬欄目:音頻功放電路
					
 LF353的應用電路圖之D類低音功放
					
					LF353的應用電路圖之D類低音功放
					
						   LF353的應用電路圖:甲類功放(A類功放)輸出級中兩個(或兩組)晶體管永遠處于導電狀態,也就是說不管有無訊號輸入它們都保持傳導電流,并使這兩個電流等于交流電的峰值,這時交流在最大訊號情況下流入負載.當無訊號時,兩個晶體管各流通等
關鍵詞:重低音電路圖音頻放大器電路圖   所屬欄目:音頻功放電路
					
 tda7293發燒功放圖紙
					
					tda7293發燒功放圖紙
					
						   tda7293發燒功放圖紙:TDA7293是ST(SGS-THOMSON)公司出品的一款大功率高電壓DMOS高保真功放IC,額定輸出功率為100W,最大工作電壓為120V。它是一個整體集成電路Multiwatt15封裝,作為音像類AB,放大器在高保真領域應用非常高工作電壓
關鍵詞:音響電路圖音頻放大器電路圖AV放大器電路   所屬欄目:音頻功放電路
					
 無輸出變壓器電路制作OCL立體聲功放
					
					無輸出變壓器電路制作OCL立體聲功放
					
						   省去輸出變壓器的功率放大電路通常稱為OTL電路.其中,OTL為OutputTransformerLess的縮寫.OTL電路為單端推挽式無輸出變壓器功率放大電路.通常采用電源供電,從兩組串聯的輸出中點通過電容耦合輸出信號.OTL電路是一
關鍵詞:   所屬欄目:音頻功放電路
					
 最簡單2030功放電路圖
					
					最簡單2030功放電路圖
					
						   最簡單2030功放電路圖,TDA2030A是德律風根生產的音頻功放電路,采用V型5 腳單列直插式塑料封裝結構.如圖1所示,按引腳的形狀引可分為H型和V型.該集成電路廣泛應用于汽車立體聲收錄音機、中功率音響設備,具有體積小、輸出功率大、失真小
關鍵詞:   所屬欄目:音頻功放電路
					
 簡單TDA1521制作實用微型功放電路
					
					簡單TDA1521制作實用微型功放電路
					
						 TDA1521制作實用微型功放  本功放元件少、制作簡單、音質好,非常適合裝入有源音箱內.效果理想,成本也低,該功放IC選用TDA1521,當電源電壓為±16V時,輸出功率為12W×2,此時失真度僅為0.5%,并具有開/關機靜噪功能.本電
關鍵詞:   所屬欄目:音頻功放電路