三相交流固態繼電器是集三只單相交流固態繼電器為一體,以單一輸入端對三相負載進行直接開關切換,并可以用幾毫安的微小信號來控制大功率負載的起動與切斷的開關器件。經驗證,它能可靠、安全、方便地控制三相交流電機、加熱器等三相負載,并使PLC的外部接線變得簡單。在現代電氣自動化應用廣泛,比機械式交流接觸器優點多,是以后電氣控制中的主要是器件,配合PLC可以實現簡單高效控制電路。
容-源-電-子-網-為你提供技術支持本文地址:http://m.flswjt.cn/dz/26/15770879783579.shtml
本文標簽:
猜你感興趣:
 ACM6753 無霍爾傳感器三相正弦波直流無刷電機BLDC馬達
					
					ACM6753 無霍爾傳感器三相正弦波直流無刷電機BLDC馬達
					
						深圳市永阜康科技有限公司現在大力推廣一顆三相無傳感器正弦波驅動直流無刷馬達驅動IC-ACM6753,集成驅動算法+預驅+MOS,內置電流檢測,外圍元件僅需5個電容,應用極其簡單。
關鍵詞:   所屬欄目:其他文章
					
 A4931的替代芯片---BLDC三相無刷預驅動--GC4931
					
					A4931的替代芯片---BLDC三相無刷預驅動--GC4931
					
						GC4931F/S 是一款三相無刷直流電機預驅動芯片。 芯片可以驅動N型功率MOSFET,最高電源到 36V。芯片狀態切換邏輯受三個相位差為 120°的霍爾輸入確定。兼容替代A4931,MS4931芯片集成固定衰減時間的脈沖調制來控制電流并且抑制勵磁涌流;堵轉保護時間可調;過溫保護,過壓監測,同步整流等等。其中內置的同步整流器通過在衰減周期內,打開合適的低內阻的開關管以取代反向續流二極管來降低功耗。當芯片監測到過壓時芯片會關斷同步整流以減小變化電流引起的電源電壓波動。
GC4931F/S 的邏輯輸入腳有
關鍵詞:   所屬欄目:集成塊資料
					
 A4931的替代芯片---BLDC三相無刷預驅動--GC4931
					
					A4931的替代芯片---BLDC三相無刷預驅動--GC4931
					
						GC4931F/S 是一款三相無刷直流電機預驅動芯片。 芯片可以驅動N型功率MOSFET,最高電源到 36V。芯片狀態切換邏輯受三個相位差為 120°的霍爾輸入確定。兼容替代A4931,MS4931芯片集成固定衰減時間的脈沖調制來控制電流并且抑制勵磁涌流;堵轉保護時間可調;過溫保護,過壓監測,同步整流等等。其中內置的同步整流器通過在衰減周期內,打開合適的低內阻的開關管以取代反向續流二極管來降低功耗。當芯片監測到過壓時芯片會關斷同步整流以減小變化電流引起的電源電壓波動。
GC4931F/S 的邏輯輸入腳有
關鍵詞:   所屬欄目:集成塊資料
					
 時控開關能不能控制三相電機?
					
					時控開關能不能控制三相電機?
					
						時控開關可以控制三相電機。時控開關控制三相電機需要連接一個380V交流接觸器,用時控開關控制交流接觸器,交流接觸器控制三相電機達到定時開關的效果。
關鍵詞:電機控制   所屬欄目:開關電源電路圖
					
 定時開關控制三相電機怎么接線?
					
					定時開關控制三相電機怎么接線?
					
						想要定時開關控制三相電機,必須連接交流接觸器,定時開關是無法直接控制三相電機的,今天咱們講解定時開關控制三相電機的接線步驟。
關鍵詞:   所屬欄目:開關電源電路圖
					
 IR2110三相橋式電機驅動電路
					
					IR2110三相橋式電機驅動電路
					
						  IR2110采用HVIC和閂鎖抗干擾CMOS制造工藝,DIP14腳封裝。具有獨立的低端和高端輸入通道;懸浮電源采用自舉電路,其高端工作電壓可達500V,dv/dt=±50V/ns,15V下
關鍵詞:   所屬欄目:其他文章
					
 簡單型:三相交流相位簡單檢測電路(相序檢測)
					
					簡單型:三相交流相位簡單檢測電路(相序檢測)
					
						電路(相序檢測)檢測簡單型:三相交流相位簡單 
磷(P)的化合物制成的二極管,當電子與空穴復合時能輻射出可見光,因而可以用來制成發光二極管。在電路及儀器中作為指
關鍵詞:   所屬欄目:電源電路
					
 昆侖通態觸摸屏無線采集4-20mA模擬量信號有效距離5KM
					
					昆侖通態觸摸屏無線采集4-20mA模擬量信號有效距離5KM
					
						本方案是昆侖通態觸摸屏與4臺DTD433FC無線模擬量信號測試終端進行無線 Modbus 通信的實現方法。本方案中昆侖通態觸摸屏作為主站顯示各從站的模擬量信號,傳感器、DCS、PLC、
關鍵詞:   所屬欄目:元器件知識
					
 電機正反轉控制電路圖及實物接線圖
					
					電機正反轉控制電路圖及實物接線圖
					
						電機正反轉控制電路圖及實物接線圖;;;要實現電機正反轉控制就得改變電動機的其中兩相,也就是換相,如下圖中,從主電路圖中可以看出,是更換了A與B相的順序來實現電機正反轉控制的。;;在介紹工作原理前,先給大家介紹一些專業詞語。
關鍵詞:電機控制   所屬欄目:其他文章
					
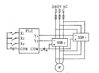
 三相交流固態繼電器(接觸器)接線圖
					
					三相交流固態繼電器(接觸器)接線圖
					
						三相交流固態繼電器是集三只單相交流固態繼電器為一體,以單一輸入端對三相負載進行直接開關切換,并可以用幾毫安的微小信號來控制大功率負載的起動與切斷的開關器件。三相交流固態繼電器以三只可控硅作為A、B、C三相的輸出開關觸點,有不同電流、電壓等級,能夠可靠、安全、方便地控制三相交流電機、加熱器等三相負載。
關鍵詞:電機控制   所屬欄目:元器件知識
					
 三相異步電動機正反轉控制電路圖
					
					三相異步電動機正反轉控制電路圖
					
						三相異步電動機正反轉控制電路如圖7.50所示。在主電路兩個接觸器KM1和KM2的主觸頭的連線中,L1相和L3相的主觸頭互相反接。電動機正轉時,由接觸器KM1控制,通入電動機定子繞
關鍵詞:   所屬欄目:其他文章
					
 應用PLC和變頻器結合實現變頻恒壓供水系統
					
					應用PLC和變頻器結合實現變頻恒壓供水系統
					
						應用PLC和變頻器結合實現變頻恒壓供水系統1簡介
隨著變頻調速技術和可編程控制器的快速發展,其應用廣泛,功能強大,使用方便,已成為現代工業自動化的主要設備之一,廣泛
關鍵詞:變頻器電機控制   所屬欄目:其他文章
					
 三相交流電動機接線圖
					
					三相交流電動機接線圖
					
						
關鍵詞:   所屬欄目:其他文章
					
 PLC輸入端有信號干擾解決方案(圖文)
					
					PLC輸入端有信號干擾解決方案(圖文)
					
						PLC輸入端有信號干擾解決方案 控制系統作為工業系統中重要組成部分,運行模式與工業化系統作用效果之間存在緊密的聯系。在 PLC 控制系統應用過程中很有可能會受到外在因素
關鍵詞:   所屬欄目:設計編程
					
 三相電機經典的12例接線方法總結
					
					三相電機經典的12例接線方法總結
					
						一、電動機接線一般常用三相交流電動機接線架上都引出6個接線柱,當電動機銘牌上標為Y形接法時,D6、D4、D5相連接,D1~D3接電源;為△形接法時,D6與D1連接,D4與D2連接,D
關鍵詞:電機控制   所屬欄目:電子基礎
					
 淺談PLC與PLD什么區別
					
					淺談PLC與PLD什么區別
					
						PLC與PLD什么區別
PLC與PLD對于大多數控制行業的朋友們與單片機愛好者,都不是陌生的名詞。可是您了解它們的“一字之差”嗎?如果您對此感興趣,就請看看小編
關鍵詞:   所屬欄目:設計編程
					
 霍爾接近開關用于數控機床PLC的電路
					
					霍爾接近開關用于數控機床PLC的電路
					
						                            此電路還可用于數控機床可編程控制器(PLC)上,其精度可達0.02mm,還可用于高速沖床、復雜紋進模具的送切料、行程控制等方面。  :
關鍵詞:   所屬欄目:傳感器技術
					
 三相交流電供電的大型電孵器電路
					
					三相交流電供電的大型電孵器電路
					
						                          今天為大家介紹的是一款采用三相交流電供電的大型電孵器的電路。主要電路圖如下所示,三端穩壓器7809輸出端接三只繼電器,用來控制三相電源中3只VS電熱絲功率不小于10KW.塑封的7809需加
關鍵詞:   所屬欄目:電路圖
					
 三相固態繼電器的分類
					
					三相固態繼電器的分類
					
						無
關鍵詞:   所屬欄目:電子基礎
					
 介紹三相異步電動機的變極調速原理
					
					介紹三相異步電動機的變極調速原理
					
						無
關鍵詞:   所屬欄目:其他文章