



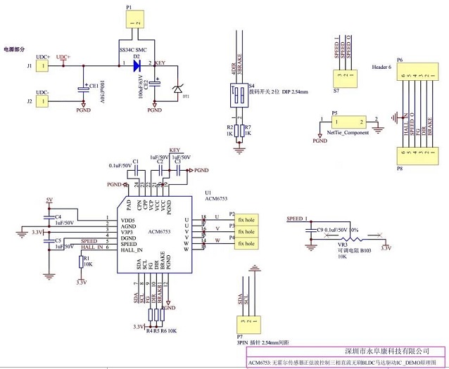
非常感謝用戶yongfukang 的投稿!
本文地址:http://m.flswjt.cn/dz/26/16735159394737.shtml
本文標簽:
猜你感興趣:
ACM6252 單相正弦波/方波(BLDC)直流無刷電機驅動IC
深圳市永阜康科技有限公司現在大力推廣一顆單相正弦波/方波直流無刷電機驅動IC-ACM6252. 工作電壓3.1V-18V、工作電流1.2A, 可覆蓋大多數中小功率(<1A)的風機、泵機類應用。
關鍵詞: 所屬欄目:其他文章
A4931的替代芯片---BLDC三相無刷預驅動--GC4931
GC4931F/S 是一款三相無刷直流電機預驅動芯片。 芯片可以驅動N型功率MOSFET,最高電源到 36V。芯片狀態(tài)切換邏輯受三個相位差為 120°的霍爾輸入確定。兼容替代A4931,MS4931芯片集成固定衰減時間的脈沖調制來控制電流并且抑制勵磁涌流;堵轉保護時間可調;過溫保護,過壓監(jiān)測,同步整流等等。其中內置的同步整流器通過在衰減周期內,打開合適的低內阻的開關管以取代反向續(xù)流二極管來降低功耗。當芯片監(jiān)測到過壓時芯片會關斷同步整流以減小變化電流引起的電源電壓波動。
GC4931F/S 的邏輯輸入腳有
關鍵詞: 所屬欄目:集成塊資料
A4931的替代芯片---BLDC三相無刷預驅動--GC4931
GC4931F/S 是一款三相無刷直流電機預驅動芯片。 芯片可以驅動N型功率MOSFET,最高電源到 36V。芯片狀態(tài)切換邏輯受三個相位差為 120°的霍爾輸入確定。兼容替代A4931,MS4931芯片集成固定衰減時間的脈沖調制來控制電流并且抑制勵磁涌流;堵轉保護時間可調;過溫保護,過壓監(jiān)測,同步整流等等。其中內置的同步整流器通過在衰減周期內,打開合適的低內阻的開關管以取代反向續(xù)流二極管來降低功耗。當芯片監(jiān)測到過壓時芯片會關斷同步整流以減小變化電流引起的電源電壓波動。
GC4931F/S 的邏輯輸入腳有
關鍵詞: 所屬欄目:集成塊資料
LBl690-高性能直流無刷電機控制集成電路圖
LBl690是日本三洋公司生產的三相無刷直流電機驅動控制集成電路,廣泛應用于國產和進口"換新風"、"清新空調"直流無刷換氣風機的驅動控制。 1·功能特點 LBl690集成電路具有過電流限制、熱關斷電路、HALL磁
關鍵詞: 所屬欄目:音頻功放電路
無刷直流(BLDC)電機控制解決方案
無刷直流(BLDC)電機正迅速成為要求高可靠性,高效率和高功率體積比的應用的自然選擇。這些電機在很寬的速度范圍內提供大量的扭矩,并且與有刷電機具有相似的扭矩和速度性
關鍵詞:電機控制 所屬欄目:設計編程
BLDC電機控制中的角度傳感器
在終端市場上,利用無刷直流電機(或簡稱為BLDC)技術取代交流電機或高效率的機械泵已經取得了重大進展。相對于交流電機,使用BLDC的優(yōu)點包括:更高的功效和熱效率、體積較
關鍵詞:電機控制 所屬欄目:設計編程
LBl690-高性能直流無刷電機控制集成電路圖
LBl690是日本三洋公司生產的三相無刷直流電機驅動控制集成電路,廣泛應用于國產和進口"換新風"、"清新空調"直流無刷換氣風機的驅動控制。 1·功能特點 LBl690集成電路具有過電流限制、熱關斷電路、HALL磁
關鍵詞:電機控制 所屬欄目:設計編程