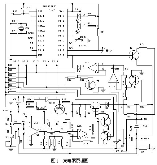
自制多功能充電器
     介紹一種性價比高的可對鎳鎘、鎳氫及鋰離子電池充電的多功能充電器。充電器采用單片機GMS97C2051作編程控制器,其內部的比較器用作電池最高溫度檢測,用1片LM324和1支TL431以及若干分立元件構成恒壓—恒流電路、電壓檢測電路、基準電壓源(兼作單片機電源)電路。
1 電路組成
   多功能充電器由基準電壓源、恒壓—恒流電路、電壓檢測電路、電池最高溫度檢測電路及放電電路等部分組成,電原理圖如圖1 。
。

1.1 基準電壓源
    電池電壓檢測基準,
電池電壓檢測基準, 作單片機電源。電路由TL431、T3、R18、R19、R20、C5組成。由電路可知,當R19=R20時,三極管T3的射極電壓等于TL431內部基準電壓(UR=2.5V)的兩倍,即2UR=5V。
作單片機電源。電路由TL431、T3、R18、R19、R20、C5組成。由電路可知,當R19=R20時,三極管T3的射極電壓等于TL431內部基準電壓(UR=2.5V)的兩倍,即2UR=5V。
1.2 恒壓—恒流電路
   這是典型的雙環反饋控制電路,圖中U1A為電壓控制的運放,U1B為電流控制的運放。由電路可知,電壓控制的輸出電壓UO控制著電流控制的電流設定值, 電壓控制先于電流控制,
電壓控制先于電流控制, 電流控制電路是恒壓控制的組成部分。下面分別介紹工作原理 。
電流控制電路是恒壓控制的組成部分。下面分別介紹工作原理 。
   恒壓控制電路由運放U1A、電阻R1~R10、電位器W1、電容C1、二極管D1以及開關SW等組成。其作用是鋰離子電池充電時,控制電池電壓不超過設定值。恒壓設定值US由R1、R2和W1對基準電壓5V分壓確定,當SW聯接電池的正極后,反饋電壓UC由R8、R9對Ub+分壓引入,加上R6、R7、C1形成PI調節電路。由電路可知,設誤差電壓E=Ua-UC,那么有U1=Ua + E·(P + I·∫dt),式中比例系數P=R6/R7,常數I=1/ (R7·C1)。當反饋電壓UC較小即E>0時,U1會不斷增大直到消除誤差(E=0),否則U1會達到最大值,但 D1的鉗位作用使UO=5.6V,從而使電流控制電路的設定電壓Ud=UO·R12/(R11+ R12)不變,相應地電池以恒流方式充電。反之,當反饋電壓UC較大即E<0時,U1會不斷減小直到消除誤差(E=0),否則U1會達到最小值U1=0,從而使電流控制電路的設定電壓Ud
D1的鉗位作用使UO=5.6V,從而使電流控制電路的設定電壓Ud=UO·R12/(R11+ R12)不變,相應地電池以恒流方式充電。反之,當反饋電壓UC較大即E<0時,U1會不斷減小直到消除誤差(E=0),否則U1會達到最小值U1=0,從而使電流控制電路的設定電壓Ud 減小直到零,相應電池以恒壓方式充電。
減小直到零,相應電池以恒壓方式充電。
   顯然,恒壓控制是通過調節電流控制電路的設定電壓,即改變電池充電流完成的。電路主要參數由下面方程計算:
  Ubt=Ub+-Ub-                    (1)
  (US-Ua)/R3=Ua/R4+(Ua-Ub-)/R5   (2)
   當恒壓控制電路處于平衡 時,電容C1無電流,則有:
時,電容C1無電流,則有:
  UC=R8·Ub+/(R8+R9)           (3)
  UC = Ua                     (4)
  式中
     Ub+ — 電池正極對地電壓;
     Ub- — 電池負極對地電壓;
     Ubt — 電池端電壓;
     US  — 設定控制電壓。
   恒壓控制的目標是電池端電壓等于設定電壓,即
   Ubt = US           (5)
    ,還隱含了一個約束條件
,還隱含了一個約束條件 恒壓控制與Ub-的取值無關,這
恒壓控制與Ub-的取值無關,這 在方程組中消去Ub-
在方程組中消去Ub-  滿足:
滿足:
  R3=R5               (6)
    這里,US為確定量;其余Ubt,Ub+,Ub-,Ua,UC,R3,R4,R5,R8,R9等10個參變量應滿足上述方程(1)~(6)。 變量數比方程數多4個,
變量數比方程數多4個,
 確定的參數R3,R4,R5,R8,R9有無窮多組解。容-源-電-子-網-為你提供技術支持
確定的參數R3,R4,R5,R8,R9有無窮多組解。容-源-電-子-網-為你提供技術支持
本文地址:http://m.flswjt.cn/dz/23/2010514222417.shtml
本文標簽:
猜你感興趣:
 TP4055 500mA 線性鋰離子電池充電器
					
					TP4055 500mA 線性鋰離子電池充電器
					
						描述
TP4055 是一款完整的單節鋰離子電池充電器,帶電池正負極反接保護,采用恒定
電流/恒定電壓線性控制。其 SOT 封裝與較少的外部元件數目使得 TP4055 成為便攜式應用的理想選擇。TP4055 可以適合 USB 電源和適配器電源工作。
由于采用了內部 PMOSFET 架構,加上防倒充電路,所以不需要外部檢測電阻器和
隔離二極管。熱反饋可對充電電流進行自動調節,以便在大功率操作或高環境溫度條件下對芯片溫度加以限制。充滿電壓固定于 4.2V,而充電電流可通過一個電阻器進行外部設置。當電池達
關鍵詞:   所屬欄目:集成塊資料
					
 TP4054 線性鋰離子電池充電器
					
					TP4054 線性鋰離子電池充電器
					
						概述
TP4054 是一款完整的單節鋰離子電池采用恒定電流/恒定電壓線性充電器。其 SOT
封裝與較少的外部元件數目使得 TP4054 成為便攜式應用的理想選擇。TP4054 可以適合USB 電源和適配器電源工作。
由于采用了內部 PMOSFET 架構,加上防倒充電路,所以不需要外部檢測電阻器和
隔離二極管。熱反饋可對充電電流進行調節,以便在大功率操作或高環境溫度條件下對芯片溫度加以限制。充電電壓固定于 4.2V,而充電電流可通過一個電阻器進行外部設置。當充電電流在達到最終浮充電壓之后降至設定值
關鍵詞:   所屬欄目:集成塊資料
					
 高性能導熱硅膠片為高品質車載充電器散熱設計提供解決
					
					高性能導熱硅膠片為高品質車載充電器散熱設計提供解決
					
						車載充電器散熱應用的導熱硅膠片需滿足:導熱性能要好、柔軟、耐高溫、耐高低溫、高可靠性且安全環保。兆科電子嚴守品質關,以高標準來嚴格要求自己,在選擇車載充電器導熱界面材料方案也不例外。兆科導熱材料生產廠推薦一款TIF100-02S導熱硅膠片產品,導熱系數為1.5W/mK,耐溫范圍-40 To 160 ℃,可按客戶需求裁切所需尺寸與形狀,滿足高品質車載充電器散熱設計方案。
關鍵詞:   所屬欄目:車載功放電路
					
 自制最簡單干電池充電器電路圖(原理圖)
					
					自制最簡單干電池充電器電路圖(原理圖)
					
						自制最簡單干電池充電器電路圖(原理圖):干電池應用場合很多,遙控器應用干電池是最常見的一種,還有就是兒童玩具應用干電池也很多,只要是充電電池,就可以進行二次充電使用,其實干電池充電電路原理很簡單,自制最簡單干電池充電器電路也很容易,對于電子技術要求不高,只要會一點電路基本常識就可以輕松制作出來,如下圖所示:電子元器件很少,核心器件就是一個多抽頭變壓器,可以輸出固定電壓AC12V、AC8V、AC6V等就能完成。電路原理圖如下:
關鍵詞:充電器電路圖   所屬欄目:電路圖
					
 雅迪48v20a充電器電路圖
					
					雅迪48v20a充電器電路圖
					
						雅迪48v20a充電器電路圖
充電器主要作用就是將交流AC220V電源轉換成固定的直流穩壓電源,在用直流電源給電動車進行充電,充電器的主要電路其實就是一個開關電源,和其他
關鍵詞:充電器電路圖   所屬欄目:電源電路
					
 雅迪sp120一48v充電器電路圖
					
					雅迪sp120一48v充電器電路圖
					
						雅迪sp120一48v充電器電路圖
充電器主要由塑料外殼、輸出插頭、輸入插頭等組成。充電器上有指示燈,同時作為電源指示和充電指示使用,使用時先插上充電的輸出插頭,再插上
關鍵詞:充電器電路圖直流穩壓電源開關穩壓電源   所屬欄目:電源電路
					
 愛瑪雅迪60v電動車充電器電路圖(60伏10A安)
					
					愛瑪雅迪60v電動車充電器電路圖(60伏10A安)
					
						愛瑪雅迪60v電動車充電器電路圖
關鍵詞:   所屬欄目:電源電路
					
 愛瑪電動車48v充電器電路圖
					
					愛瑪電動車48v充電器電路圖
					
						愛瑪電動車48V充電器電路就是一個開關電源,將220V交流電轉換成48V直流電源進行充電的一個過程,從整個電路來看,和其他一些品牌的充電器基本上相差不大,主要看控制芯片。工作原理大致相同。
關鍵詞:充電器電路圖   所屬欄目:開關電源電路圖
					
 48V電動車充電器電路圖
					
					48V電動車充電器電路圖
					
						48V電動車充電器電路圖:在眾多的出行方式中,電動車綠色環保、經濟實惠,使用方便及操作簡單等優點,其中48V電動車使用者數量巨大,那么48V電動車充電器是必不可少的充電設備。當電動車充電器出現故障后一般都是可以通過維修的方式來恢復正常功能的,要想維修48V電動車充電器就必須先了解電動車充電器電路圖及原理,下面就常用的TL494集成電路介紹一下工作原理。
關鍵詞:開關穩壓電源充電器電路圖   所屬欄目:電源電路
					
 LM393與NE555組成電池充電器電路
					
					LM393與NE555組成電池充電器電路
					
						LM393與NE555組成電池充電器電路具有成本效益的鎳鎘電池充電器LM393的構造如圖所示,它具有以下特點:(1)恒定電流充電散布著大電流di放電時,恒流充電電流約為300mA,放電
關鍵詞:   所屬欄目:電源電路
					
 鎳鎘電池充電器電路圖大全
					
					鎳鎘電池充電器電路圖大全
					
						鎳鎘電池是一種直流供電電池,鎳鎘電池可重復500次以上的充放電,經濟耐用。其內部抵制力小,既內阻很小,可快速充電,又可為負載提供大電流,而且放電時電壓變化很小,是一
關鍵詞:   所屬欄目:電路圖
					
 鎳鎘電池充電器電路圖及原理
					
					鎳鎘電池充電器電路圖及原理
					
						鎳鎘電池充電器電路圖及原理
鎳鎘電池是一種直流供電電池,鎳鎘電池可重復500次以上的充放電,經濟耐用。其內部抵制力小,既內阻很小,可快速充電,又可為負載提供大電流,
關鍵詞:   所屬欄目:電路圖
					
 充電器13001開關電源電路圖
					
					充電器13001開關電源電路圖
					
						13001開關電源電路圖主要應用于小功率開關電源電路中,最常見的應用電器應用充電器電路中,13001電路簡單,制作方便、成本低及可靠性好。深受廣大工程師喜愛,下面介紹基于13001開關電路。
關鍵詞:開關穩壓電源充電器電路圖   所屬欄目:開關電源電路圖
					
 電動車ka3842a充電器電路圖、48V充電電路
					
					電動車ka3842a充電器電路圖、48V充電電路
					
						電動車ka3842a充電器電路圖、48V充電電路在電動車48V充電器電路中,使用ka3842a集成電路控制開關電源工作很多,當然也有一部分是使用tl494來控制,還不清楚ka3842a集成電路引
關鍵詞:開關穩壓電源充電器電路圖穩壓集成電路   所屬欄目:開關電源電路圖
					
 12v鋰電池充電器電路圖
					
					12v鋰電池充電器電路圖
					
						12v鋰電池充電器電路圖
12Vdc移動電池充電器電路圖可以從12V汽車電源提供高達20 V的輸出,允許對NiCad電池單元進行恒定電流充電,最大電壓為18 V.
 
 V1形成
關鍵詞:穩壓電源充電器電路圖   所屬欄目:電源電路
					
 電池充電器電路原理圖(最大輸出18V)
					
					電池充電器電路原理圖(最大輸出18V)
					
						電池充電器電路原理圖
這款通用電池充電器具有穩壓輸出電壓,可根據需要進行調節。此外,該電路還具有可調節的恒流充電電路。因此,該電路將與大多數NiCad電池兼容且易于
關鍵詞:穩壓電源充電器電路圖   所屬欄目:電源電路
					
 電動車充電器原理及維修(圖文)
					
					電動車充電器原理及維修(圖文)
					
						常用電動車充電器根據電路結構可大致分為兩種。第一種是以UC3842驅動場效應管的單管開關電源,配合LM358雙運放來實現三階段充電方式。其電原理圖和元件參數見(圖表1)
關鍵詞:充電器電路圖   所屬欄目:其他文章
					
 6V“千里眼”充電器電路圖解析(圖文)
					
					6V“千里眼”充電器電路圖解析(圖文)
					
						                          “千里眼”充電器電路如圖所示。其中單向晶閘管 VS1為電瓶GB的充電電流管,VS2為電瓶充電時作切斷充電電流之用。當接通電源充電時,繼電器K動作,觸點3與觸點2接通,VS1的觸發端從R1和
關鍵詞:充電器電路圖   所屬欄目:電路圖
					
 12V恒壓限流充電器電路圖(圖文)
					
					12V恒壓限流充電器電路圖(圖文)
					
						                          這個鎳鎘電池自動充電器,具有狀態指示功能。充電時發光二極管發綠光;充滿后,保護電路動作,發光二極管發紅光,指示電池已充滿。當電池充滿后,保護電路自動切斷充電電流,防止過充電
關鍵詞:充電器電路圖   所屬欄目:電路圖
					
 電動自行車達事捷充電器電路圖
					
					電動自行車達事捷充電器電路圖
					
						                        以下為電動自行車達事捷充電器電路圖,本電路僅供參考。 電動自行車達事捷充電器電路圖
關鍵詞:充電器電路圖   所屬欄目:電源電路