然而,對更高頻率的無線系統的需求,例如軟件定義的無線電,智能手機,雷達系統和許多其他應用,一直是IC供應商開發流程和設計的動力。在高性能單片PLL中。其中許多功能塊集成了大部分或全部功能模塊(取決于頻率和所需性能),從而減少了設計時間,風險,電路板空間和功耗。
例如,Hittite的HMC830LP6GE PLL(現為ADI公司的一部分)是一款小數N分頻PLL,工作頻率范圍為25 MHz至3 GHz。它針對蜂窩/4G基礎設施,中繼器和毫微微蜂窩基站以及通信測試設備,以及具有-110 dBc/Hz的超低帶內相位噪聲,-227 dBc/Hz的FOM以及低于180 fsec的均方根抖動的其他應用。
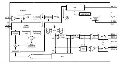
該IC包含一個集成的VCO(圖2),傳統上它是最難集成的功能,同時仍能在高頻率下實現高整體性能。與大多數PLL一樣,數據手冊中有十幾個詳細的圖表,顯示了在各種條件下PLL的許多方面的性能。圖3顯示了在各種溫度下PLL工作范圍內的集成均方根抖動。

圖2:ADI公司的HMC830LP6GE代表了最近幾年:將VCO與PLL的其余部分一起放入IC,同時擴展頻率范圍,同時不影響品質因數。

圖3:PLL數據手冊通常有許多性能圖,例如HMC830LP6GE的性能圖,它顯示rms抖動(fsec)與頻率的關系,-40⁰C,27⁰C和85⁰C;注意這個寬范圍內的性能穩定性。
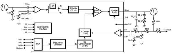
具有集成VCO的另一個PLL是凌力爾特公司的LTC6948,370 MHz至6.39 GHz小數N分頻器,具有超低噪聲。它還包括一個參考分頻器,相位/頻率檢測器,電荷泵,分數反饋分頻器和VCO輸出分頻器。歸一化的帶內相位噪聲基底FOM為-226 dBc/Hz,寬帶輸出相位噪聲基底為-157 dBc/Hz(圖4)。

圖4:其他參數中,凌力爾特公司的LTC6948數據手冊包括歸一化的帶內相位噪聲基底FOM和寬帶輸出相位噪聲基底;后者在最高頻率下從-100 dBc/Hz下降到-157 dBc/Hz。
它支持高達425 MHz的參考輸入頻率,用于快速頻率切換。該IC非常適用于無線基站(LTE,WiMAX,W-CDMA,PCS)等應用;微波數據鏈路和軍用/安全無線電,它可以用作高速,可調諧的6.39 GHz寬帶接收機的核心(圖5)。

圖5:即使高度集成的IC也需要無源元件支持,因為這是一個高速,可調諧的6.39 GHz寬帶接收器的原理圖,基于LTC6948表示。
Maxim Integrated的MAX2870是一款23.5 MHz至6 GHz PLL,帶有小數/整數N分頻合成器和VCO(圖6)。該器件通過多個VCO實現超寬頻率,覆蓋3 GHz至6 GHz,可自動選擇或在用戶控制下(通過串行接口);用戶提供循環過濾器和參考。相位/頻率檢測器在整數N模式下工作在105 MHz,在分數N模式下工作在50 MHz,并接受高達200 MHz的參考頻率。 PLL在多個分頻器設置中表現出優異的6.0 GHz相位噪聲性能(圖7)。應用包括無線基礎設施,測試和測量,衛星通信和無線局域網。

圖6:Maxim Integrated的MAX2870通過以下方式實現了6 GHz的額定值使用多個內部VCO,可以自動選擇或由用戶主動選擇。

圖7:PLL供應商再次提供詳細的性能規格,例如MAX2870在工作帶寬內的相位噪聲圖,具有不同的分頻因子。
盡管德州儀器LMX2492分數PLL(圖8),不包括集成VCO,它使用外部VCO在500 MHz至14 GHz范圍內工作;其FOM為-227 dBc/Hz。當與合適的環路分頻器結合使用時,它可以用作77 GHz汽車雷達系統的核心(圖9);它還包括針對此重點應用的斜坡/啁啾生成。

圖8:德州儀器LMX2492 PLL不包含VCO,但FOM為-227 dBc/Hz時性能達到14 GHz。/p>

圖9:LMX2492針對77 GHz自動雷達等應用,具有雷達所需的積分斜坡和啁啾功能。容-源-電-子-網-為你提供技術支持
本文地址:http://m.flswjt.cn/dz/22/15505364863180.shtml
本文標簽:
猜你感興趣:
 BMS電池管理系統的智能守護者:YSO110TR高精度全溫范圍
					
					BMS電池管理系統的智能守護者:YSO110TR高精度全溫范圍
					
						電壓有源晶振 YSO110TR的優勢在于其高精度和穩定性。10MHz的頻率下,其全溫范圍內總頻差僅為±30PPM,這意味著即使在嚴酷的環境條件下,晶振的頻率波動也非常小,保證了BMS系統的高精度控制和穩定性。無論是在高溫還是低溫環境中,YSO110TR都能保持可靠的性能,為電池管理系統提供持久穩定的時鐘信號
關鍵詞:   所屬欄目:電子基礎
					
 高精度HUD平視顯示系統YXC3225無源晶振YSX321SL
					
					高精度HUD平視顯示系統YXC3225無源晶振YSX321SL
					
						在現代汽車行業中,HUD平視顯示系統正日益成為駕駛員的得力助手,為駕駛員提供實時導航、車輛信息和警示等功能,使駕駛更加安全和便捷。在HUD平視顯示系統中,高精度的晶振是確保系統穩定運行的關鍵要素。YSX321SL是一款優質的3225無源晶振,擁有多項卓越特性,使其成為HUD平視顯示系統的首選。
關鍵詞:   所屬欄目:電子基礎
					
 PL5358 單電池鋰離子/聚合物電池保護集成電路
					
					PL5358 單電池鋰離子/聚合物電池保護集成電路
					
						
關鍵詞:   所屬欄目:元器件知識
					
 PL5353A 單電池鋰離子/聚合物電池保護集成電路
					
					PL5353A 單電池鋰離子/聚合物電池保護集成電路
					
						
關鍵詞:   所屬欄目:元器件知識
					
 高性能無源晶振選擇YSX211SL晶振 精準穩定的時鐘引領電
					
					高性能無源晶振選擇YSX211SL晶振 精準穩定的時鐘引領電
					
						在電子領域中,無源晶振是電路系統中重要的時鐘源。針對緊湊的電路布局和高要求的性能,平板FPC 2016無源晶振 YSX211SL以其獨特的特點成為了許多應用場景中的首選。
關鍵詞:   所屬欄目:電子基礎
					
 交流伺服系統的常見故障有哪些
					
					交流伺服系統的常見故障有哪些
					
						交流伺服系統的常見故障有哪些  交流伺服系統在運行中可能會出現各種故障,常見的故障包括:  電源故障:交流伺服系統需要穩定的電源供應,如果電源不穩定或出現故障,
關鍵詞:   所屬欄目:電源電路
					
 三種解決方案為LED照明散熱設計添磚加瓦
					
					三種解決方案為LED照明散熱設計添磚加瓦
					
						
關鍵詞:   所屬欄目:led
					
 導熱硅膠片是AI智能音響散熱設計的得力幫手
					
					導熱硅膠片是AI智能音響散熱設計的得力幫手
					
						AI智能音箱在電路板上有很多電子元器件,如:主控芯片、內存等這些,它們之間產生的熱量是相當大的,處理解決熱量傳導問題是不可避免的,采取解決方案就是應用導熱硅膠片。在電路板屏蔽罩內部,內存、PMIC、處理器也會使用到導熱硅膠片來加強散熱性能。
關鍵詞:   所屬欄目:電源電路
					
 高性能導熱硅膠片為高品質車載充電器散熱設計提供解決
					
					高性能導熱硅膠片為高品質車載充電器散熱設計提供解決
					
						車載充電器散熱應用的導熱硅膠片需滿足:導熱性能要好、柔軟、耐高溫、耐高低溫、高可靠性且安全環保。兆科電子嚴守品質關,以高標準來嚴格要求自己,在選擇車載充電器導熱界面材料方案也不例外。兆科導熱材料生產廠推薦一款TIF100-02S導熱硅膠片產品,導熱系數為1.5W/mK,耐溫范圍-40 To 160 ℃,可按客戶需求裁切所需尺寸與形狀,滿足高品質車載充電器散熱設計方案。
關鍵詞:   所屬欄目:車載功放電路
					
 pcb制板用什么軟件最好,自學pcb設計必備軟件推薦
					
					pcb制板用什么軟件最好,自學pcb設計必備軟件推薦
					
						很多新手朋友都會問:pcb制板用什么軟件最好,PCB設計常用什么軟件呢?其實,當你打算要學習PCB電路設計之前,你就必須了解一下這行業里面一般使用的是什么軟件是在進行設計,從剛開始就要用最專業的軟件,當然這樣會增加難度,但是當你完全習慣這個軟件之后就會發現其他軟件的不足,下面說為新手朋友們介紹幾款常用設計軟件。希望對大家有幫助。
關鍵詞:   所屬欄目:pcb
					
 微型投影機散熱設計方案應用導熱硅膠片材料
					
					微型投影機散熱設計方案應用導熱硅膠片材料
					
						目前微型投影機,均采用LED光源,光源為高亮度RGB三色LED模塊,由于采用紅綠藍三種顏色的LED來形成彩色化,因此其光學架構與傳統投影機有所不同。有時因工作需要,亮度不斷提高,然而亮度越高,投影過程產生熱的就越大,散熱問題就越嚴峻,就越需要有效率的散熱設計。作為導熱材料生產廠家,兆科提供在微型投影機中的應用材料:導熱硅膠片。
關鍵詞:   所屬欄目:其他文章
					
 開關電源散熱設計熱衷于導熱硅膠片的原因及應用方式
					
					開關電源散熱設計熱衷于導熱硅膠片的原因及應用方式
					
						在對電源散熱設計時,散熱這一塊就成了電源設計中非常重要的一個環節。電源散熱設計中常用的幾種方法有:使用被動散熱,如:散熱器、冷卻風扇,金屬PCB,導熱材料(導熱硅膠片)等。
關鍵詞:   所屬欄目:開關電源電路圖
					
 電動汽車系統中通過隔離降低EMI的三種方案
					
					電動汽車系統中通過隔離降低EMI的三種方案
					
						節能環保已成為今天電源解決方案的發展主旋律。電源系統正面臨前所未有的挑戰:環境的惡化迫使人們不得不考慮采用更加清潔的替代能源;電子設備的發展也亟需提升現有電源系
關鍵詞:   所屬欄目:其他文章
					
 發現電子工程師不得不知的十大設計誡條
					
					發現電子工程師不得不知的十大設計誡條
					
						前不久,發現很早以前印制的冊子,在這些冊子上列出了電子工程師的十誡。現在,就一并翻譯分享給中國電子工程師。這份資料里充滿了智慧,除了幽默的言語外,還有很多非常有用的建議
關鍵詞:   所屬欄目:元器件知識
					
 1V升壓5V和1.5V升壓5V的集成電路芯片
					
					1V升壓5V和1.5V升壓5V的集成電路芯片
					
						1.5V和1V輸入,要升壓輸出5V的集成電路芯片合適?
      干電池標準電壓是1.5V,放電電壓后面在0.9V-1V左右,如果要選用干電池1.5V升壓到5V的合適的芯片,需要滿足低壓1V或
關鍵詞:   所屬欄目:元器件知識
					
 1.5V升壓3V集成電路升壓芯片-PW5100
					
					1.5V升壓3V集成電路升壓芯片-PW5100
					
						干電池1.5V升壓3V的升壓芯片,適用于干電池升壓產品輸出3V供電
 1.5V輸入時,輸出3V,電流可達500MA。
 PW5100是一款效率大、10uA低功耗
PW5100輸入電壓:0.7V-5V
PW51
關鍵詞:   所屬欄目:元器件知識
					
 勒夫邁|新風系統是有哪些部分組成?PM2.5傳感器的應用
					
					勒夫邁|新風系統是有哪些部分組成?PM2.5傳感器的應用
					
						新風系統是一種能夠幫助室內進行通風換氣的裝置,將室外新鮮的空氣經過處理之后引入到室內,將室內受污染的空氣排放到室外,從而保障室內空氣的流通,確保室內時刻擁有新鮮
關鍵詞:   所屬欄目:傳感器技術
					
 勒夫邁|灰塵傳感器可監測集成電路生產過程中接觸到的污
					
					勒夫邁|灰塵傳感器可監測集成電路生產過程中接觸到的污
					
						隨著科學技術的發展,許多工業產品的生產加工對生產環境的無塵車間工程中含塵濃度提出高的要求,這就需要其生產環境中具有一定的空氣潔凈等級和控制生產過程所需各類相關物質的供應質量。例如,在膠片生產中,膠片若受到了塵埃的污染,將會發生乳劑氧化,活性減弱,pH值變化等,從而影響膠片的感光性能。下面帶大家了解一下灰塵傳感器用于半導體集成電路生產潔凈室中的解決方案。
關鍵詞:   所屬欄目:傳感器技術
					
 應用在射頻條件下木材干燥試驗過程中溫濕度和壓力監控
					
					應用在射頻條件下木材干燥試驗過程中溫濕度和壓力監控
					
						射頻(RF)是Radio Frequency的縮寫,表示可以輻射到空間的電磁頻率,頻率范圍從300kHz~300GHz之間。射頻就是射頻電流,簡稱RF,它是一種高頻交流變化電磁波的簡稱。
關鍵詞:   所屬欄目:傳感器技術
					
 溫濕度傳感器應用在機房監控溫濕度系統中的環境溫濕度
					
					溫濕度傳感器應用在機房監控溫濕度系統中的環境溫濕度
					
						溫濕度傳感器的應用非常廣泛,在各種領域都有使用,尤其是在需要實時記錄溫濕度等參數變化的場所中最為明顯。有了這樣的溫濕度傳感器人們和各種系統就可以根據設備記錄的內容,對其進行科學高效的管理,分析和控制。
關鍵詞:   所屬欄目:傳感器技術