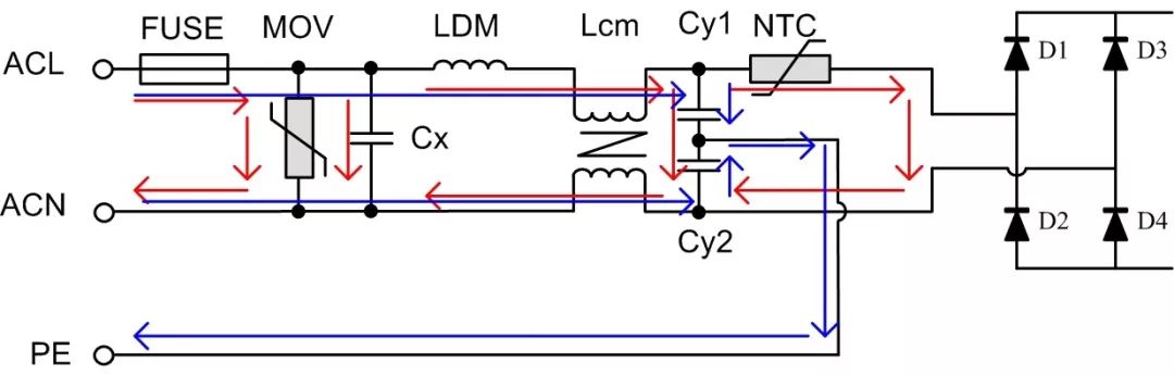
大家都知道,EMC 描述的是產品兩個方面的性能,即電磁發射/干擾EME和電磁抗擾EMS。EME中又包含傳導和輻射;而EMS中又包含靜電、脈沖群、浪涌等。本文將從EMS中的浪涌抗擾度的角度出發,分析設計電源的前級電路。抗浪涌的電路分析如圖1所示為小功率電源模塊中常用的EMC前級原理圖,FUSE為保險絲,MOV為壓敏電阻,Cx為X電容,LDM為差模電感,Lcm為共模電感,Cy1和Cy2為Y電容,NTC為熱敏電阻。其中Y電容、共模電感等的主要作用雖然不是為了改善電路的浪涌抗擾度,但它們卻間接地影響了抗浪涌電路的設計。

圖1 常用EMC前級電路
對ACL與ACN之間施加的浪涌電壓稱為差模浪涌電壓,差模路徑如圖中紅線所示;對ACL(或ACN)與PE之間施加的電壓稱為共模浪涌電壓,共模路徑如圖中藍線所示。
在設計抗浪涌電路前必須先確定相應的“電磁兼容標準”,如IEC/EN 61000-4-5(對應GB/T 17626.5)中規定了浪涌抗擾度要求、試驗方法、試驗等級等。下面我們將以該標準的規定為基礎來討論抗浪涌電路的設計。
浪涌發生電路在輸出開路時,產生1.2/50μs的浪涌電壓,而在短路時將產生8/20μs的浪涌電流。
發生器的有效輸出阻抗為2Ω,故當開路電壓峰值為XKV時,短路峰值電流為(X/2)KA。
當對ACL(或ACN)和PE之間進行抗浪涌測試時,在耦合電路上又串入了10Ω的電阻,忽略掉串聯耦合電容的影響,則短路峰值電流變為約(X/12)KA。
相關器件介紹
1、壓敏電阻
壓敏電阻的選型最重要的幾個參數為:最大允許電壓、最大鉗位電壓、能承受的浪涌電流。
首先應保證壓敏電阻最大允許電壓大于電源輸出電壓的最大值;其次應保證最大鉗位電壓不會超過后級電路所允許的最大浪涌電壓;最后應保證流過壓敏電阻的浪涌電流不會超過其能承受的浪涌電流。
其他參數如額定功率、能承受的最大能量脈沖等,通過簡單驗算或實驗即可確定。
2、Y電容
在進行共模浪涌測試時,若考慮成本等因素,在共模路徑中未加入壓敏電阻或其他用于鉗位電壓的器件時,應保證Y電容耐壓高于測試電壓。
3、輸入整流二極管
假設浪涌電壓經壓敏電阻鉗位后,最大鉗位電壓大于輸入整流二極管能承受的最大反向電壓,則二極管可能會被損壞。因此應選擇反向耐壓大于壓敏電阻最大鉗位電壓的二極管作為輸入整流二極管。
4、共模電感
理論上共模電感僅在共模路徑中起作用,但是因為共模電感兩個繞組并非完全耦合,未耦合部分將在差模路徑中作為差模電感,影響EMC特性。
實例分析
背景:以某型號的電源模塊為例,該模塊是ZLG致遠電子為某客戶定制的電源模塊,輸入85VAC~350VAC,且EMC前級電路電路嵌入到模塊中。抗浪涌要求差模電壓3KV,共模電壓6KV。更換更大的保險絲后可承受6KV差模電壓。其前級原理圖及對應實物圖如圖2所示。

圖2 實例原理圖與實物圖
1、差模浪涌測試
壓敏電阻選型時,首先應使最大允許電壓略大于350V,此電壓等級壓敏電阻最大鉗位電壓為1000V左右(50A測試電流下)。其次在差模路徑上,等效于一個內阻為2Ω、脈沖電壓為6KV的電壓源與壓敏電阻串聯,則峰值電流約為(6KV-1KV)/2Ω=2500A。最終選擇了681KD14作為壓敏電阻。其峰值電流為4500A,最大允許工作電壓385VAC,最大鉗位電壓1120V。
不必擔心,因為共模電感中未耦合的部分,在差模路徑中作為差模電感,將分得部分電壓,事實上,在共模電感后級,電路已得到保護,經試驗驗證,整流二極管選擇常用的1N4007即可。
2、共模浪涌測試
當對ACL-PE或ACN-PE測試6KV浪涌時,即共模浪涌試驗,共模路徑等效為一個內阻約為12Ω,脈沖電壓為6KV的電壓源與共模電感、Y電容串聯。因為Y電容選擇Y1等級電容,其耐壓較高,6KV共模浪涌的能量不足以使其損壞,因此僅需保證PE布線與其他布線保持一定間接,即可很容易地通過共模浪涌測試。容-源-電-子-網-為你提供技術支持
本文地址:http://m.flswjt.cn/emc/15458060662846.shtml
本文標簽:
猜你感興趣:
產品設計、emc設計注意及挑戰
電子系統需要實施隔離,它的作用是保護人員和設備不受高電壓的影響,或者僅僅是消除PCB上不需要的接地回路。在各種各樣的應用中,包括工廠和工業自動化、醫療設備、通信和消
關鍵詞: 所屬欄目:電磁兼容
合并式單端A類電子管功放電路設計
如圖所示為合并式單端A類電子管功放電路圖,本電路輸出功率:8W×2輸出阻抗:4Ω、8Ω輸入靈敏度:l.4V失真系數:2%頻率響應:25Hz-20kHz-3dB。電源功耗:120W。 :
關鍵詞: 所屬欄目:音頻功放電路
集成功率放大器件或分立元件放大電路設計
圖1為一個由分立元件構成的直流化的互補對稱OCL電路。電路由差分放大級、電壓推動級和復合輸出級構成。本電路引入了直流負反饋電路,一般功放中由于存在反饋電容,限制了低頻響應,為了消除這種不利影響,只有增
關鍵詞: 所屬欄目:音頻功放電路
多媒體有源音箱電路設計
本音箱的高、寬、深分別為280mm×120mm×170mm(內部有效容積約3.4L)。板材為厚15mm的中密度板。左右聲道音箱前面板尺寸如圖所示。倒相孔設在箱體背面上方,長度為68mm,由于倒相管在音箱背面,所以擺放時音箱后
關鍵詞: 所屬欄目:音頻功放電路
HY-1應用電路設計
HY-1音樂集成電路內存一首樂曲。當觸發端受脈沖觸發后立即輸出音樂信號,樂曲程序結束時工作自行停止。當觸發端與觸發電平相連時,電路反復嗚奏,直到脫離觸發電平且正常演奏的樂曲程序結束后才自行停止。電路內
關鍵詞: 所屬欄目:音頻功放電路
NFC技術與RFID技術芯片實現雙向預付費系統的設計
有位客戶采用預付電費方案,回家后卻發現照明燈沒有亮。于是,她拿出手機并打開一個應用程序(app),向其電費賬戶中又額外增加了50美元額度。然后她將手機靠近電能監測顯示
關鍵詞: 所屬欄目:設計編程
RFID讀寫器有哪幾部分組成及原理設計方案
隨著現代信息技術和超大規模集成電路的發展,RFID技術在服務領域、貨物銷售與后勤分配、商業部門、生產企業和材料流通領域得到了越來越廣泛的應用。射頻識別技術的基本原理
關鍵詞:電路設計 所屬欄目:設計編程
音樂門鈴電路設計
CIC2851AE是目前應用較為普遍的單曲音樂IC,它采用塑料封裝單列直插式,共有9個輸出腳,缺角處為第1腳。晶體管BG在這里起音頻功效放大作用,BG最好采用集電極耗散功率大于300mW的硅NPN型三極管,如3DX201、3DG12、
關鍵詞: 所屬欄目:音頻功放電路
參數型中頻均衡器電路設計
均衡器是在電信設備中,用以校正因頻率不同而引起的衰減(即傳輸損耗)及相位差不同的網絡。能校正衰減與頻率關系的,稱為“衰減均衡器”;能校正相位差與頻率關系的稱為“相位均衡器”。在有線電視系統里經常需
關鍵詞: 所屬欄目:音頻功放電路
看門狗電路電路圖及工作原理
在工業控制中常使用MCS-51系列單片機,為了防止程序跑飛往往外接一個看門狗電路。看門狗電路可完成加電復位和死機復位兩種功能。成品的看門狗集成電路如MAX813L等價格一般都
關鍵詞: 所屬欄目:電路圖
提高PCB設計成功率三點技巧
PCB設計過程中,如果能提前預知可能的風險,提前進行規避,PCB設計成功率會大幅度提高。很多公司評估項目的時候會有一個PCB設計一板成功率的指標。提高一板成功率關鍵就在于
關鍵詞:電路設計 所屬欄目:pcb
AD811與BUF634P功放電路功率放大電路設計
本電路應用AD811與BUF634P結成功放電路;通過電路圖可以看到是正負15V供電,效果很好。功率放大器,簡稱“功放”。很多情況下主機的額定輸出功率不能勝任帶動整個音響系統的任務,這時就要在主機和播放設備之間加裝功率放大器來補充所需的功率缺口。。
關鍵詞:功放集成電路AV放大器電路音頻放大器電路圖 所屬欄目:音頻功放電路
具有300B音色的晶體管后級功放電路設計
一臺既吸收電子管的“樂感”優勢,又具有晶體管使用方便特點的晶體機,全機主角為Q1N-MOSFETIRFP140,由于是接成單級的增益放大,故為反相輸出,輸出端是喇叭的負端,而接地點才是正端。另外有一顆P-MOSFETQ2
關鍵詞:音頻放大器電路圖 所屬欄目:音頻功放電路
便攜式麥克風前置放大電路設計
如圖所示為便攜式麥克風前置放大電路電路圖,該電路是一個低噪音的基礎上,高增益兩個階段PNP和NPN晶體管放大器,利用通過R6的直流負反饋穩定的工作條件比較準確。 :
關鍵詞: 所屬欄目:音頻功放電路
分析磁珠和電感在解決EMI和EMC方面有著怎樣的作用
磁珠和電感在解決EMI和EMC方面的作用有什么區別,各有什么特點,是不是使用磁珠的效果會更好一點呢?從原理上來說,磁珠可等效成一個電感,所以磁珠在EMI和EMC電路中就相當
關鍵詞:磁珠電感EMIEMC 所屬欄目:電磁兼容
繼電器驅動保護電路設計
在開始選擇繼電器驅動的時候,習慣性選擇現有的集成芯片,比如NUD3126和NUD3124,沒有仔細想過為什么要選用它們,是否可以選擇分立的三極管或者達林頓管。這里做一些分析
關鍵詞:過流保護電路過壓保護電路短路保護電路 所屬欄目:電子器材
LED白光照明模組驅動電路設計方案
LED白光照明模組驅動電路設計方案由于當前溫室效應和能源危機的影響,使得人們對節能技術越來越關注。LED照明具有節能、壽命長等優點,LED照明技術作為新型綠色照明技術,目
關鍵詞:LEDLED電路圖 所屬欄目:led
特斯拉的快充系統充電接口電路設計(圖文)
11月份,有個朋友問我這個電路這塊的內容,我這里一直沒怎么做,就電路設計部分來談談看這個是怎么來弄的。1)Model S/X特斯拉的快充系統是比較有趣的,它的主要特點是可以
關鍵詞:充電器電路圖電路設計 所屬欄目:其他文章
PCB印刷電路板設計高頻布線的技巧
(1)高頻電路往往集成度較高,布線密度大,采用多層板既是布線所必須的,也是降低干擾的有效手段。(2)高速電路器件管腳間的引線彎折越少越好。高頻電路布線的引線最好采
關鍵詞: 所屬欄目:pcb
電磁式流量傳感器工作原理及電路設計(圖文)
如圖是電磁式流量傳感器的工作電路原理圖。在勵磁線圈通以勵磁電壓后,絕緣導管便處于磁力線密度為B的均勻磁場中,當平均流速為v的導電性液體流經絕緣導管時,那么在導線內徑為D的管道壁
關鍵詞: 所屬欄目:傳感器技術