報警功能的密碼開關:
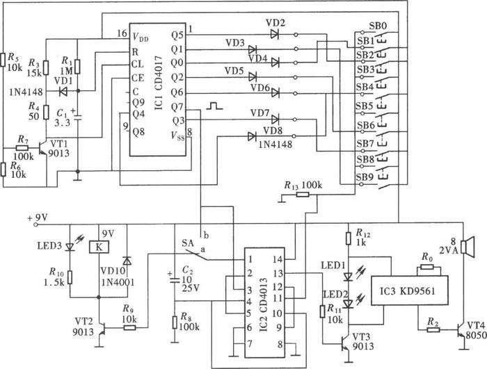
	如下圖 的密碼開關由10位按鍵組成,其中有效按鍵6位,偽碼鍵4位。
的密碼開關由10位按鍵組成,其中有效按鍵6位,偽碼鍵4位。 有效按鍵可重復使用,該電路用它組成一個9位密碼的密碼開關。電路設有時控功能,當按動相鄰按鍵時間超過3s,則所輸入的有效碼失效。此外電路中還具有報警功能,當按動偽碼鍵后,便會觸發報警電路發出報警聲。電路組成如圖
有效按鍵可重復使用,該電路用它組成一個9位密碼的密碼開關。電路設有時控功能,當按動相鄰按鍵時間超過3s,則所輸入的有效碼失效。此外電路中還具有報警功能,當按動偽碼鍵后,便會觸發報警電路發出報警聲。電路組成如圖 ,由密碼輸入開關、密碼形成與輸出電路、開關控制電路和報警電路組成。
,由密碼輸入開關、密碼形成與輸出電路、開關控制電路和報警電路組成。
	 
本文地址:http://m.flswjt.cn/dz/26/2010224192505.shtml
本文標簽:
猜你感興趣:
 紅外線探測防盜報警器電路圖
					
					紅外線探測防盜報警器電路圖
					紅外線探測防盜報警器電路圖該報警器能探測人體發出的紅外線,當人進入報警器的監視區域內,即可發出報警聲,適用于家庭、辦公室、倉庫、實驗室等比較重要場合防盜報警。
 由熱敏電阻構成的火災報警電路原理圖(圖文)
					
					由熱敏電阻構成的火災報警電路原理圖(圖文)
					熱敏電阻器是敏感元件的一類,按照溫度系數不同分為正溫度系數熱敏電阻器(PTC)和負溫度系數熱敏電阻器(NTC)。熱敏電阻器的典型特點是對溫度敏感,不同的溫度下表現出不同的電阻值。
 簡易紅外感應報警器電路圖
					
					簡易紅外感應報警器電路圖
					由紅外線傳感器、信號放大電路、電壓比較器、延時電路和音響報警電路等組成。紅外線探測傳感器IC1探測到前方人體輻射出的紅外線信號時,由IC1的②腳輸出微弱的電信號,經三極管VT1等組成第一級放大電路放大,再通
 (轉)如何讓煙霧報警器不會報警
					
					(轉)如何讓煙霧報警器不會報警
					無
 離子煙霧報警器原理
					
					離子煙霧報警器原理
					無
 光電煙霧報警器原理
					
					光電煙霧報警器原理
					無
 消防氣體煙霧報警器原理
					
					消防氣體煙霧報警器原理
					無
 應用RS101A制作漏電報警自動控制插座電路
					
					應用RS101A制作漏電報警自動控制插座電路
					無
 微功耗斷線式防盜報警器
					
					微功耗斷線式防盜報警器
					無
 簡易人體紅外線感應報警器電路圖
					
					簡易人體紅外線感應報警器電路圖
					無
 轉:自制非接觸式液位報警器(圖)
					
					轉:自制非接觸式液位報警器(圖)
					無
 介紹多芯電纜斷線報警器電路
					
					介紹多芯電纜斷線報警器電路
					無
 介紹人體紅外線探測報警器
					
					介紹人體紅外線探測報警器
					無
 LM324放大制作的人體熱釋電紅外報警開關
					
					LM324放大制作的人體熱釋電紅外報警開關
					無
 簡易紅外線防盜報警器
					
					簡易紅外線防盜報警器
					無
 簡易電源欠壓過壓報警保護器
					
					簡易電源欠壓過壓報警保護器
					無
 技巧:用舊手機制作的遠程遙控器和防盜報警器
					
					技巧:用舊手機制作的遠程遙控器和防盜報警器
					無
 介紹紅外線防盜報警器
					
					介紹紅外線防盜報警器
					無
 介紹簡易漏電報警器電路
					
					介紹簡易漏電報警器電路
					無
 推薦:555雙音報警電路
					
					推薦:555雙音報警電路
					無