倒立擺作為一種典型的控制系統實驗裝置,具有非線性、自然不穩定等特性,常用來作為檢驗某種控制理論或方法是否合理的典型方案。一階倒立擺系統能用多種理論和方法來實現其穩定控制,如PID、自適應、狀態反饋、模糊控制及人工神經元網絡等多種理論和方法都能在倒立擺系統控制上得到實現。
1系統構成及工作原理
圖1為一階旋轉倒立擺結構示意圖。直流電機作為唯一的動力裝置,與旋臂保持剛性連接,帶動旋臂在水平面內旋轉,旋臂的一端通過轉軸(本系統選用電位器角度傳感器)與擺桿連接,擺桿可做垂直于旋臂的圓周運動。在自然狀態下,擺桿為豎直下垂狀態。倒立擺控制的目的是通過控制直流電動機的運動狀態,使擺桿保持倒立狀態。

圖1倒立擺結構示意圖
系統工作原理如下:擺桿擺動時,角度傳感器檢測擺桿的角度,根據角度傳感器的輸出特性,其輸出電壓經A/D轉換器轉換成電壓數字量,該數字量與期望的值進行比較產生偏差,通過單片機對該偏差進行處理,即PID控制運算,根據運算結果產生控制信號控制電機和旋臂的轉動,使擺桿的角度與期望的角度更接近。
倒立擺控制系統結構框圖如圖2所示,單片機(51單片機)為控制器,直流電機為執行器,倒立擺為被控對象,倒立擺角度為被控量,角度傳感器和模數轉換器構成反饋回路。

圖2倒立擺控制系統結構框圖
。 倒立擺控制系統的硬件設計
。玻眴纹瑱C最小系統
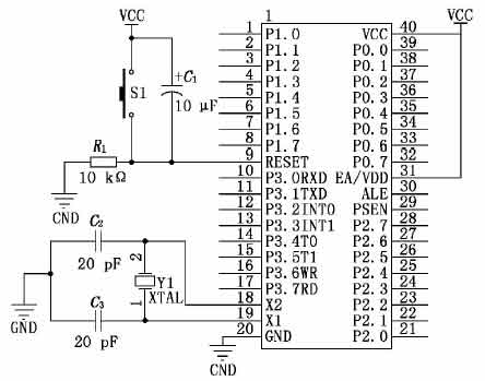
該系統中選用了STC90C51單片機,該型單片機
具有以下特點:①八位MCU核,與傳統8051兼容;②大容量存儲空間,包括64kB程序空間,1280B
。樱遥粒偷;③具有4個八位并行I/O口,3個定時/計數器,2個外部中斷源和1個全雙工UART傳輸口;④5V供電時,最高支持80MHz振蕩頻率,具備高速浮點運算能力,適合倒立擺系統等較為復雜的控制系統使用。51單片機最小系統如圖3所示。

圖3 51單片機最小系統
。玻矓[桿角度檢測
檢測擺桿角度所用到的角度傳感器種類非常多,常用的有電位器式角度傳感器、光電編碼器、陀螺儀模塊等。由于電位器式角度傳感器原理簡單,檢測精度取決于所用A/D轉換器的精度,成本相對較低,因此,綜合多方面要求,本系統選用電位器式角度傳感器。
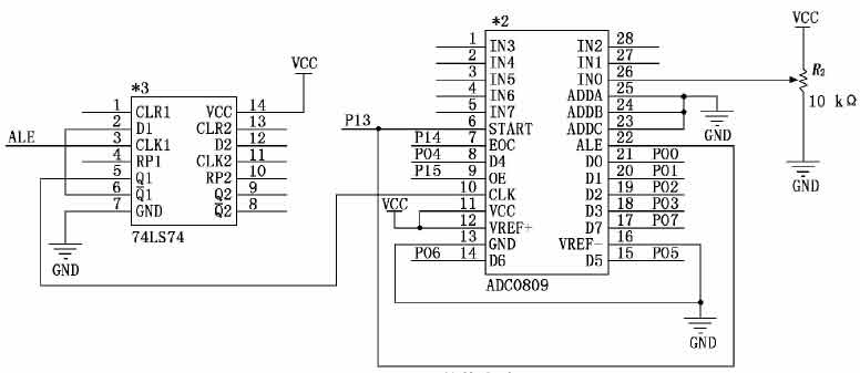
傳感器返回的電壓信號無法被單片機直接識別,所以需要通過A/D轉換,將模擬電壓信號轉換為二進制數的形式,然后單片機才能計算出偏差,進而產生相應的輸出。A/D轉換器常用的有8位和12位輸出,在本系統中選用8位A/D轉換器即可滿足控制要求,其型號選用ADC0809,相應電路原理圖見圖4。

圖4 A/D轉換電路
。粒霓D換器的時鐘脈沖為單片機ALE引腳輸出的脈沖經74LS74芯片分頻之后得到,A/D轉換器的8位數字信號通過單片機的P0口進行采集與處理。
2.3驅動電路
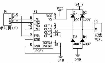
本系統選用的直流電機額定電壓為24V,額定功率為30W,單片機的I/O口不足以提供如此大的驅動能力,故需采用驅動電路。常用的直流電機驅動芯片為L298N,可驅動兩路直流電機,最大驅動電壓為46V,最大電流2A~3A,滿足設計要求。直流電機驅動電路如圖5所示。

圖5 直流電機驅動電路
圖5中,L298N的ENA為使能端,可作為單片機PWM(脈寬調制)控制端,控制直流電機轉速;IN1和IN2為信號輸入端,OUT1和OUT2為輸出端,輸出
狀態與輸入狀態對應,控制直流電機轉向。輸出端的二極管為續流二極管,起保護電動機線圈的作用。
。车沽[控制系統的軟件設計
。常笨刂扑惴
本系統采用PID控制算法,PID算法適用于負荷變化大、容量滯后較大、控制品質要求高的控制系統。PID算法有3個可設定參數,即比例放大系數KP、積分時間常數TI、微分時間常數TD。比例調節的作用是使調節過程趨于穩定,但會產生穩態誤差;積分作用可消除被調量的穩態誤差,但由于積分飽和等原因可能會使系統振蕩甚至使系統不穩定;微分作用能有效地減小動態偏差[4]。其傳遞函數為:容-源-電-子-網-為你提供技術支持
本文地址:http://m.flswjt.cn/dz/22/15476207263093.shtml
本文標簽:
猜你感興趣:
PL2733A 寬范圍同步降壓控制器
關鍵詞: 所屬欄目:元器件知識
JD6621 快速充電協議,USB-PD 3.0與PPS控制器
關鍵詞: 所屬欄目:元器件知識
FP6601AA USB Type-A 快速充電協議控制器
關鍵詞: 所屬欄目:元器件知識
FP6606C USB類型-C和PD充電控制器
關鍵詞: 所屬欄目:元器件知識
FP6601A Type-A HVDCP 控制器與插入/輸出自動檢測
關鍵詞: 所屬欄目:元器件知識
JD6608 USB-PD 3.0與PPS控制器
關鍵詞: 所屬欄目:元器件知識
FP6606AC USB雙端口充電控制器
關鍵詞: 所屬欄目:元器件知識
PL513/PL515 單/雙口 USB 充電協議端口控制器
關鍵詞: 所屬欄目:元器件知識
JD6606S USB-PD 3.0和HVDCP控制器
關鍵詞: 所屬欄目:元器件知識
路燈控制開關怎么調?
關鍵詞: 所屬欄目:開關電源電路圖
時控開關控制380v怎么接線?
關鍵詞: 所屬欄目:開關電源電路圖
智能路燈控制器怎么接線?
關鍵詞: 所屬欄目:開關電源電路圖
路燈控制器怎么接線?
路燈控制器:又稱路燈控制開關,可以實現不用手動接觸路燈的開關,使用手機對路燈進行開、關控制,并且不受天氣、山川、河流等因素的影響,特別是刮風、下雨雪天氣便于路燈
關鍵詞: 所屬欄目:開關電源電路圖
LED全彩簡易控制器怎么接線?
LED全彩簡易控制器:又稱LED全彩迷你控制器,可以控制器LED全彩燈,變換不同的顯示效果。T1-1000MINI LED全彩控制器:對比普通按鍵式的控制器,增加了藍牙連接功能,可實現
關鍵詞: 所屬欄目:開關電源電路圖
如何實現遠程開關控制?
關鍵詞: 所屬欄目:開關電源電路圖
路燈控制器怎么設置?
路燈控制器:不用手動接觸路燈的開關,不受天氣、山川、河流等因素的影響,刮風、下雨雪天氣都不用再人工接觸路燈開關,使用手機對路燈進行開關控、制。路燈遠程控制開關:
關鍵詞: 所屬欄目:開關電源電路圖
如何遠程控制電源開關?
關鍵詞: 所屬欄目:開關電源電路圖
路燈如何實現遠程控制?
關鍵詞: 所屬欄目:開關電源電路圖
交流控制的氦氖電源電路
T1是一個60赫茲的120伏到1000伏升壓變壓器。C1, C2, C3, C4, D2通過D5形成一個四倍電壓。最初的電壓是4到5千伏,當激光管發光時電壓下降。 :
關鍵詞: 所屬欄目:電路圖
怎么遠程控制電源開關?
遠程控制電源開關:不受距離以及空間的限制,可以在手機上對電源開關進行控制,使用遠程控制開關就可以實現的。遠程控制開關:只要有4G信號的地方,可以不受距離限制,控制
關鍵詞: 所屬欄目:開關電源電路圖