本文介紹基于SG3909的閃光燈電路圖如下:
SG3909的工作電壓可以從1.5V到5V,自身功耗低,可以用太陽能電池板供電,但要 好太陽能畜電的問題;成本很低,而且亮度也好。
好太陽能畜電的問題;成本很低,而且亮度也好。

下面是SG3909閃光燈電路圖應用

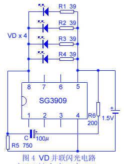
上面只是一種應用電路圖,自己可以設計出更多的電路,從上圖可以看出,只有一個發光二極管,不過沒有關系,自己可以并聯 發光二極管上去,
發光二極管上去, 發光二極管太多,可以用三極管做一個驅動電路,來驅動
發光二極管太多,可以用三極管做一個驅動電路,來驅動 的發光二極管。下面的圖
的發光二極管。下面的圖 多個發光二極管應用電路。不
多個發光二極管應用電路。不 自己做驅動電路。
自己做驅動電路。

容-源-電-子-網-為你提供技術支持
本文地址:http://m.flswjt.cn/dz/21/2010824201333.shtml
本文標簽:
猜你感興趣:
 介紹雷達式節能燈座電路原理圖
					
					介紹雷達式節能燈座電路原理圖
					無
 轉:KL3型微波電子開關電路
					
					轉:KL3型微波電子開關電路
					無
 實用高效電子捕鼠器電路
					
					實用高效電子捕鼠器電路
					無
 三相電源缺相保護器原理圖
					
					三相電源缺相保護器原理圖
					無
 停電照明燈電路圖
					
					停電照明燈電路圖
					無
 DMAl2輸入電路圖
					
					DMAl2輸入電路圖
					無
 基于SG3909的閃光燈電路圖
					
					基于SG3909的閃光燈電路圖
					無