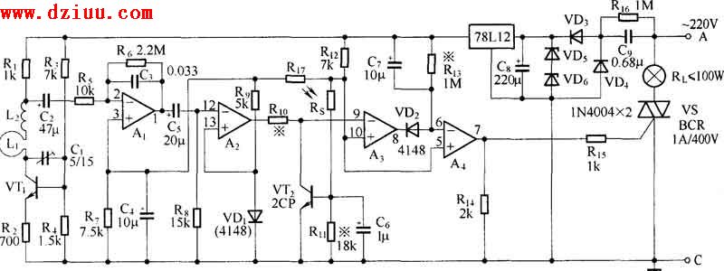
雷達式節能燈座實質上是一種人體微波傳感開關.當有人走進有效范圍內時,電燈自動點亮,延時一段時間后在自動關閉. 人體一直在
人體一直在 范圍內活動,電燈持續點亮.雷達式節能燈還具有光控功能,使電燈只在晚上工作.如圖是雷達式節能燈座電路原理圖
范圍內活動,電燈持續點亮.雷達式節能燈還具有光控功能,使電燈只在晚上工作.如圖是雷達式節能燈座電路原理圖
本文由m.flswjt.cn整理提供,部分內容來源于網絡,如有侵犯到你的權利請與我們聯系更正。
本文由m.flswjt.cn整理提供,部分內容來源于網絡,如有侵犯到你的權利請與我們聯系更正。

本文地址:http://m.flswjt.cn/dz/26/2010121195523.shtml
本文標簽:
猜你感興趣:
 介紹雷達式節能燈座電路原理圖
					
					介紹雷達式節能燈座電路原理圖
					無
 三相電源缺相保護器原理圖
					
					三相電源缺相保護器原理圖
					無
 停電照明燈電路圖
					
					停電照明燈電路圖
					無