CD4011構成延遲節能燈電路   <<版權聲明:本文由容源電子網(www_dziuu_com)整理提供,部分內容來源于網絡,如有侵犯到你的權利請與我們聯系更正。》
如圖 的延遲節能燈是一種聲光雙控延遲節電照明燈。   <<版權聲明:本文由容源電子網(www_dziuu_com)整理提供,部分內容來源于網絡,如有侵犯到你的權利請與我們聯系更正。》
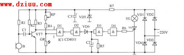
的延遲節能燈是一種聲光雙控延遲節電照明燈。   <<版權聲明:本文由容源電子網(www_dziuu_com)整理提供,部分內容來源于網絡,如有侵犯到你的權利請與我們聯系更正。》
它可以直接取代普通照明開關而不必更改原有照明線路,白天或光線較強的場合即使有較大的聲響也能控制燈泡不亮,晚上或光線較暗時遇到聲響(如說話聲、腳步聲等)后燈自動點亮,經約30s(時間可設定)自動熄滅。適用于樓梯,走廊等只需短時照明的地方。   <<版權聲明:本文由容源電子網(www_dziuu_com)整理提供,部分內容來源于網絡,如有侵犯到你的權利請與我們聯系更正。》
二極管VD1~VD4組成橋式整流電路將市電變成脈動直流,再經R7限流,VD5穩壓,C3濾波輸出8V直流電,為集成塊CD4011及三極管VT7提供電源。元器件選擇:與非門D1~D4 一塊2輸入端四與非門CD4011數字集成電路。VS為MCR100-8型等小型塑封單向晶閘管。   <<版權聲明:本文由容源電子網(www_dziuu_com)整理提供,部分內容來源于網絡,如有侵犯到你的權利請與我們聯系更正。》
一塊2輸入端四與非門CD4011數字集成電路。VS為MCR100-8型等小型塑封單向晶閘管。   <<版權聲明:本文由容源電子網(www_dziuu_com)整理提供,部分內容來源于網絡,如有侵犯到你的權利請與我們聯系更正。》
整流二極管VD1--VD4 1N4007型普通硅整流二極管,VD5選2CW56型8V穩壓二極管,VD6
1N4007型普通硅整流二極管,VD5選2CW56型8V穩壓二極管,VD6 1N4148型普通硅開關二極管,VT7
1N4148型普通硅開關二極管,VT7 9013型等硅NPN三極管。GR為MG45型光敏電阻器,其余電阻均用RTX-1/8W型碳膜電阻器,其中R1為22kΩ,R2為22MΩ,R3為33kΩ,R4為47kΩ,R5為1.5MΩ,R6為5.10Ω,R7為240kΩ,RP取W106-2-2型100kΩ玻璃釉預調電位器。   <<版權聲明:本文由容源電子網(www_dziuu_com)整理提供,部分內容來源于網絡,如有侵犯到你的權利請與我們聯系更正。》
9013型等硅NPN三極管。GR為MG45型光敏電阻器,其余電阻均用RTX-1/8W型碳膜電阻器,其中R1為22kΩ,R2為22MΩ,R3為33kΩ,R4為47kΩ,R5為1.5MΩ,R6為5.10Ω,R7為240kΩ,RP取W106-2-2型100kΩ玻璃釉預調電位器。   <<版權聲明:本文由容源電子網(www_dziuu_com)整理提供,部分內容來源于網絡,如有侵犯到你的權利請與我們聯系更正。》
C1用CT1型瓷介電容器,C2、C3用電解電容,且C1取0.1μF,C2取22μF/16V,C3取100μF/16V。B為CRZ2-113F型駐極體電容話筒。    <<版權聲明:本文由容源電子網(www_dziuu_com)整理提供,部分內容來源于網絡,如有侵犯到你的權利請與我們聯系更正。》
   <<版權聲明:本文由容源電子網(www_dziuu_com)整理提供,部分內容來源于網絡,如有侵犯到你的權利請與我們聯系更正。》
   <<版權聲明:本文由容源電子網(www_dziuu_com)整理提供,部分內容來源于網絡,如有侵犯到你的權利請與我們聯系更正。》
 <<版權聲明:本文由容源電子網(www_dziuu_com)整理提供,部分內容來源于網絡,如有侵犯到你的權利請與我們聯系更正。》
   <<版權聲明:本文由容源電子網(www_dziuu_com)整理提供,部分內容來源于網絡,如有侵犯到你的權利請與我們聯系更正。》
   <<版權聲明:本文由容源電子網(www_dziuu_com)整理提供,部分內容來源于網絡,如有侵犯到你的權利請與我們聯系更正。》
容-源-電-子-網-為你提供技術支持
 
.