的集成功放電路外圍元件較多且
較大的散熱器。本文介紹的功放電路簡單,自 制方便。電路如圖5-107
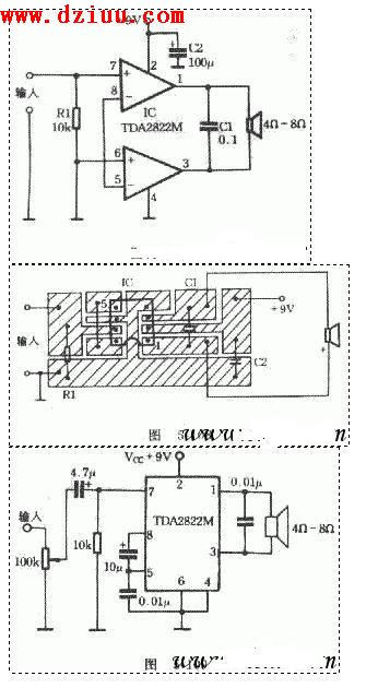
。用一塊TDA2822M功放集成電路接成BTL方式,外圍元件只有一只電阻和兩只電容,不用裝散熱器,放音效果也令人滿意的。 本文由m.flswjt.cn整理提供,部分內容來源于網絡,如有侵犯到你的權利請與我們聯系更正。
集成電路TDA2822M為8腳雙列直插式封裝,
買不到
TDA2822代替,TDA2822的封裝與TDA2822M
,
區別在于: TDA2822M從3V到15V均可工作,而TDA2822的最高工作電壓只有8V。使用TDA2822
把電壓降到8V以下。R1的數值要求不拘,
選用10k的碳膜電阻。C1可選用0.1uF的滌綸電容,C2為100uF/160V的電解電容。圖5-108是其印制電路板圖。
電路簡單,印制板
鏟刻法制作用水磨砂紙或牛皮紙沾少量水擦亮,用水洗凈擦干,涂上一層松香酒精溶液,干后把元件直接焊在銅箔面
。焊好后檢查無誤,然后先不接揚聲器,接上電源,則正負輸出端
電壓應小于0.1V。接上揚聲器,用手觸摸輸入端,揚聲器應發出較大的“嗡”聲。
輸入信號試音。電路板不用鉆孔,本文由m.flswjt.cn整理提供,部分內容來源于網絡,如有侵犯到你的權利請與我們聯系更正。


本功放為直接耦合,
輸入信號不能帶直流成分。
輸入信號有直流成分則
在輸入端串接一只10uF左右的電容隔開,否則將有很大的直流電流流過揚聲器,使之發熱燒毀。在實踐中,若對圖5-107再進行適當的改制則效果更為理想。改進后的電路如圖5-109
。在使用中發現,音量開得最大時TDA2822M發熱燙手,于是給TDA2822M制作了散熱器,如圖5-110
。散熱器用厚lmm,長38mm,寬25mm的鋁片制成。并在散熱片上開5~6個長10mm,寬lmm的槽,再把做熱片沿虛線折成“口”形。裝散熱器時先在TDA2822M上放點硅脂(硅脂可剖開3AX31或 3AX81管殼中取)。按圖5-111(a)用細線綁扎緊
。應注意的是把TDA2822M的引腳數寫在散熱片的側面,以免焊接時出錯。加散熱器后,音量開至最大散熱器只暖一點,散熱效果不錯。此法也
于
小集成電路的散熱。我們用兩個功放電路做成隨身聽立體聲功率接續器,來推動兩個小音箱,效果很好。
啊,我直接將管角連上,接上揚聲器,音源,加上6~12V直流電一切OK了。不過換成不同的音源和揚聲器,我發現2822還行。做起來簡單,成本也低,比市場上買的那種便宜的有源音箱強多了。容-源-電-子-網-為你提供技術支持
本文地址:http://m.flswjt.cn/dz/26/2010117192314.shtml
本文標簽:
猜你感興趣:
PL5358 單電池鋰離子/聚合物電池保護集成電路
關鍵詞: 所屬欄目:元器件知識
PL5353A 單電池鋰離子/聚合物電池保護集成電路
關鍵詞: 所屬欄目:元器件知識
1V升壓5V和1.5V升壓5V的集成電路芯片
1.5V和1V輸入,要升壓輸出5V的集成電路芯片合適?
干電池標準電壓是1.5V,放電電壓后面在0.9V-1V左右,如果要選用干電池1.5V升壓到5V的合適的芯片,需要滿足低壓1V或
關鍵詞: 所屬欄目:元器件知識
1.5V升壓3V集成電路升壓芯片-PW5100
干電池1.5V升壓3V的升壓芯片,適用于干電池升壓產品輸出3V供電
1.5V輸入時,輸出3V,電流可達500MA。
PW5100是一款效率大、10uA低功耗
PW5100輸入電壓:0.7V-5V
PW51
關鍵詞: 所屬欄目:元器件知識
勒夫邁|灰塵傳感器可監測集成電路生產過程中接觸到的污
隨著科學技術的發展,許多工業產品的生產加工對生產環境的無塵車間工程中含塵濃度提出高的要求,這就需要其生產環境中具有一定的空氣潔凈等級和控制生產過程所需各類相關物質的供應質量。例如,在膠片生產中,膠片若受到了塵埃的污染,將會發生乳劑氧化,活性減弱,pH值變化等,從而影響膠片的感光性能。下面帶大家了解一下灰塵傳感器用于半導體集成電路生產潔凈室中的解決方案。
關鍵詞: 所屬欄目:傳感器技術
簡易HY-100音樂集成電路
HY-100系列音樂集成電路是一種大規模CMOS集成電路。該電路將包括前置放大器和功率放大器在內的所有電路用CMOS技術集成在一塊25mm*15mm的印制電路板上,在芯片上已焊接有一個68K的電阻,如上圖所示。 :
關鍵詞: 所屬欄目:音頻功放電路
高保真功放集成電路sTK6153組成的2×100W功放電路示意
如圖所示是2×100W雙聲道功率放大器,該電路采用了一塊雙聲道高保真前置放大集成電路sTK3048A和兩塊高保真功放集成電路sTK6153及外圍元器件組成。sTK3048A內部包含兩組獨立的前置激勵運放,具有極低的失真和足夠
關鍵詞: 所屬欄目:音頻功放電路
555集成電路引腳圖管腳圖
555集成定時器是模擬功能和數字邏輯功能相結合的一種雙極型中規模集成器件。外加電阻、電容可以組成性能穩定而精確的多諧振蕩器、單穩電路、施密特觸發器等,應用十分廣泛。555集成電路引腳圖管腳圖 :
關鍵詞: 所屬欄目:音頻功放電路
HY061和HY121可編程音集成電路圖
一次性可編程語音集成路是應用自適應脈碼調制語音合成技術的超大規模CMOS集成電路。現以HY061和HY121電路為例,簡要對它的電路原理進行介紹。 HY061和HY121屬于同一類型集成電路,圖是其電路原理框圖。該電路
關鍵詞: 所屬欄目:音頻功放電路
語音臺成集成電路圖
這類語音集成電路將語音信號處理后,以數字碼形式存儲在只讀存儲器(ROM)中。存儲器ROM分為兩種:一種是掩膜式ROM,這種ROM在工廠中生產時,已用掩膜技術將信息輸入,不能再更改;另一種稱為EPROM,是"一種可擦除式
關鍵詞: 所屬欄目:音頻功放電路
CW9561摸擬聲集成電路圖
CW9561模擬聲集成電路是一種能發出警報聲、汽笛聲、警車聲及機槍聲的集成電路,它的典型應用電路如圖所示。在圖(a)所示電路中,當開關S2分別置于A、B、C位置,電路可分別發出報警聲、汽笛聲和警車聲;當S1開關閉
關鍵詞: 所屬欄目:音頻功放電路
CIC481系列音樂集成電路圖
CIC481系列音樂集成電路是一種包含多首具有鋼琴、風琴、曼陀林三種效果歌曲的集成電路。其中CIC481內含8首樂曲CIC482內含12首樂曲,CIC483內含10首樂曲。樂曲可以單循環或連續地回放。CIC481系列產品采用16腳雙
關鍵詞: 所屬欄目:音頻功放電路
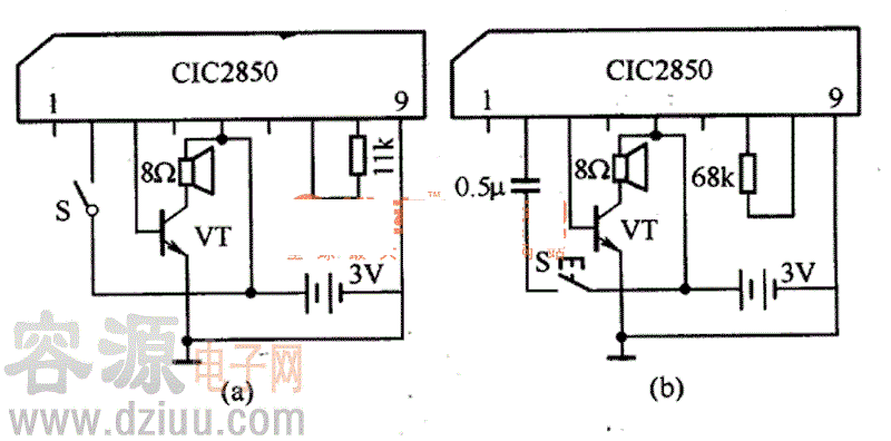
CIC2850/CIC3830系列音樂集成電路圖
CIC2850/CIC3830系列音樂集成電路是單樂曲發生器,它們的外弓線排列及封裝形式為9腳單排直插式塑封,其引腳功能見表,該系列產品輸出樂曲名見表。 CIC2850/CIC3830系列音樂集成電路引腳功能 CIC2850/CIC3
關鍵詞: 所屬欄目:音頻功放電路
HY系列音樂集成電路圖
HY系列音樂集成電路受觸發后立即會輸出音樂信號,奏鳴時間為20s。該系列產品外圍元件少,耗電省,且應用靈活,適用于門鈴、玩具、各種呼叫及報警裝置。該系列產品型號較多,下面僅介紹其中的一部分型號。 (1
關鍵詞: 所屬欄目:音頻功放電路
音樂集成電路的結構及基本工作原理電路圖
音樂集成電路有許多系列,且在控制功能上也各不相同,但它們的基本電路結構和工作原理大都是相同的。 音樂集成電路的內部電路結構如圖所示,它由控制電路、振蕩電路、存儲器(ROM)、節拍發生器、音階發生器、
關鍵詞: 所屬欄目:音頻功放電路
音樂集成電路的封裝形式電路圖
音樂集成電路的封裝形式基本有三種,即雙列直插式塑封,單排直插式塑封及印板黑膏封,如圖所示。 音樂集成電路的封裝形式 :
關鍵詞: 所屬欄目:音頻功放電路
KD-156音樂集成電路圖
KD-156音樂集成電路可發出"叮咯"及鳥鳴兩種聲響,音響純正悅耳,是用來制作電子門鈴的專用集成電路。用這種集成電路制作的電子門鈴電路,如圖所示。圖中的A、B端為兩個觸發信號輸入端,A為正脈沖觸發端,B為負脈
關鍵詞: 所屬欄目:音頻功放電路
雙聲道音頻功放集成電路圖
LA4533M是日本三洋公司生產的雙聲道音頻功率放大集成電路,應用于袖珍收音機,隨身聽等低電壓,小功率的音響系統中較多。 1.LA4533M內電路方框圖及引腳功能 LA4533M集成塊內電路主要由兩路功率放大電路
關鍵詞:功放集成電路 所屬欄目:音頻功放電路
LA458lMB-單片立體聲放音集成電路圖
LA458lMB是日本三洋公司生產的單片放音集成電路,在愛華HS-T系列機型、索尼FX系列機型、三洋的GP系列機型的隨身聽中應用較廣泛。 l·LA458lMB內電路方框圖及引腳功能 LA4581MB集成電路除具有一般立體聲放
關鍵詞:功放集成電路 所屬欄目:音頻功放電路
LAC673-單片立體聲放音集成電路圖
LAC673是日本米茲米公司(MITSVMI)生產的單片立體聲放音集成電路,在進口收放音隨身聽中應用較廣泛。 1.LAC673內框及引腳功能 LAC673集成塊內含雙前置放大、雙功放。直流電子音量控制電路,直流馬達穩速電
關鍵詞:功放集成電路 所屬欄目:音頻功放電路