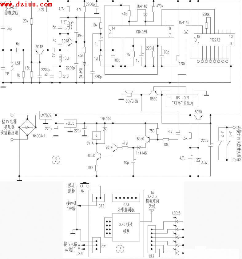
介紹一款無線可視門鈴電路
,對于 用戶
用戶 ,
, 門鈴不
門鈴不 可視功能,但是對于特殊要求的用戶來,可視功能且很有用。下面為你提供電路可視門鈴電路圖。本文由m.flswjt.cn整理提供,部分內容來源于網絡,如有侵犯到你的權利請與我們聯系更正。
可視功能,但是對于特殊要求的用戶來,可視功能且很有用。下面為你提供電路可視門鈴電路圖。本文由m.flswjt.cn整理提供,部分內容來源于網絡,如有侵犯到你的權利請與我們聯系更正。
本文由m.flswjt.cn整理提供,部分內容來源于網絡,如有侵犯到你的權利請與我們聯系更正。

本文地址:http://m.flswjt.cn/dz/25/20101118210021.shtml
本文標簽:
猜你感興趣:
 自制無線可視門鈴電路(一)
					
					自制無線可視門鈴電路(一)
					無