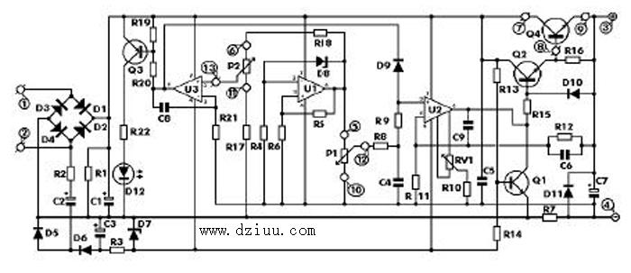
可調穩壓電源電路特點:
    體積小,制作 ,元器件少,操作
,元器件少,操作 。輸出電壓
。輸出電壓
 。輸出電流限制含指示。對超負載或故障提供完整保護。如負載電路短路等
。輸出電流限制含指示。對超負載或故障提供完整保護。如負載電路短路等 有非常好的保護作用。
有非常好的保護作用。
技術參數:
輸入電壓:24V交流。
輸入電流:3A(max)。
輸出電壓:0-30V可調。
輸出電流:2mA--3A。
下面是可調穩壓電源電路圖:

容-源-電-子-網-為你提供技術支持
本文地址:http://m.flswjt.cn/dz/23/2010412215356.shtml
本文標簽:
猜你感興趣:
 可調穩壓電源5-30V 1.5A電路圖
					
					可調穩壓電源5-30V 1.5A電路圖
					
						                        
外部串聯旁路晶體管將500mA的78MG或79MG額定輸出提高到1.5A,以適用于實驗室可調電源。該電路的外部旁路晶體管無短路保護,但文章介紹了怎樣添加具有保護作用的晶體管來避免短路。  :
關鍵詞:可調穩壓電源穩壓電源   所屬欄目:電路圖
					
 0-30V穩壓電源電路圖
					
					0-30V穩壓電源電路圖
					 0-30V可調穩壓電源電路圖
					
					0-30V可調穩壓電源電路圖
					 介紹大功率可調穩壓電源
					
					介紹大功率可調穩壓電源
					 LM317集成可調穩壓電源接線圖
					
					LM317集成可調穩壓電源接線圖
					 基于LM723具有過流保護的直流可調穩壓電源
					
					基于LM723具有過流保護的直流可調穩壓電源
					 TL431作大功率可調穩壓電源
					
					TL431作大功率可調穩壓電源
					 巧用7805制作連續可調穩壓電源
					
					巧用7805制作連續可調穩壓電源
					 3~15V、10A可調穩壓電源制作
					
					3~15V、10A可調穩壓電源制作
					 LM317可調穩壓電源電路圖
					
					LM317可調穩壓電源電路圖
					
						無
關鍵詞:   所屬欄目:電源電路