本文主要介紹DC/DC開關電源中的同步電源與異步電源的區別。
您注意到普遍dcdc電源模塊開關電源電路有同步和異步電源之分了嗎?我們一起尋回以前的記憶再次回顧下開關電源電路的基本拓補和基本原理,同步和非同步之間的區別與性能差異也自見分曉。
開關電源電路中的開關指的是控制電路結構中的開關器件,開關電源電路也是指根據控制電路中元器件的開關動作完成直流電壓升降調節的控制電路。反激、半橋等復雜一點的控制電路結構都是由基本的buck(降壓)、boost(升壓)、buck-boost(升降壓)控制電路演變來的。
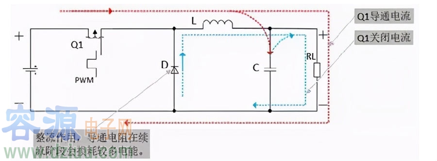
以buck電路為例子,Q1為PWM驅動的MOS開關管。階段Q1導通,電流路徑如圖中紅色標注,此時左側電源根據Q1對電感L和電容C充電儲能并對右側負載RL做功,二極管D是反向截止的。第二階段Q1關閉,電流路徑如圖中藍色標注,此時左側電源開路不對后級控制電路供電,但電感L和電容C中儲存的磁場和電勢根據續流二極管D形成閉合回路并對負載RL做功。調整PWM占空比即可在輸出端得到電源的降壓輸出。

異步電源
上述第二階段續流二極管D導通會消耗一部分的電能,如果用導通電阻極小的MOS管Q2取代二極管D將有效降低續流過程中的損耗,提高效率,尤其是在大電流輸出DCDC電路中更甚。Q2的開關動作要配合Q1實現二極管的整流作用,這個配合過程叫同步,因此同步DCDC就這么得來了,上述用二極管整流的就叫做非同步DCDC。
 
本文地址:http://m.flswjt.cn/dz/23/16158559704245.shtml
本文標簽:
猜你感興趣:
 PL2733A 寬范圍同步降壓控制器
					
					PL2733A 寬范圍同步降壓控制器
					
						
關鍵詞:   所屬欄目:元器件知識
					
 PL5900A 1.2A同步降壓調節器
					
					PL5900A 1.2A同步降壓調節器
					
						
關鍵詞:   所屬欄目:元器件知識
					
 PS7516 2.5A高效同步PWM增壓轉換器
					
					PS7516 2.5A高效同步PWM增壓轉換器
					
						
關鍵詞:   所屬欄目:元器件知識
					
 PS7526 高效 DC-DC 同步整流升壓轉換器
					
					PS7526 高效 DC-DC 同步整流升壓轉換器
					
						
關鍵詞:   所屬欄目:元器件知識
					
 PL7512A 非同步的PWM提升轉換器
					
					PL7512A 非同步的PWM提升轉換器
					
						
關鍵詞:   所屬欄目:元器件知識
					
 PS3120A 低噪聲開關電容器電壓雙倍器
					
					PS3120A 低噪聲開關電容器電壓雙倍器
					
						
關鍵詞:   所屬欄目:元器件知識
					
 FP6396 1.2A同步降壓轉換器
					
					FP6396 1.2A同步降壓轉換器
					
						
關鍵詞:   所屬欄目:元器件知識
					
 FP6378A 2A同步降壓調節器
					
					FP6378A 2A同步降壓調節器
					
						
關鍵詞:   所屬欄目:元器件知識
					
 FR9608 3A同步降壓DC/DC轉換器
					
					FR9608 3A同步降壓DC/DC轉換器
					
						
關鍵詞:   所屬欄目:元器件知識
					
 FR9811 2A同步降壓DC/DC轉換器
					
					FR9811 2A同步降壓DC/DC轉換器
					
						
關鍵詞:   所屬欄目:元器件知識
					
 FP6381A 高效1.5MHz 1.2A同步降壓變頻器
					
					FP6381A 高效1.5MHz 1.2A同步降壓變頻器
					
						
關鍵詞:   所屬欄目:元器件知識
					
 FP6715 5V、2.5A、550 KHz高效低波紋同步升壓轉換器
					
					FP6715 5V、2.5A、550 KHz高效低波紋同步升壓轉換器
					
						
關鍵詞:   所屬欄目:元器件知識
					
 M12266 Type-C輸入3-6節鋰電池同口充放電管理移動電源
					
					M12266 Type-C輸入3-6節鋰電池同口充放電管理移動電源
					
						深圳市永阜康科技有限公司現在大力推廣一顆內置PD3.0/QC3.0等主流快充協議、3-6多節鋰電池移動電源雙向100W快充IC-M12266,配合極簡的外圍電路,即可實現常見便攜電子設備的Type-C快充需求。
關鍵詞:   所屬欄目:電源電路
					
 FR9850 SOT23-6 2A同步降壓芯片 DC-DC轉換器
					
					FR9850 SOT23-6 2A同步降壓芯片 DC-DC轉換器
					
						
關鍵詞:   所屬欄目:集成塊資料
					
 FR9850F 18V、2A同步降壓DC/DC轉換器
					
					FR9850F 18V、2A同步降壓DC/DC轉換器
					
						
關鍵詞:   所屬欄目:集成塊資料
					
 FR9206 SOT23-6 3A同步降壓芯片 DC-DC轉換器
					
					FR9206 SOT23-6 3A同步降壓芯片 DC-DC轉換器
					
						
關鍵詞:   所屬欄目:集成塊資料
					
 FR9206F 18V、3A同步降壓DC/DC轉換器
					
					FR9206F 18V、3A同步降壓DC/DC轉換器
					
						
關鍵詞:   所屬欄目:集成塊資料
					
 FP6730 2A同步降壓芯片 DC-DC轉換器
					
					FP6730 2A同步降壓芯片 DC-DC轉換器
					
						一般說明
FP6730 是電流模式、脈沖寬度調制、升壓型直流/直流轉換器。內置的高壓 N 溝道 MOSFET 允許 FP6730 用于輸出電壓高達24V的升壓應用,以及單端初級電感轉換器(SE
關鍵詞:   所屬欄目:集成塊資料
					
 TD8587 5V 2.1A 1.2MHz同步升壓轉換器芯片
					
					TD8587 5V 2.1A 1.2MHz同步升壓轉換器芯片
					
						一般說明
TD8587是一個同步整流器,固定的開關頻率(典型的1.2MHz),和電流模式的升壓調節器。該設備允許為USB設備使用小型電感器和輸出電容器。該電流模式控制方案具有快速的瞬態響應和良好的輸出電壓精度。
在輕負載下,TD8587將自動進入脈沖調頻(PFM)操作,以減少主要的開關損耗。在PFM運行期間,IC消耗非常低的靜止電流,并在整個負載范圍內保持高效率。TD8587還包括電流限制和過溫停機,以防止在輸出過載時的損壞。
TD8587有ESOP-8軟件包。
關鍵詞:   所屬欄目:集成塊資料
					
 M12229  雙節串聯鋰電池充放電管理的35W移動電源雙向快
					
					M12229  雙節串聯鋰電池充放電管理的35W移動電源雙向快
					
						現在市場上一般采用升降壓型充電管理芯片+快充協議芯片來實現,應用設計及外圍比較復雜。深圳市永阜康科技有限公司現在大力推廣一顆內置PD3.0/QC3.0快充協議升降壓型35W兩節鋰電充放電SOC芯片-M12229,輸入電壓3.3V-20V,最大充電電流5A,最大輸入/輸出功率35W,適用于雙節串聯大容量鋰電池的快速充電場合。
關鍵詞:   所屬欄目:電源電路