下圖是交直流入自動切換電路,市電電壓經變壓器T1降壓后,再經整流、濾波、穩壓后輸出,供負載工作。同時,另一路通過整流、濾波產生的直流電壓經RP分壓加到VT2的基極,VT2導通,VT1截止。當市電中斷時,VT2由導通轉為截止,此時功率場效應管VT1導通,蓄電池通過VT1加于穩壓電路,輸出穩定的直流電壓供負截。由于采用MOSFET進行快速電子切換,本電路達到電源不間斷的目的。

本文地址:http://m.flswjt.cn/dz/23/15444944722729.shtml
本文標簽:
猜你感興趣:
時控開關手動、自動怎么切換?
關鍵詞: 所屬欄目:開關電源電路圖
星三角啟動切換短路原因分析
星三角主張在切換時跳閘”的疑問呈現屢次了,看來這種景象仍是對比廣泛的!說說我的觀念。 1、我不相附和有人說的“Y觸摸器跳開晚了,構成三相短路”的說
關鍵詞:電機控制 所屬欄目:其他文章
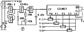
簡易四路視頻信號切換器電路
四路視頻信號切換器電路見圖7."與非"門YF3、YF4組成脈沖振蕩器,振蕩頻率由100k電位器調節.若嫌調節范圍不夠,可適當更換0.47μF電容和100k電阻.脈沖振蕩器受YF1、YF2組成的雙穩態電路的控制,按S1時,YF1輸出低電平
關鍵詞: 所屬欄目:音頻功放電路
應用交流接觸器實現逆變器和市電自動切換
無
關鍵詞: 所屬欄目:電子制作
自制兩路AV切換器
無
關鍵詞: 所屬欄目:家電維修