實用555高壓發生器電路    <<版權聲明:本文由容源電子網(www_dziuu_com)整理提供,部分內容來源于網絡,如有侵犯到你的權利請與我們聯系更正。》
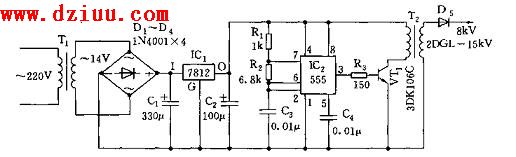
本高壓發生器電路可產生穩定的8KV 的高壓,它電路簡單,穩定可靠。該電路
的高壓,它電路簡單,穩定可靠。該電路 降壓整流、穩壓電路、18kHz多諧振蕩器和升壓變壓器等,其電路如圖
降壓整流、穩壓電路、18kHz多諧振蕩器和升壓變壓器等,其電路如圖 。   <<版權聲明:本文由容源電子網(www_dziuu_com)整理提供,部分內容來源于網絡,如有侵犯到你的權利請與我們聯系更正。》
。   <<版權聲明:本文由容源電子網(www_dziuu_com)整理提供,部分內容來源于網絡,如有侵犯到你的權利請與我們聯系更正。》
    降壓整流電路由降壓變壓器T1和全橋整流器及濾波電容器C1等組成,整流出的15V直流電壓,經三端穩壓器7812穩壓后輸出 12v的穩定直流電壓,為IC2、VT1等提供工作電壓。
   <<版權聲明:本文由容源電子網(www_dziuu_com)整理提供,部分內容來源于網絡,如有侵犯到你的權利請與我們聯系更正。》
    555和R1、R2、C3等組成一個無穩態多諧振蕩器,其振蕩頻率為:
    fc=1.44/(R1 2R2)C3
圖示參數是按18.5kHz設計的。   <<版權聲明:本文由容源電子網(www_dziuu_com)整理提供,部分內容來源于網絡,如有侵犯到你的權利請與我們聯系更正。》
    555輸出的高頻振蕩脈沖經R3限流后,加至高頻放大級VT1的基極。該放大器的負載是升壓變壓器T2,經T2的次級升壓,可使次級輸出達12KV的高壓,再經高壓堆或高壓整流管整流后,可穩定輸出 8KV的直流高壓。   <<版權聲明:本文由容源電子網(www_dziuu_com)整理提供,部分內容來源于網絡,如有侵犯到你的權利請與我們聯系更正。》
    圖中降壓變壓器T1的次級電壓應不低于11V,功率不小于5VA;全橋整流器由四支1N4001組裝而成,也可選用1A/400V的全橋模塊;VT1可選用中功率高頻開關管3DK106C或2SD1062等管型;   <<版權聲明:本文由容源電子網(www_dziuu_com)整理提供,部分內容來源于網絡,如有侵犯到你的權利請與我們聯系更正。》
升壓變壓器T2可使用14英寸電視機行輸出變壓器的磁芯和骨架,初級L1用Φ0.45高強度聚脂漆包線繞制54圈,次級用原高壓包,無須改動。初級線圈繞制后最好烘干并臘封。
   <<版權聲明:本文由容源電子網(www_dziuu_com)整理提供,部分內容來源于網絡,如有侵犯到你的權利請與我們聯系更正。》
溫馨提示:將鼠標指針放在圖片上,滾動鼠標可以動態改變圖片大小,方便分析電路圖。 <<版權聲明:本文由容源電子網(www_dziuu_com)整理提供,部分內容來源于網絡,如有侵犯到你的權利請與我們聯系更正。》
   <<版權聲明:本文由容源電子網(www_dziuu_com)整理提供,部分內容來源于網絡,如有侵犯到你的權利請與我們聯系更正。》
本文地址:http://m.flswjt.cn/dz/21/20111114193908.shtml
本文標簽:
猜你感興趣:
 實用555高壓發生器電路
					
					實用555高壓發生器電路
					無