多媒體技術和網絡與移動通信的飛速發展激發了人們進行視頻信息交流的需求。隨著視頻監控系統逐步向數字化發展。開發新一代基于計算機網絡以及多媒體壓縮算法的視頻監控系統成為行業的主流方向。然而隨著視頻應用的迅速增加,開發者往往需要花費很多時間來熟悉各種多媒體的標準,最終只能通過編寫與改進代碼來進行開發與改變。隨著美國TI公司推出達芬奇(DaVinci)平臺后,這一切都在發生改變。
1 達芬奇技術的主要特點
達芬奇平臺是典型的基于共享存儲的嵌入式多處理(ARM,DSP,VICP,視頻前端和后端等)環境,支持的關鍵技術是片內實現了多通道的交換中心資源(Switch Central Resources,SCR)。基于片內SCR,達芬奇平臺在片內多處理器之間形成了典型的C/S架構:計算能力強大的DSP可以作為服務器提供算法的實時計算服務;帶有JAVA處理能力的ARM9實現網絡,硬盤音視頻I/O等用戶界面。美國TI公司在達芬奇平臺上專門為音視頻編解碼(Codec)多媒體應用精心設計了系統框架,提供了豐富的系統程序接口SPI,應用程序接口API以及視頻,圖像,話音和音頻千余種流媒體算法組件。他們與操作系統,中間件構成了一個應用系統的大部分內容,應用系統開發團隊只需要將他們封裝成運行包,就能得到高可用性和高可靠性的產品。
達芬奇平臺的最大特點就是基于DSP與ARM的SOC芯片,和與之相關的相關軟件,如圖1所示。

圖1 DiVinci軟件框圖
對達芬奇平臺,硬件上給與雙核架構強有力的支持,在DSP端用DPS/BIOS來支持音/視頻算法的運行,在ARM端用MontaVistaLinux(MV)來支持其對外設的管理。對于ARM與DSP之間的數據交叉,則用Codec Engine和Codec Server來加以管理。達芬奇平臺的先進性,對高端音/視頻系統來說,無疑是開發平臺的最好選擇。
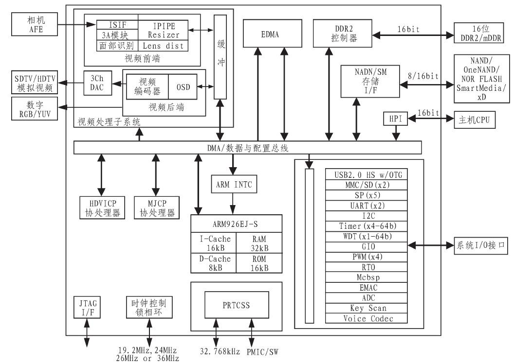
2 TMS320DM365介紹
TI公司的TMS320DM365是一款面向多媒體技術應用的高性能芯片。TM320DM365功能框圖如圖2所示。
圖2 TMS320DM365功能框圖
內核方面TMS320DM365集成ARM926EJ-S.H.264協處理器(HDVICP),MPEG4/JPEG協處理器(MJCP),能以1080p格式與10幀/s的速度提供H.264編解碼功能,和以1080p格式與24幀/s的速度提供MPEG4編解碼功能,以及以720p格式與30幀/s的速度提供H.264或MPEG4編解碼功能。存儲方面擴展存儲器接口EMIFs包括1個16位256 M地址空間的DDR2和mDDR,以及1個16/8位的AEMIF,可擴展的類型有8/16位NAND Flash,16Mb NOR Flash,SRAM,16位OneNAND等。其他外圍擴展控制器還包括16位HPI(Host-Port Interface),2個MMC(Multimedia Card)/SD(Secure Digital)/SDIO接口,1個16位的WDT(Watch DogTimer),5個SPI(Serial Port Interface)接口其中每個具有兩個片選,1個主/從I2C(Inter-Integrated Circuit)總線控制器,1個支持2.0USB OTG接口控制器等。
TMS320DM365集成的ARM926EJ-S處理器包括32 kBRAM、16 kB ROM(用于非AEMIF啟動模式下的ARMbootloader)、16 kB指令緩存、8 kB數據緩存、CP15及MMU等。其中CP15用來對指令、數據緩存、MMU以及其他ARM子系統進行配置及控制。MMU使用統一的TLB來對頁表中存儲的信息進行緩存,并為類似Linux、WindowsCE、ultron以及ThreadX等操作系統提供虛擬內存。該處理器的寫緩沖數據容量高達17 kB,使其可以大幅提高內核的性能。
TMS320DM365中的視頻處理子系統(VPSS)由兩個接口,分別用于視頻捕獲的視頻前段(VPFE)輸入接口和用于圖像顯示的視頻后端(VPBE)輸出接口。圖3為視頻處理子系統系統框圖。

圖3 VPSS系統框圖
VPFE模塊主要用于捕獲視頻信號,也可以直接從前端輸入已有的視頻信號。VPFE輸入接口有1個CCD控制器(CCDC)、1個預處理器、柱狀模塊、自動曝光/白平衡/聚焦模塊(H3A)和寄存器組成。CCDC可以與視頻解碼器、CMOS傳感器或電荷耦合裝置連接;預處理器是一個實時的圖像處理器,它把來自CMOS或CCD的原始圖像從RGB轉變為YUV422的編碼;柱狀模塊和H3A模塊實現基于原始圖像信息的硬件操作。容-源-電-子-網-為你提供技術支持
本文地址:http://m.flswjt.cn/dz/21/15440799852701.shtml
本文標簽:
猜你感興趣:
 可編程展頻振蕩器 YSO171PS系列
					
					可編程展頻振蕩器 YSO171PS系列
					展頻晶振(Spread Spectrum Crystal Oscillator,簡稱SSXO)應運而生。展頻晶振是一種特殊類型的晶體振蕩器,主要依托于擴展頻譜技術。這項技術在抗干擾通信中有著廣泛的應用
 選擇石英晶振時如何逐步確定參數和類型
					
					選擇石英晶振時如何逐步確定參數和類型
					常見的設備頻率參數都在10MHZ到100MHZ之間,還有要確定下是否使用到低頻晶體等。確定晶振參數時要考慮到具體的應用需求,同時核對晶振封裝上的參數標注,確保購買的晶振參數符合我們的要求。
 差分晶振在實際應用中有哪些優勢
					
					差分晶振在實際應用中有哪些優勢
					目前,差分晶振已應用于衛星、火箭等領域。可在通信、導航、汽車、航空航天、國防、工業、電信、消費市場、、固定通信、消費電子、汽車電子、物聯網、手機、對講機、GPS/北斗定位器、汽車電子系統、倒車雷達、小基站、LTE、RFID、激光測距儀、筆記本、平板電腦、數碼套群通信系統、儀器儀表等諸多領域推廣應用。
 高精準360°全景環視機器人 穩定的寬電壓有源晶振 YSO110TR,實現智能機器人應用
					
					高精準360°全景環視機器人 穩定的寬電壓有源晶振 YSO110TR,實現智能機器人應用
					YSO110TR采用主流封裝尺寸3.2*2.5mm,供應穩定,性價比高,使其在智能機器人的集成和布局上更加便捷。同時,它具備寬電壓范圍1.8V-3.3V
 如何在有源晶振十大品牌內按需選擇
					
					如何在有源晶振十大品牌內按需選擇
					在挑選和購買有源晶振時自然要重視品牌的選擇,因此不少用戶都是在有源晶振十大品牌內對比和挑選。
 選晶振時該如何判斷品質好壞
					
					選晶振時該如何判斷品質好壞
					晶振作為重要的電子元器件芯片在很多方面都有應用,當批量購買晶振時自然不能只關注其價格,尤其是在對比預算內的晶振產品時要重視其品質。
 溫度補償晶振也是石英晶體振蕩器之一,簡稱“溫補晶振”
					
					溫度補償晶振也是石英晶體振蕩器之一,簡稱“溫補晶振”
					TCXO溫度補償石英晶體振蕩器是一種通過附加的溫度補償電路來減小因環境溫度變化而引起的振蕩頻率變化的石英晶體振蕩器。
 高精度保障 智能機器人的“心臟”:寬電壓有源晶振YSO110TR
					
					高精度保障 智能機器人的“心臟”:寬電壓有源晶振YSO110TR
					寬電壓有源晶振 YSO110TR的優勢在于其高精度和穩定性。擁有8MHz的頻率輸出,全溫范圍內總頻差僅為±30PPM,YSO110TR保證了機器人系統的高精度控制和穩定運行。無論在-40~+85℃的嚴苛溫度環境下,晶振都能保持穩定的性能,為智能機器人的高精度運動和計算提供可靠的時鐘信號。
 分享 | 可編程晶振芯片幾個知識點
					
					分享 | 可編程晶振芯片幾個知識點
					什么是可編程晶振?可編程晶振多為有源晶振,由兩個芯片組成;一個是全硅MEMS諧振器,一個是具有溫補功能的芯片,可以啟動電路鎖相環CMOS。它采用標準化的半導體芯片MCM封裝。可以采用全自動標準半導體制造工藝
 溫補晶振的5種分類大家要知道
					
					溫補晶振的5種分類大家要知道
					對于溫補晶振分類有溫度補償晶體振蕩器、壓控晶體振蕩器、恒溫晶體振蕩器和數字補償晶體振蕩器,這些都是溫補晶振分類,尤其是每一種都有自己獨特的性能。
 手機車載互聯-有源晶振YSO120TK穩定連接未來
					
					手機車載互聯-有源晶振YSO120TK穩定連接未來
					YSO120TK采用3225 4P主流封裝尺寸,小型化的設計使其在汽車內部布局更加靈活。無論是嵌入式控制器還是車載通信模塊,YSO120TK都能為其提供可靠的時鐘源,為手機車載互聯的順暢體驗提供強有力的支持。
 溫補晶振有什么特性呢
					
					溫補晶振有什么特性呢
					其實對于溫補晶振特點都是需要了解其特性的。溫度補償晶體振蕩器是一種石英晶體振蕩器,它通過加入溫度補償電路來減小環境溫度變化引起的振蕩頻率的變化。具有溫度補償功能的石英晶體振蕩器可分為三類:直接補償、間接補償和數字補償。
 高頻靈活定制-存儲與計算 可編程差分振蕩器YSO210PR應用于服務器與大數據
					
					高頻靈活定制-存儲與計算 可編程差分振蕩器YSO210PR應用于服務器與大數據
					可編程差分振蕩器 YSO210PR在機器人的智能視覺控制、工業屏、望遠鏡等領域具有顯著優勢。其高精度、穩定性和靈活的定制特性使得YSO210PR成為了機器人應用中不可或缺的元器件,為機器人技術的發展和應用提供了強有力的支持。
 溫補晶振是干什么的?這些知識要知道
					
					溫補晶振是干什么的?這些知識要知道
					溫補晶振在無線傳輸的應用中,無線透明傳輸模塊以體積小、功耗低為重要發展指標。在正常工作條件下,常見的晶振頻率的精度可以達到百萬分之五十,而溫補晶振的精度更高。溫度補償晶振由恒溫槽控制電路和振蕩電路組成。通常用熱敏電阻“橋”組成的差分串聯放大器來實現溫度控制。
 智能終端通信利器:低抖動YSO690PR可編程天線完美融合
					
					智能終端通信利器:低抖動YSO690PR可編程天線完美融合
					在通信科技的推動下,智能終端天線和低抖動晶振不斷創新,將引領通信產業進入新的時代。YSO690PR系列作為高性能智能終端通信利器,將為各類智能終端設備提供更加穩定和高效的通信支持,推動科技的蓬勃發展。無論是日常生活還是工業應用,這些優秀的技術將為人們帶來更加便捷、智能的通信體驗。
 使用差分晶振有什么好處呢?
					
					使用差分晶振有什么好處呢?
					其實對于差分晶振的好處有很多,比如差分晶振可以外部電磁干擾(EMI)具有很高的免疫力。一個干擾源對差分信號的每一端的影響程度幾乎相同。由于電壓差決定了信號的值,兩條導線上的任何干擾都將被忽略。除了較不敏感的干擾之外,差分信號比單端信號產生更少的EMI,這是在工業生產中比較常見的。
 YXC有源晶振為功放音響提供時鐘方案
					
					YXC有源晶振為功放音響提供時鐘方案
					在功放音響設備中,晶振作為關鍵的元件,對于電路的穩定性和性能發揮起著至關重要的作用。然而,不正確使用晶振可能導致一系列問題,如播放雜音等,因此對其進行優化十分重要。
 穩定性與高性能的晶體諧振器YSX321SL無源晶振,清晰的可視門鈴體驗
					
					穩定性與高性能的晶體諧振器YSX321SL無源晶振,清晰的可視門鈴體驗
					YSX321SL是一款3225、4P貼片晶振和晶體諧振器,采用先進的陶瓷焊縫工藝制作,確保了產品的高精度、高頻率穩定性和可靠性。無源晶振具有低功耗和低抖動的特點,而貼片式金屬封裝則進一步增強了其性能表現。這種封裝還降低了電磁干擾(EMI)對系統的影響,保證了信號傳輸的穩定性和可靠性。
 YXC晶振解決方案AI服務器中的應用
					
					YXC晶振解決方案AI服務器中的應用
					目前,應用在AI服務器中的振蕩器主要為差分晶振。主要是因為,相比單端輸出振蕩器,差分晶振可以產生高質量的差分時鐘信號,對共模干擾和噪聲具有較強的抵抗能力,能提供大幅度和高頻率的時鐘信號,適合驅動長線路,這些特點很好地滿足AI服務器對穩定高性能運行的要求,所以AI服務器選用差分晶振作為其基準時鐘信號源是十分合理的選擇。
 ACM6252  單相正弦波/方波(BLDC)直流無刷電機驅動IC解決方案
					
					ACM6252  單相正弦波/方波(BLDC)直流無刷電機驅動IC解決方案
					深圳市永阜康科技有限公司現在大力推廣一顆單相正弦波/方波直流無刷電機驅動IC-ACM6252. 工作電壓3.1V-18V、工作電流1.2A, 可覆蓋大多數中小功率(<1A)的風機、泵機類應用。