這個鎳鎘電池自動充電器,具有狀態指示功能。充電時發光二極管發綠光;充滿后,保護電路動作,發光二極管發紅光,指示電池已充滿。當電池充滿后,保護電路自動切斷充電電流,防止過充電。故該充電囂出可對普通鋅錳電池進行充電。 、
工作原理:電路原理見圖 1(電容 C1、二極管 VD1-VD4 構成降壓(限流)、整流電路。由于電容的內阻很大,則輸出近似為恒流,經二極管 VD5-VD7 給電池充電,并在 VD5-VD7 上產生約 2.1V 的電壓降使發光二極管發光(綠色),作為充電指示。三極管 VT 和電位器 RP 組成自動保護電路。當電池充滿后,VT 飽和導通,自動切斷充電電流。同時 A 點電位下降至 0.5V 左右,這時,VB>VA,使紅色發光二極管發光,表示充電結束。

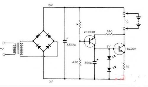
在恒定電流的系列里,給四個尺寸是 D 的電池充電,并且帶有自動電壓限制。BC301 晶體管作為電流源,并且帶有基極電壓,這個電壓用 2 個 LED 穩定在大約 3V。LED 也用來顯示充電狀態。

本文地址:http://m.flswjt.cn/dianlutu/15791403183616.shtml
本文標簽:
猜你感興趣:
 BMS電池管理系統的智能守護者:YSO110TR高精度全溫范圍
					
					BMS電池管理系統的智能守護者:YSO110TR高精度全溫范圍
					
						電壓有源晶振 YSO110TR的優勢在于其高精度和穩定性。10MHz的頻率下,其全溫范圍內總頻差僅為±30PPM,這意味著即使在嚴酷的環境條件下,晶振的頻率波動也非常小,保證了BMS系統的高精度控制和穩定性。無論是在高溫還是低溫環境中,YSO110TR都能保持可靠的性能,為電池管理系統提供持久穩定的時鐘信號
關鍵詞:   所屬欄目:電子基礎
					
 PL5358 單電池鋰離子/聚合物電池保護集成電路
					
					PL5358 單電池鋰離子/聚合物電池保護集成電路
					
						
關鍵詞:   所屬欄目:元器件知識
					
 PL7501C 雙節鋰電池充電管理芯片
					
					PL7501C 雙節鋰電池充電管理芯片
					
						
關鍵詞:   所屬欄目:元器件知識
					
 PL7501CL 雙節鋰電池充電管理芯片
					
					PL7501CL 雙節鋰電池充電管理芯片
					
						
關鍵詞:   所屬欄目:元器件知識
					
 PL7152 雙節可充電鋰電池保護電路
					
					PL7152 雙節可充電鋰電池保護電路
					
						
關鍵詞:   所屬欄目:元器件知識
					
 PL5353A 單電池鋰離子/聚合物電池保護集成電路
					
					PL5353A 單電池鋰離子/聚合物電池保護集成電路
					
						
關鍵詞:   所屬欄目:元器件知識
					
 PL7022/B 雙節可充電鋰電池保護電路
					
					PL7022/B 雙節可充電鋰電池保護電路
					
						
關鍵詞:   所屬欄目:元器件知識
					
 M12266 Type-C輸入3-6節鋰電池同口充放電管理移動電源
					
					M12266 Type-C輸入3-6節鋰電池同口充放電管理移動電源
					
						深圳市永阜康科技有限公司現在大力推廣一顆內置PD3.0/QC3.0等主流快充協議、3-6多節鋰電池移動電源雙向100W快充IC-M12266,配合極簡的外圍電路,即可實現常見便攜電子設備的Type-C快充需求。
關鍵詞:   所屬欄目:電源電路
					
 IU5207/IU5208  Type-C輸入升壓型2/3節鋰電池快充IC解
					
					IU5207/IU5208  Type-C輸入升壓型2/3節鋰電池快充IC解
					
						針對2/3節鋰電池供電的電子設備,最好的方式是采用通用Type-C接口充電,這樣就可以通用Type-C的充電器,便攜式移動電子設備出廠時搭配一根充電線就完美的解決上述應用的困擾,節省終端產品整機成本,避免材料的浪費。深圳市永阜康科技有限公司推出針對2/3節鋰電池充電應用,大力推廣Type-C輸入升壓型2/3節鋰電池快充IC系列-IU5207/IU5208,芯片極具性價比,應用簡單。
關鍵詞:   所屬欄目:電源電路
					
 TP4055 500mA 線性鋰離子電池充電器
					
					TP4055 500mA 線性鋰離子電池充電器
					
						描述
TP4055 是一款完整的單節鋰離子電池充電器,帶電池正負極反接保護,采用恒定
電流/恒定電壓線性控制。其 SOT 封裝與較少的外部元件數目使得 TP4055 成為便攜式應用的理想選擇。TP4055 可以適合 USB 電源和適配器電源工作。
由于采用了內部 PMOSFET 架構,加上防倒充電路,所以不需要外部檢測電阻器和
隔離二極管。熱反饋可對充電電流進行自動調節,以便在大功率操作或高環境溫度條件下對芯片溫度加以限制。充滿電壓固定于 4.2V,而充電電流可通過一個電阻器進行外部設置。當電池達
關鍵詞:   所屬欄目:集成塊資料
					
 TP4054 線性鋰離子電池充電器
					
					TP4054 線性鋰離子電池充電器
					
						概述
TP4054 是一款完整的單節鋰離子電池采用恒定電流/恒定電壓線性充電器。其 SOT
封裝與較少的外部元件數目使得 TP4054 成為便攜式應用的理想選擇。TP4054 可以適合USB 電源和適配器電源工作。
由于采用了內部 PMOSFET 架構,加上防倒充電路,所以不需要外部檢測電阻器和
隔離二極管。熱反饋可對充電電流進行調節,以便在大功率操作或高環境溫度條件下對芯片溫度加以限制。充電電壓固定于 4.2V,而充電電流可通過一個電阻器進行外部設置。當充電電流在達到最終浮充電壓之后降至設定值
關鍵詞:   所屬欄目:集成塊資料
					
 鋰電池、鉛酸電池供電的戶外藍牙音箱如何選擇合適的升
					
					鋰電池、鉛酸電池供電的戶外藍牙音箱如何選擇合適的升
					
						深圳市永阜康科技有限公司一直致力音頻領域芯片的推廣,總結市場應用痛點,現推薦一套升壓+功放IC搭配應用組合,涵蓋20-60W單雙聲道的應用。升壓芯片、功放芯片系列管腳兼容,實現同一PCB,不同功率要求無縫切換,避免重復開發工作,縮短項目周期。
關鍵詞:   所屬欄目:音頻功放電路
					
 M12229  雙節串聯鋰電池充放電管理的35W移動電源雙向快
					
					M12229  雙節串聯鋰電池充放電管理的35W移動電源雙向快
					
						現在市場上一般采用升降壓型充電管理芯片+快充協議芯片來實現,應用設計及外圍比較復雜。深圳市永阜康科技有限公司現在大力推廣一顆內置PD3.0/QC3.0快充協議升降壓型35W兩節鋰電充放電SOC芯片-M12229,輸入電壓3.3V-20V,最大充電電流5A,最大輸入/輸出功率35W,適用于雙節串聯大容量鋰電池的快速充電場合。
關鍵詞:   所屬欄目:電源電路
					
 IU5302 充滿轉燈截止電壓可調的2A單節磷酸鐵鋰電池/鋰
					
					IU5302 充滿轉燈截止電壓可調的2A單節磷酸鐵鋰電池/鋰
					
						現在市場上常見的充電芯片,恒壓充電電壓(俗稱轉燈電壓、充滿截止電壓等)一般是固定的。如鋰電池的充電管理芯片一般為4.2V,磷酸鐵鋰電池的充電芯片一般為3.6V,無法滿足各種不同類型電池的充電應用。深圳市永阜康科技有限公司總結充電管理芯片的應用痛點,大力推廣一款2A同步降壓型充電管理IC-IU5302,恒壓充電電壓可調(2V-5V)、可以滿足單節磷酸鐵鋰電池、鋰電池及其它類型電池的充電需求。
關鍵詞:   所屬欄目:電源電路
					
 ACM3108/ACM3128/ACM3129立體聲D類功放芯片系列動態調
					
					ACM3108/ACM3128/ACM3129立體聲D類功放芯片系列動態調
					
						深圳市永阜康科技有限公司現在大力推廣具備動態調整升壓CLASS H功能的D類功放芯片系列-ACM31XX系列,功率覆蓋單聲道10W-100W、雙聲道2*10W-2*50W,供電滿足1-5串鋰電池及鉛酸電池的應用,能夠保證足夠功率輸出及音質體驗的前提下,極大延長電池的續航時間。
關鍵詞:   所屬欄目:音頻功放電路
					
 干電池升壓IC 3.3V的電源芯片PW5100
					
					干電池升壓IC 3.3V的電源芯片PW5100
					
						PW5100 的工作頻率高達 1.2MHz,其目的是為了能夠減小外部的電感尺寸和輸出電容容值,故 PW5100 只需要 1uH 以上的電感就可以保證正常工作,
但是輸出端如果需要輸出大電流負載(例如:輸出電流大于 200mA),為了提高工作效率,建議使用較大一點的電感。
同時輕載應用,輸出電流10M,50MA左右時,建議使用大的的電感如6.8UH。
關鍵詞:   所屬欄目:電子器材
					
 鋰電池充放電管理 (輸入5V輸出1.5V)ZCC5600
					
					鋰電池充放電管理 (輸入5V輸出1.5V)ZCC5600
					
						
關鍵詞:   所屬欄目:電源電路
					
 TP8312 滿足0.9V低電壓工作的一節兩節干電池升壓IC解決
					
					TP8312 滿足0.9V低電壓工作的一節兩節干電池升壓IC解決
					
						深圳市永阜康科技有限公司針對1-2節干電池及鋰電池供電的移動設備應用需求,現在大力推廣一顆具備3uA超低靜態電流、最低啟動電壓0.65V低功耗同步升壓IC-TP8312。
關鍵詞:   所屬欄目:電源電路
					
 氧含量測量方法:燃料電池法
					
					氧含量測量方法:燃料電池法
					
						   氧含量檢測廣泛應用于熱能、冶金、化學化工、氣體生產和電子工業等眾多領域。隨著氣體分析儀器的不斷發展,相比手工分析方法,氧氣體分析儀具有準確度高、穩定性好、響應
關鍵詞:   所屬欄目:其他文章
					
 高性能導熱硅膠片為高品質車載充電器散熱設計提供解決
					
					高性能導熱硅膠片為高品質車載充電器散熱設計提供解決
					
						車載充電器散熱應用的導熱硅膠片需滿足:導熱性能要好、柔軟、耐高溫、耐高低溫、高可靠性且安全環保。兆科電子嚴守品質關,以高標準來嚴格要求自己,在選擇車載充電器導熱界面材料方案也不例外。兆科導熱材料生產廠推薦一款TIF100-02S導熱硅膠片產品,導熱系數為1.5W/mK,耐溫范圍-40 To 160 ℃,可按客戶需求裁切所需尺寸與形狀,滿足高品質車載充電器散熱設計方案。
關鍵詞:   所屬欄目:車載功放電路