評估音箱檔次,聽覺感受是重要的一環,也就是俗稱的音質體驗。提升音質的方式方法很多,比如從電子電路下手提升音頻功放輸出功率,降低失真度;調整頻率響應以補償揚聲器或者腔體某些頻點的不足等等。而分頻是一種提升音質非常有效的方法。因為針對低頻,中頻,或者高頻這種相對頻帶較窄的揚聲器很好做,效果也很好。但20Hz~20kHz音頻全頻帶的揚聲器就較難做得好,或者需要成本很高的材料才能做出效果較好的全頻喇叭。采用2.1聲道組合屬于電子分頻的范疇,是提升音箱音質的一貫做法。便攜式藍牙音箱也一樣,做成移動2.1聲道音箱,也是提升音質效果的一種好辦法。尤其是震撼的低音聽覺體驗是雙聲道或者單喇叭很難比擬的。
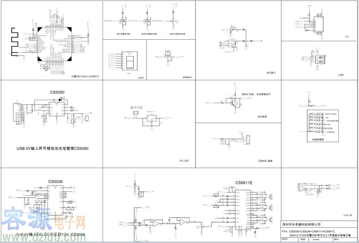
深圳市永阜康科技有限公司推出基于CS8611E單芯片移動2.1聲道藍牙音箱解決方案。采用雙節鋰電池串聯8.4V做電源,再加一個升壓芯片CS5036E升壓到12V給CS8611E供電,實現20W+2×10W輸出;而充電采用CS5090E USB 5V輸入兩節鋰電池串聯8.4V充電管理芯片,非常方便。在鋰電池為電源的狀態下提供媲美傳統2.1音箱的聽覺體驗。
整體功能框圖如下:

一. 設計說明:
此方案是20W+2×10W移動2.1音頻放大升壓充電管理組合參考設計。電源是兩節串聯18650電池,分為三個主要級:
1,采用CS5090升壓型雙節鋰電充電IC,省掉傳統的外接適配器,用一根USB線實現給兩節鋰電充電;
CS5090E是一款USB_5V輸入用于兩節鋰電池串聯8.4V充電管理芯片。內置完整的涓流,恒流,恒壓充電過程。最大的特點是輸入自適應功能,任何大小電流的USB接口都可以正常充電,最大充電電流1.5A。另外,具備各種安全可靠的保護措施以及充電狀態指示,還帶了NTC溫度控制功能。
CS5090E腳位圖以及管腳說明

2,兩節鋰電池串聯8.4V做電源,通過升壓芯片CS5036E升壓到12V給功放IC供電;
CS5036E是一款內置12A,MOS高效DC-DC升壓轉換芯片。外圍極其簡潔,輸入電壓范圍寬3V~12V,效率高達93%以上。限流值外圍可調,方便匹配電池。采用EQA16封裝,具備過溫保護,過壓保護等功能。
CS5036E腳位圖以及管腳說明

3,音頻功率放大芯片采用CS8611E,在12V電壓提供20W+2×10W功率輸出;
CS8611E是一款2×15W+30W專用2.1聲道D類音頻功率放大器。先進的EMI抑制技術使得在輸出端口采用廉價的磁珠濾波器就可以滿足EMC要求。再加上擴頻工作模式,FM收音機也獲得較理想的收臺效果。另外,高達90%以上的效率使得在播放音樂的時候不需要額外的散熱器。
CS8611E腳位圖以及管腳說明

二.CS5090E+CS5036E+CS8611E+AC6951C整體板原理圖

三.CS8611E _2.1聲道音頻功放部分原理圖

容-源-電-子-網-為你提供技術支持
非常感謝用戶yongfukang 的投稿!
本文地址:http://m.flswjt.cn/gongfangdianlu/z/15922012533864.shtml
本文標簽:
猜你感興趣:
PL2303 PFM升壓 DC-DC 變換器
關鍵詞: 所屬欄目:元器件知識
PS7516 2.5A高效同步PWM增壓轉換器
關鍵詞: 所屬欄目:元器件知識
PL7501C 雙節鋰電池充電管理芯片
關鍵詞: 所屬欄目:元器件知識
PL7501CL 雙節鋰電池充電管理芯片
關鍵詞: 所屬欄目:元器件知識
PL7152 雙節可充電鋰電池保護電路
關鍵詞: 所屬欄目:元器件知識
PL7022/B 雙節可充電鋰電池保護電路
關鍵詞: 所屬欄目:元器件知識
PS7526 高效 DC-DC 同步整流升壓轉換器
關鍵詞: 所屬欄目:元器件知識
PL7512A 非同步的PWM提升轉換器
關鍵詞: 所屬欄目:元器件知識
JD6621 快速充電協議,USB-PD 3.0與PPS控制器
關鍵詞: 所屬欄目:元器件知識
FP6601AA USB Type-A 快速充電協議控制器
關鍵詞: 所屬欄目:元器件知識
FP6606C USB類型-C和PD充電控制器
關鍵詞: 所屬欄目:元器件知識
FP6715 5V、2.5A、550 KHz高效低波紋同步升壓轉換器
關鍵詞: 所屬欄目:元器件知識
FP6601Q QC2.0/3.0快速充電芯片
關鍵詞: 所屬欄目:元器件知識
FP6606AC USB雙端口充電控制器
關鍵詞: 所屬欄目:元器件知識
PL513/PL515 單/雙口 USB 充電協議端口控制器
關鍵詞: 所屬欄目:元器件知識
YSX530GA高可靠性陶瓷晶體助力歐標充電樁性能提升
​隨著新能源車輛的普及,充電基礎設施的建設也日益發展。新能源充電樁行業中,穩定的頻率控制和精準的信號輸出對于充電設備的性能和可靠性至關重要。為滿足這一需求,XG1SI-111-13.56M陶瓷晶體YSX530GA,為歐標充電槍的穩定工作提供了可靠保障。
關鍵詞: 所屬欄目:元器件知識
IU5207/IU5208 Type-C輸入升壓型2/3節鋰電池快充IC解
針對2/3節鋰電池供電的電子設備,最好的方式是采用通用Type-C接口充電,這樣就可以通用Type-C的充電器,便攜式移動電子設備出廠時搭配一根充電線就完美的解決上述應用的困擾,節省終端產品整機成本,避免材料的浪費。深圳市永阜康科技有限公司推出針對2/3節鋰電池充電應用,大力推廣Type-C輸入升壓型2/3節鋰電池快充IC系列-IU5207/IU5208,芯片極具性價比,應用簡單。
關鍵詞: 所屬欄目:電源電路
SD6271 1MHz,2A升壓電流模式PWM轉換器
一般說明
SD6271是一個電流模式升壓DC-DC轉換器。它的PWM電路內置0.25Q功率MOSFET使該調節器高效。內部補償網絡還最小化多達6個外部組件計數。誤差放大器的非反相輸入連接到一個0.6V的精度參考電壓,其整數啟動功能可以降低涌入電流。
SD6271可在“SOT23-6L”軟件包中使用,并為應用程序領域提供了節省空間的PCB。
關鍵詞: 所屬欄目:集成塊資料
TP4055 500mA 線性鋰離子電池充電器
描述
TP4055 是一款完整的單節鋰離子電池充電器,帶電池正負極反接保護,采用恒定
電流/恒定電壓線性控制。其 SOT 封裝與較少的外部元件數目使得 TP4055 成為便攜式應用的理想選擇。TP4055 可以適合 USB 電源和適配器電源工作。
由于采用了內部 PMOSFET 架構,加上防倒充電路,所以不需要外部檢測電阻器和
隔離二極管。熱反饋可對充電電流進行自動調節,以便在大功率操作或高環境溫度條件下對芯片溫度加以限制。充滿電壓固定于 4.2V,而充電電流可通過一個電阻器進行外部設置。當電池達
關鍵詞: 所屬欄目:集成塊資料
TP4054 線性鋰離子電池充電器
概述
TP4054 是一款完整的單節鋰離子電池采用恒定電流/恒定電壓線性充電器。其 SOT
封裝與較少的外部元件數目使得 TP4054 成為便攜式應用的理想選擇。TP4054 可以適合USB 電源和適配器電源工作。
由于采用了內部 PMOSFET 架構,加上防倒充電路,所以不需要外部檢測電阻器和
隔離二極管。熱反饋可對充電電流進行調節,以便在大功率操作或高環境溫度條件下對芯片溫度加以限制。充電電壓固定于 4.2V,而充電電流可通過一個電阻器進行外部設置。當充電電流在達到最終浮充電壓之后降至設定值
關鍵詞: 所屬欄目:集成塊資料