DC/DC開關穩壓器電路圖
LM25576 : 3A 單片降壓開關穩壓器
今年 NSC( 美國國家半導體公司 ) 先后推出了 6 款 SIMPLE SWITCHER 系列電壓變換器, LM25576 是其中的最新成員,它采用模擬電流控制模式 (ECM) ,降壓式電路結構,內部集成了 170m Ω的 N 溝道 MOSFET 功率開關,適應 6V ~ 42V 的直流輸入電壓,開關頻率由外部電阻在 50kHz-1000kHz
自由選擇,連續電流輸出能力 3A 。
LM25576 設置了單獨的使能控制端子 (2 腳 ) 、軟啟動端子 (11 腳 ) 、頻率同步端子 (5 腳 ) ,允許使用系統頻率
多片 IC 以同一頻率協同工作。 LM25576 集成的保護控制功能
逐周期限流控制、短路保護以及過熱關斷功能,
還提供網上 EDA 在線工具 WEBENCH 支持。
SIMPLE SWITCHER 系列降壓穩壓器的主要特征是首次使用了獲得專利的 ECM 技術。使用此項技術的該系列降壓穩壓器在適應寬范圍輸入電壓的
,開關頻率最高達到了 1MHz ,而且提高了 PWM 信號的控制精度,從而提高了電源在輕載/空載條件下的動態性能。
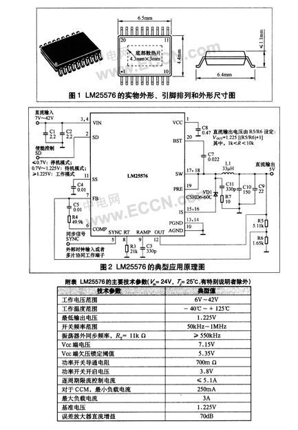
LM25576 采用底部帶有散熱焊盤的 20 引腳的 TSSOP20 封裝,它的實物圖形、引腳排列和外形尺寸參見圖 1 ,主要技術參數見附表,引腳定義和典型應用原理圖參見圖 2 ,

本文地址:http://m.flswjt.cn/dz/23/201064222548.shtml
本文標簽:
猜你感興趣:
FR9608 3A同步降壓DC/DC轉換器
關鍵詞: 所屬欄目:元器件知識
FR9811 2A同步降壓DC/DC轉換器
關鍵詞: 所屬欄目:元器件知識
FR9850F 18V、2A同步降壓DC/DC轉換器
關鍵詞: 所屬欄目:集成塊資料
FR9206F 18V、3A同步降壓DC/DC轉換器
關鍵詞: 所屬欄目:集成塊資料
PW2558芯片DC/DC應用電路圖及參數
說明
PW2558開發了一種高效的異步降壓DC/DC調節器輸出0.8A電流。集成電路采用電流模式自適應恒關斷時間控制。這個PW2558可在4.5V至55V的寬輸入電壓范圍內工作,并將主開關
關鍵詞: 所屬欄目:元器件知識
CS5005 無電感電荷泵DC/DC小電流300mA升壓IC
CS5005S輸出電流高達300mA,效率80%以上。內部采用低噪聲半導體工藝加上恒定頻率工作模式實現超高信噪比。針對FM收音、無線麥V段頻率,芯片內部特殊的處理,使得這兩個應用場景最大程度實現良好的接收效果。CS5005S內置軟起動電路可在啟動期間防止出現過大的浪涌電流。具備可靠的短路保護以及過熱保護功能。采用精簡的SOT23-6封裝,外圍只需三個2.2uF瓷片小電容。廣泛應用于3.7V單節鋰電池供電
關鍵詞: 所屬欄目:電源電路
LA6350大功率開關穩壓電源電路圖
LA6350大功率開關穩壓電源電路圖 電路如圖所示,電路采用該芯片制作的輸出電流可達10A,輸出電壓在5-12V內可調的實用大功率開關型穩壓電源。其工作原理為:220V交流電源經
關鍵詞:可調穩壓電源開關穩壓電源 所屬欄目:開關電源電路圖
簡易3V-12V DC/DC變換電路原理圖
3V/12V DC/DC變換電路:LT1109為三端器件,沒有關閉電源控制端。若外接一些元件可組成有關閉功能的電路。FET的柵極為低電平時,電源關閉,靜態電流等于零。 :
關鍵詞: 所屬欄目:開關電源電路圖
LTC3722-1控制的大功率DC/DC電路圖
LTC3722 - 1相移式PWM控制器提供了全橋零電壓開關(ZVS)能做高效率轉換的全部控制功能。自適應方式的ZVS電路延遲功能將開啟信號提供給每個MOSFET以克服各個元件的偏差,手動設置延遲的
關鍵詞: 所屬欄目:電路圖
幾種7805三端穩壓集成電路構成的恒流、調光、調壓電路
7805三端穩壓集成電路對于電子愛好者都很熟悉,其優點是外圍元器件少,價格低制作簡單等特點,廣泛用于各種電子電路中來產生5V的穩定電壓。除了7805三端穩壓集成電路制作穩壓電源外,還可以對外圍元器件做一些修改,可以制作成恒流,調光等一些其他應用電路,本文將詳細介紹:
關鍵詞:三端穩壓電路穩壓電路穩壓電源 所屬欄目:電路圖
TOP系列穩壓集成電路基本參數
無
關鍵詞: 所屬欄目:集成塊資料
TNY系列穩壓集成電路基本參數
無
關鍵詞: 所屬欄目:集成塊資料
轉:無變壓器的大功率開關穩壓電源
轉:升壓式DC/DC變換器原理
無
關鍵詞: 所屬欄目:電源電路
教你DC/DC轉換器讓您的電力更持久
無
關鍵詞: 所屬欄目:電源電路
基于PWM電流型DC/DC變換器的研究
無
關鍵詞: 所屬欄目:電源電路
常用穩壓電源管理IC
開關直流電源的五大分類
巧用7805制作連續可調穩壓電源
7805穩壓電源電路圖