固態繼電器的分類與工作原理如下:
1.  固態繼電器(Solid State Relays,縮寫SSR)是一種無觸點電子開關,由分立元器件、膜固定電阻網絡和芯片,采用混合工藝組裝來實現控制回路(輸入電路)與負載回路(輸出電路)的電隔離及信號耦合,由固態器件實現負載的通斷切換功能,內部無任何可動部件。盡管市場上的固態繼電器型號規格繁多,但它們的工作原理基本上是相似的。主要由輸入(控制)電路,驅動電路和輸出(負載)電路三部分組成。 
固態繼電器的輸入電路是為輸入控制信號提供一個回路,使之成為固態繼電器的觸發信號源。固態繼電器的輸入電路多為直流輸入,個別的為交流輸入。直流輸入電路又分為阻性輸入和恒流輸入。阻性輸入電路的輸入控制電流隨輸入電壓呈線性的正向變化。恒流輸入電路,在輸入電壓達到一定值時,電流不再隨電壓的升高而明顯增大,這種繼電器可適用于相當寬的輸入電壓范圍。 
固態繼電器的驅動電路可以包括隔離耦合電路、功能電路和觸發電路三部分。隔離耦合電路,目前多采用光電耦合器和高頻變壓器兩種電路形式。常用的光電耦合器有光-三極管、光-雙向可控硅、光-二極管陣列(光-伏)等。高頻變壓器耦合,是在一定的輸入電壓下,形成約10MHz的自激振蕩,通過變壓器磁芯將高頻信號傳遞到變壓器次級。功能電路可包括檢波整流、過零、加速、保護、顯示等各種功能電路。觸發電路的作用是給輸出器件提供觸發信號。 
固態繼電器的輸出電路是在觸發信號的控制下,實現固態繼電器的通斷切換。輸出電路主要由輸出器件(芯片)和起瞬態抑制作用的吸收回路組成,有時還包括反饋電路。目前,各種固態繼電器使用的輸出器件主要有晶體三極管(Transistor)、單向可控硅(Thyristor或SCR)、雙向可控硅(Triac)、MOS場效應管(MOSFET)、絕緣柵型雙極晶體管(IGBT)等。
固態繼電器原理 固態繼電器(Solidstate Relay, SSR)是一種由固態電子組件組成的新型無觸點開關,利用電子組件(如開關三極管、雙向可控硅等半導體組件)的開關特性,達到無觸點、無火花、而能接通和斷開電路的目的,因此又被稱為“無觸點開關”。相對于以往的“線圈—簧片觸點式”繼電器(Electromechanical Relay, EMR),SSR沒有任何可動的機械零件,工作中也沒有任何機械動作,具有超越EMR的優勢,如反應快、可靠度高、壽命長(SSR的開關次數可達108"109次,比一般EMR的106高出百倍)、無動作噪聲、耐震、耐機械沖擊、具有良好的防潮防霉防腐特性。這些特點使SSR在軍事、化工、和各種工業民用電控設備中均有廣泛應用。固態繼電器的控制信號所需的功率極低,因此可以用弱信號控制強電流。同時交流型的SSR采用過零觸發技術,使SSR可以安全地用在計算機輸出接口,不會像EMR那樣產生一系列對計算機的干擾,甚至會導致嚴重當機。比較常用的是DIP封裝的型式?刂齐妷汉拓撦d電壓按使用場合可以分成交流和直流兩大類,因此會有DC-AC、DC-DC、AC-AC、AC-DC四種型式,它們分別在交流或直流電源上做負載的開關,不能混用.
按負載電源的類型不同可將SSR分為交流固態繼電器(AC—SSR)和直流固態繼電器(DC—SSR)。AC—SSR是以雙向晶閘管作為開關器件,用來接通或斷開交流負載電源的固態繼電器。AC—SSR的控制觸發方式不同,又可分為過零觸發型和隨機導通型兩種。過零觸發型AC—SSR是當控制信號輸入后,在交流電源經過零電壓附近時導通,故干擾很小。隨機導通型AC—SSR則是在交流電源的任一相位上導通或關斷,因此在導通瞬間可能產生較大的干擾。
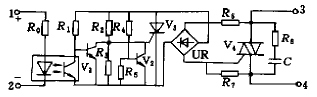
1.2       工作原理
過零觸發型AC—SSR為四端器件,其內部電路如圖1所示。1、2為輸入端,3、4為輸出端。R0為限流電阻,光耦合器將輸入與輸出電路在電氣上隔離開,V1構成反相器,R4、R5、V2和晶閘管V3組成過零檢測電路,UR為雙向整流橋,由V3和UR用以獲得使雙向晶閘管V4開啟的雙向觸發脈沖,R3、R7為分流電阻,分別用來保護V3和V4,R8和C組成浪涌吸收網絡,以吸收電源中帶有的尖峰電壓或浪涌電流,防止對開關電路產生沖擊或干擾。 

要指出的是所謂“過零”并非真的必須是電源電壓波形的零處,而一般是指在10~25V或-(10~25)V區域內進行觸發,如圖2所示。圖中交流電壓分三個區域,Ⅰ區為-10V~+10V范圍,稱為死區,在此區域中加入輸入信號時不能使SSR導通。Ⅱ區為10~25V和-(10~25)V范圍,稱為響應區,在此區域內只要加入輸入信號,SSR立即導通。Ⅲ區為幅值大于25V的范圍,稱為抑制區在此區域內加入輸入信號,SSR的導通被抑制。 

    當輸入端未加電壓信號時,光耦合器的光敏晶體管因未接收光而截止,V1飽和,V3和V4因無觸發電壓而截止,此時SSR關閉。當加入輸入信號時,光耦合器中的發光二極管發光,光敏晶體管飽和,使V1截止。此時若V3兩端電壓在-(10~25)V或10~25V范圍內時,只要適當選擇分壓電阻R4和R5,就可使V2截止,這樣使V3觸發導通,從而使V 4的控制極上得到從R6→UR→V 3→UR→R7或反方向的觸發脈沖,而使V4導通,使負載接通交流電源。而若交流電壓波形在圖2中的Ⅲ區內時,則因V2飽和而抑制V3和V4的導通,而使SSR被抑制,從而實現了過零觸發控制。由于10~25V幅值與電源電壓幅值相比可近似看作“零”。因此,一般就將過零電壓粗略地定義為0~±25V,即認為在此區域內,只要加入輸入信號,過零觸發型AC—SSR都能導通。
    當輸入端電壓信號撤除后,光耦合器中的光敏晶體管截止,V1飽和,V3截止,但此時V4仍保持導通,直到負載電流隨電源電壓減小到小于雙向晶閘管的維持電流時,SSR才轉為截止。
    SSR的輸出端器件可分為雙向晶閘管和兩只單向晶閘管反并聯形式。若負載為電動機一類的感性負載,則其靜態電壓上升率dv/dt是一個重要參數。由于單向晶閘管靜態電壓上升率(200V/μs)大大高于雙向晶閘管的換向指標(10V/μs),因此若采用兩只大功率單向晶閘管反并聯代替雙向晶閘管,一方面可提高輸出功率;另一方面也可提高耐浪涌電流的沖擊能力,這種SSR稱為增強型SSR。 
2.  選型使用時應注意事項 
      2.1在選用小電流規格印刷電路板使用的固態繼電器時,因引線端子為高導熱材料制成,焊接時應在溫度小于250℃、時間小于10S的條件下進行,如考慮周圍溫度的原因,必要時可考慮降額使用,一般將負載電流控制在額定值的 1/2以內使用。 
     2.2各種負載浪涌特性對SSR的選擇 
       許多被控負載在接通瞬間會產生很大的浪涌電流,由于熱量來不及散發,很可能使SSR內部可控硅損壞,所以用戶在選用繼電器時應對被控負載的浪涌特性進行分析,然后再選擇繼電器。使繼電器在保證穩態工作前提下能夠承受這個浪涌電流,選擇時可參考表2各種負載時的降額系數(常溫下)。 
      如所選用的繼電器需在工作較頻繁、壽命以及可靠性要求較高的場合工作時,則應在表2的基礎上再乘以0.6以確保工作可靠。 
       一般在選用時遵循上述原則,在低電壓要求信號失真小可選用采用場效應管作輸出器件的直流固態繼器;如對交流阻性負載和多數感性負載,可選用過零型繼電器,這樣可延長負載和繼電器壽命,也可減小自身的射頻干擾。如作為相位輸出控制時,應選用隨機型固態繼電器。 
      2.3 使用環境溫度的影響 
       固態繼電器的負載能力受環境溫度和自身溫升的影響較大,在安裝使用過程中,應保證其有良好的散熱條件,額定工作電流在10A以上的產品應配散熱器,100A 以上的產品應配散熱器加風扇強冷 。在安裝時應注意繼電器底部與散熱器的良好接觸 ,并考慮涂適量導熱硅脂以達到最佳散熱效果。 
      如繼電器長期工作在高溫狀態下(40℃~80℃)時,用戶可根據廠家提供的最大輸出電流與環境溫度曲線數據,考慮降額使用來保證正常工作。  
      2.4 過流、過壓保護措施 
      在繼電器使用時,因過流和負載短路會造成SSR內部輸出可控硅永久損壞 ,可考慮在控制回路中增加快速熔斷器和空氣開關予以保護型(選擇繼電器應選擇產品輸出保護,內置壓敏電阻吸收回路和RC緩沖器,可吸收浪涌電壓和提高dv/dt耐量);也可在繼電器輸出端并接 RC吸收回路和壓敏電阻(MOV)來實現輸出保護。選用原則是220V選用500V-600V壓敏電阻,380V時可選用800V-900V壓敏電阻。 
      2.5 繼電器輸入回路信號 
       在使用時因輸入電壓過高或輸入電流過大超出其規定的額定參數時,可考慮在輸入端串接分壓電阻或在輸入端口并接分流電阻,以使輸入信號不超過其額定參數值。 
      2.6 在具體使用時,控制信號和負載電源要求穩定,波動不應大于10%,否則應采取穩壓措施。 
      2.7 在安裝使用時應遠離電磁干擾,射頻干擾源,以防繼電器誤動失控。 
      2.8 固態繼電器開路且負載端有電壓時,輸出端會有一定的漏電流,在使用或設計時應注意。 
      2.9 固態繼電器失效更換時,應盡量選用原型號或技術參數完全相同的產品,以便與原應用線路匹配,保證系統的可靠工作。
本文地址:http://m.flswjt.cn/dz/21/2009624220702.shtml
本文標簽:
猜你感興趣:
 一文告訴你繼電器是什么及種類
					
					一文告訴你繼電器是什么及種類
					繼電器是什么?種類有哪些?通過下面內容的介紹,大家都會有繼電器有一個全新的認識,如果大家閱讀完本文還有不明白的地方可以在本文下方留言。
 時控開關和時間繼電器怎么接線?
					
					時控開關和時間繼電器怎么接線?
					
 定時開關和時間繼電器有什么區別?
					
					定時開關和時間繼電器有什么區別?
					定時開關和時間繼電器都是電路中常用的電子元器件,都是對時間進行調整,應用對象都是時間,兩者之間有什么不同。
 三相交流固態繼電器(接觸器)接線圖
					
					三相交流固態繼電器(接觸器)接線圖
					三相交流固態繼電器是集三只單相交流固態繼電器為一體,以單一輸入端對三相負載進行直接開關切換,并可以用幾毫安的微小信號來控制大功率負載的起動與切斷的開關器件。三相交流固態繼電器以三只可控硅作為A、B、C三相的輸出開關觸點,有不同電流、電壓等級,能夠可靠、安全、方便地控制三相交流電機、加熱器等三相負載。
 如何選擇光藕繼電器
					
					如何選擇光藕繼電器
					如何選擇光藕繼電器 如何選擇光藕繼電器-光藕繼電器的選擇原則 。1)光藕繼電器的主要技術性能,如觸點負荷,動作時間參數,機械和電氣壽命等,應滿足整機系統的要求
 直流固態繼電器內部電路
					
					直流固態繼電器內部電路
					直流固態繼電器內部電路 固態繼電器內部電路G5NB-1ADC5的框圖如圖13-17所示。它主要由輸入電路,光耦合器,驅動電路,開關輸出電路和瞬態峰值抑制電路組成。 (1)輸入
 傳感器激活繼電器脈沖
					
					傳感器激活繼電器脈沖
					一個傳感器打開Q1來激活低頻555振蕩器,這會脈沖電燈I1。傳感器對于改變光線或者溫度是很敏感的。 :
 繼電器驅動保護電路設計
					
					繼電器驅動保護電路設計
					在開始選擇繼電器驅動的時候,習慣性選擇現有的集成芯片,比如NUD3126和NUD3124,沒有仔細想過為什么要選用它們,是否可以選擇分立的三極管或者達林頓管。這里做一些分析
 LM339設計的電子溫控器及繼電器
					
					LM339設計的電子溫控器及繼電器
					如圖所示是LM339設計的電子溫控器及繼電器電路的電路圖! ”倦娐肥且粋簡單的自動調溫器電路,可用于控制,通過繼電器觸點繼電器與供電的一個小空間加熱器。繼電器觸點的額定以上應為
 解析繼電器觸點5種保護方法(圖文)
					
					解析繼電器觸點5種保護方法(圖文)
					看到一張網上的圖描述觸點的接通時間的過程分析的,非常不錯,先放在這里。我們知道其實繼電器的觸點保護要比Mosfet更加殘酷,一般繼電器的負載要比Mosfet大很多。常見的直
 繼電器驅動電路中二極管保護電路及故障處理(圖文)
					
					繼電器驅動電路中二極管保護電路及故障處理(圖文)
					繼電器內部具有線圈的結構,所以它在斷電時會產生電壓很大的反向電動勢,會擊穿繼電器的驅動三極管,為此要在繼電器驅動電路中設置二極管保護電路,以保護繼電器驅動管。 如圖9-53
 降低繼電器線圈功耗的電路
					
					降低繼電器線圈功耗的電路
					這是一個RC電路,有個串聯線圈,可以控制滿流,使得繼電器可靠地工作,并降低電流,節約功耗! ∵@個電路的亮點是,只要加兩個最普通的元件,一個電阻和電容,就可以使繼電器線圈
 基于LM358的25kV高壓電源可控硅一繼電器過壓保護整體電路
					
					基于LM358的25kV高壓電源可控硅一繼電器過壓保護整體電路
					近年來,我國高壓電源行業市場銷售金額迅猛發展,高壓電源的生產質量也隨之提升,保護電路作為高壓電源的重要組成部,也因此擁有了廣闊的發展前景。保護電路能夠有效的保護內部電路,保護高壓電源及用電設備,延
 固態繼電器內部原理圖
					
					固態繼電器內部原理圖
					無
 固態繼電器接線圖
					
					固態繼電器接線圖
					無
 固態繼電器的工作原理
					
					固態繼電器的工作原理
					無
 時間繼電器種類及選型原則
					
					時間繼電器種類及選型原則
					無
 步進繼電器檢測方法
					
					步進繼電器檢測方法
					無
 三相固態繼電器的分類
					
					三相固態繼電器的分類
					無
 SSR固態繼電器的常見問題
					
					SSR固態繼電器的常見問題
					無