二、LVDS的工作原理
其源端驅動器由一個恒流源(通常約為3.5mA,最大不超過4mA)驅動一對差分信號線組成。接收端" />
二、LVDS的工作原理
其源端驅動器由一個恒流源(通常約為3.5mA,最大不超過4mA)驅動一對差分信號線組成。接收端的接收器本身為高直流輸入阻抗,所以幾乎全部的驅動電流都流經100Ω的終端匹配電阻,并在接收器輸入端產生約350mV的電壓。當源端驅動狀態反轉變化時,流經匹配電阻的電流方向改變,于是在接收端產生高低邏輯狀態的變化。
為適應共模電壓的在寬范圍內的變化,一般情況下,LVDS的接收器輸入級還包括一個自動電平調整電路,該電路將共模電壓調整為一固定值,其后面是一個Schmitt觸發器,而且,為防止Scdhmitt觸發器不穩定,設計有一定的回滯特性,Schmitt后級才是差分放大器。
容-源-電-子-網-為你提供技術支持本文地址:http://m.flswjt.cn/dz/21/16387932194439.shtml
本文標簽:
猜你感興趣:
液晶電視散熱采用軟性導熱硅膠片是不錯的選擇
導熱硅膠片是很好的導熱界面材料,因其特別柔軟,導熱硅膠片專為應用縫隙傳遞熱量的設計方案生產,能夠補充空隙完成發熱部位與散熱部位的熱傳遞,增加導熱面積同時還起到減震、絕緣、密封等效果,能夠滿意設備小型化、超薄化的設計要求,是非常具有工藝性和運用性的材料。因厚度多,選擇使用范圍廣,多使用于新能源、顯示器、計算機、LED照明、電源等電子職業,使用范圍十分寬廣。
關鍵詞: 所屬欄目:其他文章
介紹智能電視各接口功能
1、HDMI接口HDMI接口,即高清多媒體接口。目前市面上的智能電視一般都至少有2個HDMI接口,電視盒子一般有1個HDMI接口。它作為全數字化音視頻發送接口,可以發送未壓縮的音視
關鍵詞: 所屬欄目:家電維修
LM2808電視音響系統
一個LM2808用來擴大4.5MHz音頻,限制,檢測和音頻放大的中頻放大器。如果中心頻率必須被改變,L1/C4就會改變,音頻輸出是0.5W,R3是音量控制。 :
關鍵詞: 所屬欄目:音頻功放電路
CRT彩色電視機放映分立元件應用的電路圖
電視接收機地任務就是將接收到的電視信號轉變成黑白或者彩色圖像。它對電視信號可采用模擬或者數字處理方式。 :
關鍵詞: 所屬欄目:音頻功放電路
電視錄像轉換放大器電路原理圖
XS1,XS2是兩個75Ω電纜插口,XP是連接有0.5m長左右的75Ω同軸電纜直插頭。使用時插頭XP(OUT)插入電視機的天線插座里,錄像機射頻輸出插入XS1(VCR)里,電視天線插入插座XS2(VT)里。當雙刀開關S1,S2撥至位置
關鍵詞: 所屬欄目:音頻功放電路
采用TDA6107技術的彩色電視應用電路
TDA6103內含三組視頻輸出放大器,視頻帶寬達7.5MHZ,內設過熱保護、防CRT跳火保護,圖為TDA6103在長虹D2191機型上的應用。 TDA6103的(1)、(2)、(3)腳為R、G、B輸入腳,(7)、(8)、(9)腳為R、G、B
關鍵詞: 所屬欄目:音頻功放電路
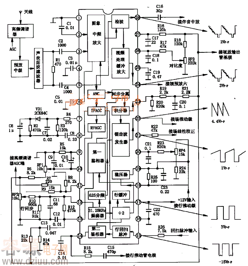
MC13007--單片電視小信號處理桌成電路圖
MCI3007是美國摩托羅拉(MOTOROLA)公司生產的、采用先進的氮化工藝和數字分頻技術的大規模單片集成電路。其內部包含了200個線性電路和200個邏輯門電路,可用來完成除伴音信號以外的所有小信號處理電路。它包括:中
關鍵詞: 所屬欄目:音頻功放電路
LCD電視LED區域背光的調光原理解析
現在CRT(陰級射線管)電視逐漸被LCD電視取代,同時,家庭購買數量也在穩步增長,如今美國平均每個家庭擁有2.4臺LCD電視,遠大于1990年每個家庭擁有1臺CRT電視的平均數。 雖
關鍵詞:LEDLED電路圖 所屬欄目:led
分享液晶電視維修技巧口訣
液晶電視電源主要由待機副電源、PFC(功率因數校正)電源、主電源、過壓過流過熱保護、開待機控制等電路組成,其輸出一般有24v、12V、5V等幾組電壓,由主板CPu控制其開/待
關鍵詞: 所屬欄目:家電維修
液晶電視邏輯板上五大電壓和階調查電壓的作用
一、邏輯板上五大電壓和階調查電壓的作用 1、VGH: Vgatehigh,是指gate級的高電位,也就是打開gate級的電壓。 2、VGL: Vgatelow,是gate級的低電位,也就是關閉gate級
關鍵詞: 所屬欄目:家電維修
LG液晶電視開機花屏重影字符殘缺故障維修
看圖片很多有經驗的同行應該就知道大致問題所在了,高手可以略過,細看圖片,圖像是長方形橫條式有規則花屏,很容易讓人想到是主板數據的問題,因為屏本身導致的故障一
關鍵詞: 所屬欄目:家電維修
電視機晶振類別哪些?
晶振是一種很常見的電子元件,通常出現在電路之中,特別是一些數碼、通訊產品、無線路由器,遙控器、電視等等一些設備。下面電路圖之家為大家解讀電視機上應用的5大晶振類別。 1、遙控器應
關鍵詞: 所屬欄目:元器件知識
液晶電視邏輯板維修五個關鍵測試點(圖文)
液晶電視邏輯板維修五個關鍵測試點
液晶屏驅動板(邏輯板)損壞后常見的故障有黑屏、白屏、灰屏、噪波點、負像、 豎帶、圖像太亮或太暗等。 在實際檢修中,因時序控
關鍵詞: 所屬欄目:家電維修
分享液晶電視液晶屏維修之點屏經驗
很多人在上門維修時,特別是26寸以上大液晶電視時,經常碰到液晶屏好壞無法確定的情況。現在為大家簡單的介紹一下自已點屏的方法(針對26-55寸大屏)。
一、硬件的準備
關鍵詞: 所屬欄目:家電維修
康佳液晶電視電源故障維修案例
一臺康佳LC32TS86C液晶電視,故障表現為有聲音無圖像( 黑屏),聽到有聲音估計主驅動板應沒問題,故障應在電源高壓板上,該機電源高壓板34008015 KIP+L100U03C1 直觀沒有明顯
關鍵詞: 所屬欄目:家電維修
介紹夏普液晶電視維修模式取消保護及強制啟動操作
關于夏普液晶電視維修模式進入方法及出荷設定、強制啟動的操作事宜。
夏普電視機有很全面保護功能,當電視機背光驅動電路、背光燈條、電源板、主板不良,T-CON板、LCD
關鍵詞: 所屬欄目:家電維修
海信TLM3277型液晶彩色電視機電路原理圖——電源電路
以下為海信TLM3277型液晶彩色電視機電路原理圖——電源電路,本電路僅供參考。需查看原圖請下載:海信TLM3277型液晶彩色電視機電路原理圖——電源電路.rar
關鍵詞: 所屬欄目:電路圖
LM386電視音頻放大器
該放大器用于探測電視音頻輸出信號,并將它放大,驅動耳機聽到聲音。它圍繞LM324四運放和LM386低功率音頻放大器設置。該電路采用低價駐極電介體麥克風作為輸出設備。 :
關鍵詞: 所屬欄目:音頻功放電路
MC13007--單片電視小信號處理集成電路圖
MCI3007是美國摩托羅拉(MOTOROLA)公司生產的、采用先進的氮化工藝和數字分頻技術的大規模單片集成電路。其內部包含了200個線性電路和200個邏輯門電路,可用來完成除伴音信號以外的所有小信號處理電路。它包括:中
關鍵詞: 所屬欄目:集成塊資料
智能液晶電視選擇技巧、選購智能液晶電視攻略
無
關鍵詞: 所屬欄目:其他文章