多諧振蕩器: 深度正反饋,通過阻容耦合使兩個電子器件交替導通與截止,從而自激產生方波輸出的振蕩器。常用作方波發生器。多諧振蕩器是一種能產生矩形波的自激振蕩器,也稱矩形波發生器。“多諧”指矩形波中除了基波成分外,還含有豐富的高次諧波成分。多諧振蕩器沒有穩態,只有兩個暫穩態。在工作時,電路的
深度正反饋,通過阻容耦合使兩個電子器件交替導通與截止,從而自激產生方波輸出的振蕩器。常用作方波發生器。多諧振蕩器是一種能產生矩形波的自激振蕩器,也稱矩形波發生器。“多諧”指矩形波中除了基波成分外,還含有豐富的高次諧波成分。多諧振蕩器沒有穩態,只有兩個暫穩態。在工作時,電路的 在這兩個暫穩態
在這兩個暫穩態 自動地交替變換,由此產生矩形波脈沖信號,常用作脈沖信號源及時序電路中的時鐘信號。《版權聲明:本文由m.flswjt.cn整理提供,部分內容來源于網絡,如有侵犯到你的權利請與我們聯系更正。》
自動地交替變換,由此產生矩形波脈沖信號,常用作脈沖信號源及時序電路中的時鐘信號。《版權聲明:本文由m.flswjt.cn整理提供,部分內容來源于網絡,如有侵犯到你的權利請與我們聯系更正。》
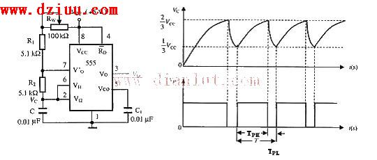
多諧振蕩器的電路圖和波形圖如圖6-4 。電源接通后,Vcc通過電阻R1、R2向電容C充電。當電容上電vC=2/3Vcc時,閥值輸入端⑥受到觸發,比較器C1翻轉,輸出電壓Vo=0,
。電源接通后,Vcc通過電阻R1、R2向電容C充電。當電容上電vC=2/3Vcc時,閥值輸入端⑥受到觸發,比較器C1翻轉,輸出電壓Vo=0, 放電管T導通,電容C通過R2放電;當電容上電壓Vc=1/3Vcc,比較器C2工作,輸出電壓Vo變為高電平。C放電終止、又重新開始充電,周而復始,形成振蕩。《版權聲明:本文由m.flswjt.cn整理提供,部分內容來源于網絡,如有侵犯到你的權利請與我們聯系更正。》
放電管T導通,電容C通過R2放電;當電容上電壓Vc=1/3Vcc,比較器C2工作,輸出電壓Vo變為高電平。C放電終止、又重新開始充電,周而復始,形成振蕩。《版權聲明:本文由m.flswjt.cn整理提供,部分內容來源于網絡,如有侵犯到你的權利請與我們聯系更正。》
由分析可知:
a)電路的振蕩周期T、占空系數D,僅與外接元件R1、R2和C有關,不受電源電壓變化的影響。
b)改變R1、R2, 改變占空系數,其值可在較大范圍內調節。
改變占空系數,其值可在較大范圍內調節。
c)改變C的值,可單獨改變周期,而不影響占空系數。 ,復位端④也可輸入1個控制信號。復位端④為低電平時,電路停振。《版權聲明:本文由m.flswjt.cn整理提供,部分內容來源于網絡,如有侵犯到你的權利請與我們聯系更正。》
,復位端④也可輸入1個控制信號。復位端④為低電平時,電路停振。《版權聲明:本文由m.flswjt.cn整理提供,部分內容來源于網絡,如有侵犯到你的權利請與我們聯系更正。》
 《版權聲明:本文由m.flswjt.cn整理提供,部分內容來源于網絡,如有侵犯到你的權利請與我們聯系更正。》
《版權聲明:本文由m.flswjt.cn整理提供,部分內容來源于網絡,如有侵犯到你的權利請與我們聯系更正。》
本文地址:http://m.flswjt.cn/dz/21/2011827204704.shtml
本文標簽:
猜你感興趣:
 可編程展頻振蕩器 YSO171PS系列
					
					可編程展頻振蕩器 YSO171PS系列
					
						展頻晶振(Spread Spectrum Crystal Oscillator,簡稱SSXO)應運而生。展頻晶振是一種特殊類型的晶體振蕩器,主要依托于擴展頻譜技術。這項技術在抗干擾通信中有著廣泛的應用
關鍵詞:   所屬欄目:電子基礎
					
 選擇石英晶振時如何逐步確定參數和類型
					
					選擇石英晶振時如何逐步確定參數和類型
					
						常見的設備頻率參數都在10MHZ到100MHZ之間,還有要確定下是否使用到低頻晶體等。確定晶振參數時要考慮到具體的應用需求,同時核對晶振封裝上的參數標注,確保購買的晶振參數符合我們的要求。
關鍵詞:   所屬欄目:電子基礎
					
 差分晶振在實際應用中有哪些優勢
					
					差分晶振在實際應用中有哪些優勢
					
						目前,差分晶振已應用于衛星、火箭等領域。可在通信、導航、汽車、航空航天、國防、工業、電信、消費市場、、固定通信、消費電子、汽車電子、物聯網、手機、對講機、GPS/北斗定位器、汽車電子系統、倒車雷達、小基站、LTE、RFID、激光測距儀、筆記本、平板電腦、數碼套群通信系統、儀器儀表等諸多領域推廣應用。
關鍵詞:   所屬欄目:電子基礎
					
 高精準360°全景環視機器人 穩定的寬電壓有源晶振 YSO
					
					高精準360°全景環視機器人 穩定的寬電壓有源晶振 YSO
					
						YSO110TR采用主流封裝尺寸3.2*2.5mm,供應穩定,性價比高,使其在智能機器人的集成和布局上更加便捷。同時,它具備寬電壓范圍1.8V-3.3V
關鍵詞:   所屬欄目:電子基礎
					
 如何在有源晶振十大品牌內按需選擇
					
					如何在有源晶振十大品牌內按需選擇
					
						在挑選和購買有源晶振時自然要重視品牌的選擇,因此不少用戶都是在有源晶振十大品牌內對比和挑選。
關鍵詞:   所屬欄目:電子基礎
					
 選晶振時該如何判斷品質好壞
					
					選晶振時該如何判斷品質好壞
					
						晶振作為重要的電子元器件芯片在很多方面都有應用,當批量購買晶振時自然不能只關注其價格,尤其是在對比預算內的晶振產品時要重視其品質。
關鍵詞:   所屬欄目:電子基礎
					
 溫度補償晶振也是石英晶體振蕩器之一,簡稱“溫補晶振
					
					溫度補償晶振也是石英晶體振蕩器之一,簡稱“溫補晶振
					
						TCXO溫度補償石英晶體振蕩器是一種通過附加的溫度補償電路來減小因環境溫度變化而引起的振蕩頻率變化的石英晶體振蕩器。
關鍵詞:   所屬欄目:電子基礎
					
 高精度保障 智能機器人的“心臟”:寬電壓有源晶振YSO
					
					高精度保障 智能機器人的“心臟”:寬電壓有源晶振YSO
					
						寬電壓有源晶振 YSO110TR的優勢在于其高精度和穩定性。擁有8MHz的頻率輸出,全溫范圍內總頻差僅為±30PPM,YSO110TR保證了機器人系統的高精度控制和穩定運行。無論在-40~+85℃的嚴苛溫度環境下,晶振都能保持穩定的性能,為智能機器人的高精度運動和計算提供可靠的時鐘信號。
關鍵詞:   所屬欄目:電子基礎
					
 分享 | 可編程晶振芯片幾個知識點
					
					分享 | 可編程晶振芯片幾個知識點
					
						什么是可編程晶振?可編程晶振多為有源晶振,由兩個芯片組成;一個是全硅MEMS諧振器,一個是具有溫補功能的芯片,可以啟動電路鎖相環CMOS。它采用標準化的半導體芯片MCM封裝。可以采用全自動標準半導體制造工藝
關鍵詞:   所屬欄目:電子基礎
					
 溫補晶振的5種分類大家要知道
					
					溫補晶振的5種分類大家要知道
					
						對于溫補晶振分類有溫度補償晶體振蕩器、壓控晶體振蕩器、恒溫晶體振蕩器和數字補償晶體振蕩器,這些都是溫補晶振分類,尤其是每一種都有自己獨特的性能。
關鍵詞:   所屬欄目:電子基礎
					
 手機車載互聯-有源晶振YSO120TK穩定連接未來
					
					手機車載互聯-有源晶振YSO120TK穩定連接未來
					
						YSO120TK采用3225 4P主流封裝尺寸,小型化的設計使其在汽車內部布局更加靈活。無論是嵌入式控制器還是車載通信模塊,YSO120TK都能為其提供可靠的時鐘源,為手機車載互聯的順暢體驗提供強有力的支持。
關鍵詞:   所屬欄目:電子基礎
					
 溫補晶振有什么特性呢
					
					溫補晶振有什么特性呢
					
						其實對于溫補晶振特點都是需要了解其特性的。溫度補償晶體振蕩器是一種石英晶體振蕩器,它通過加入溫度補償電路來減小環境溫度變化引起的振蕩頻率的變化。具有溫度補償功能的石英晶體振蕩器可分為三類:直接補償、間接補償和數字補償。
關鍵詞:   所屬欄目:電子基礎
					
 高頻靈活定制-存儲與計算 可編程差分振蕩器YSO210PR應
					
					高頻靈活定制-存儲與計算 可編程差分振蕩器YSO210PR應
					
						可編程差分振蕩器 YSO210PR在機器人的智能視覺控制、工業屏、望遠鏡等領域具有顯著優勢。其高精度、穩定性和靈活的定制特性使得YSO210PR成為了機器人應用中不可或缺的元器件,為機器人技術的發展和應用提供了強有力的支持。
關鍵詞:   所屬欄目:電子基礎
					
 溫補晶振是干什么的?這些知識要知道
					
					溫補晶振是干什么的?這些知識要知道
					
						溫補晶振在無線傳輸的應用中,無線透明傳輸模塊以體積小、功耗低為重要發展指標。在正常工作條件下,常見的晶振頻率的精度可以達到百萬分之五十,而溫補晶振的精度更高。溫度補償晶振由恒溫槽控制電路和振蕩電路組成。通常用熱敏電阻“橋”組成的差分串聯放大器來實現溫度控制。
關鍵詞:   所屬欄目:電子基礎
					
 智能終端通信利器:低抖動YSO690PR可編程天線完美融合
					
					智能終端通信利器:低抖動YSO690PR可編程天線完美融合
					
						在通信科技的推動下,智能終端天線和低抖動晶振不斷創新,將引領通信產業進入新的時代。YSO690PR系列作為高性能智能終端通信利器,將為各類智能終端設備提供更加穩定和高效的通信支持,推動科技的蓬勃發展。無論是日常生活還是工業應用,這些優秀的技術將為人們帶來更加便捷、智能的通信體驗。
關鍵詞:   所屬欄目:電子基礎
					
 使用差分晶振有什么好處呢?
					
					使用差分晶振有什么好處呢?
					
						其實對于差分晶振的好處有很多,比如差分晶振可以外部電磁干擾(EMI)具有很高的免疫力。一個干擾源對差分信號的每一端的影響程度幾乎相同。由于電壓差決定了信號的值,兩條導線上的任何干擾都將被忽略。除了較不敏感的干擾之外,差分信號比單端信號產生更少的EMI,這是在工業生產中比較常見的。
關鍵詞:   所屬欄目:電子基礎
					
 YXC有源晶振為功放音響提供時鐘方案
					
					YXC有源晶振為功放音響提供時鐘方案
					
						在功放音響設備中,晶振作為關鍵的元件,對于電路的穩定性和性能發揮起著至關重要的作用。然而,不正確使用晶振可能導致一系列問題,如播放雜音等,因此對其進行優化十分重要。
關鍵詞:   所屬欄目:電子基礎
					
 YXC晶振解決方案AI服務器中的應用
					
					YXC晶振解決方案AI服務器中的應用
					
						目前,應用在AI服務器中的振蕩器主要為差分晶振。主要是因為,相比單端輸出振蕩器,差分晶振可以產生高質量的差分時鐘信號,對共模干擾和噪聲具有較強的抵抗能力,能提供大幅度和高頻率的時鐘信號,適合驅動長線路,這些特點很好地滿足AI服務器對穩定高性能運行的要求,所以AI服務器選用差分晶振作為其基準時鐘信號源是十分合理的選擇。
關鍵詞:   所屬欄目:電子基礎
					
 工業相機YSO230LR差分定頻晶振助力數據采集與傳輸
					
					工業相機YSO230LR差分定頻晶振助力數據采集與傳輸
					
						YSO230LR差分定頻晶振是工業相機領域的必選之選。其高頻差分輸出、超低相噪、小體積封裝、寬溫范圍和寬電壓范圍等特點,使其廣泛應用于工業相機、PTTR網關、工業挖礦機、拼接屏/商業屏、10 GB以太網、SONET、SATA、SAS、光纖通道、板卡、網絡防火墻、硬盤等應用領域。YSO230LR差分定頻晶振將為工業相機的數據采集和傳輸提供穩定可靠的技術支持,助力工業相機行業持續創新和發展。
關鍵詞:   所屬欄目:電子基礎
					
 可見光紅外模塊性能:低抖動石英可編程晶振QMEMS振蕩器
					
					可見光紅外模塊性能:低抖動石英可編程晶振QMEMS振蕩器
					
						​YSO690PR穩定可靠的低抖動石英可編程晶振,確保可見光紅外模塊應用在各種環境和條件下都能提供出色的性能和精確的頻率輸出。讓QMEMS振蕩器YSO690PR成為交換機、對講機、充電樁、打印機等行業的理想選擇!
關鍵詞:   所屬欄目:電子基礎