A,LTH7貼片5腳充電芯片 PW4054 單節的鋰電池保護電路 單節為3.7V鋰電池(也叫4.2V)和3.8V鋰電池(也叫4.35V) 單節的鋰電池充電電路 4.2V的LTH7芯" />



 
4, 1-3節鋰電池的充放電芯片表   (幾十個芯片分類圖)
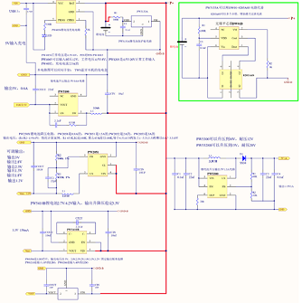
5,單節鋰電池保護電路+鋰電池充電電路+鋰電池輸出電路原理圖:
包含:
鋰電池保護板電路:PW3133A,DW01+PW8205A6S
鋰電池充電電路:PW4054
鋰電池升壓輸出電路:PW5100,PW5300
鋰電池降壓輸出電路:PW2051,PW2052,PW2053,PW2058
鋰電池LDO輸出電路:PW6566
 
非常感謝用戶kuakewei 的投稿!
本文地址:http://m.flswjt.cn/Components/16085391114137.shtml
本文標簽:
猜你感興趣:
 PL7501C 雙節鋰電池充電管理芯片
					
					PL7501C 雙節鋰電池充電管理芯片
					
						
關鍵詞:   所屬欄目:元器件知識
					
 PL7501CL 雙節鋰電池充電管理芯片
					
					PL7501CL 雙節鋰電池充電管理芯片
					
						
關鍵詞:   所屬欄目:元器件知識
					
 PL7152 雙節可充電鋰電池保護電路
					
					PL7152 雙節可充電鋰電池保護電路
					
						
關鍵詞:   所屬欄目:元器件知識
					
 PL7022/B 雙節可充電鋰電池保護電路
					
					PL7022/B 雙節可充電鋰電池保護電路
					
						
關鍵詞:   所屬欄目:元器件知識
					
 JD6621 快速充電協議,USB-PD 3.0與PPS控制器
					
					JD6621 快速充電協議,USB-PD 3.0與PPS控制器
					
						
關鍵詞:   所屬欄目:元器件知識
					
 FP6601AA USB Type-A 快速充電協議控制器
					
					FP6601AA USB Type-A 快速充電協議控制器
					
						
關鍵詞:   所屬欄目:元器件知識
					
 FP6606C USB類型-C和PD充電控制器
					
					FP6606C USB類型-C和PD充電控制器
					
						
關鍵詞:   所屬欄目:元器件知識
					
 FP6601Q QC2.0/3.0快速充電芯片
					
					FP6601Q QC2.0/3.0快速充電芯片
					
						
關鍵詞:   所屬欄目:元器件知識
					
 FP6606AC USB雙端口充電控制器
					
					FP6606AC USB雙端口充電控制器
					
						
關鍵詞:   所屬欄目:元器件知識
					
 PL513/PL515 單/雙口 USB 充電協議端口控制器
					
					PL513/PL515 單/雙口 USB 充電協議端口控制器
					
						
關鍵詞:   所屬欄目:元器件知識
					
 YSX530GA高可靠性陶瓷晶體助力歐標充電樁性能提升
					
					YSX530GA高可靠性陶瓷晶體助力歐標充電樁性能提升
					
						​隨著新能源車輛的普及,充電基礎設施的建設也日益發展。新能源充電樁行業中,穩定的頻率控制和精準的信號輸出對于充電設備的性能和可靠性至關重要。為滿足這一需求,XG1SI-111-13.56M陶瓷晶體YSX530GA,為歐標充電槍的穩定工作提供了可靠保障。
關鍵詞:   所屬欄目:元器件知識
					
 M12266 Type-C輸入3-6節鋰電池同口充放電管理移動電源
					
					M12266 Type-C輸入3-6節鋰電池同口充放電管理移動電源
					
						深圳市永阜康科技有限公司現在大力推廣一顆內置PD3.0/QC3.0等主流快充協議、3-6多節鋰電池移動電源雙向100W快充IC-M12266,配合極簡的外圍電路,即可實現常見便攜電子設備的Type-C快充需求。
關鍵詞:   所屬欄目:電源電路
					
 IU5207/IU5208  Type-C輸入升壓型2/3節鋰電池快充IC解
					
					IU5207/IU5208  Type-C輸入升壓型2/3節鋰電池快充IC解
					
						針對2/3節鋰電池供電的電子設備,最好的方式是采用通用Type-C接口充電,這樣就可以通用Type-C的充電器,便攜式移動電子設備出廠時搭配一根充電線就完美的解決上述應用的困擾,節省終端產品整機成本,避免材料的浪費。深圳市永阜康科技有限公司推出針對2/3節鋰電池充電應用,大力推廣Type-C輸入升壓型2/3節鋰電池快充IC系列-IU5207/IU5208,芯片極具性價比,應用簡單。
關鍵詞:   所屬欄目:電源電路
					
 TP4055 500mA 線性鋰離子電池充電器
					
					TP4055 500mA 線性鋰離子電池充電器
					
						描述
TP4055 是一款完整的單節鋰離子電池充電器,帶電池正負極反接保護,采用恒定
電流/恒定電壓線性控制。其 SOT 封裝與較少的外部元件數目使得 TP4055 成為便攜式應用的理想選擇。TP4055 可以適合 USB 電源和適配器電源工作。
由于采用了內部 PMOSFET 架構,加上防倒充電路,所以不需要外部檢測電阻器和
隔離二極管。熱反饋可對充電電流進行自動調節,以便在大功率操作或高環境溫度條件下對芯片溫度加以限制。充滿電壓固定于 4.2V,而充電電流可通過一個電阻器進行外部設置。當電池達
關鍵詞:   所屬欄目:集成塊資料
					
 TP4054 線性鋰離子電池充電器
					
					TP4054 線性鋰離子電池充電器
					
						概述
TP4054 是一款完整的單節鋰離子電池采用恒定電流/恒定電壓線性充電器。其 SOT
封裝與較少的外部元件數目使得 TP4054 成為便攜式應用的理想選擇。TP4054 可以適合USB 電源和適配器電源工作。
由于采用了內部 PMOSFET 架構,加上防倒充電路,所以不需要外部檢測電阻器和
隔離二極管。熱反饋可對充電電流進行調節,以便在大功率操作或高環境溫度條件下對芯片溫度加以限制。充電電壓固定于 4.2V,而充電電流可通過一個電阻器進行外部設置。當充電電流在達到最終浮充電壓之后降至設定值
關鍵詞:   所屬欄目:集成塊資料
					
 鋰電池、鉛酸電池供電的戶外藍牙音箱如何選擇合適的升
					
					鋰電池、鉛酸電池供電的戶外藍牙音箱如何選擇合適的升
					
						深圳市永阜康科技有限公司一直致力音頻領域芯片的推廣,總結市場應用痛點,現推薦一套升壓+功放IC搭配應用組合,涵蓋20-60W單雙聲道的應用。升壓芯片、功放芯片系列管腳兼容,實現同一PCB,不同功率要求無縫切換,避免重復開發工作,縮短項目周期。
關鍵詞:   所屬欄目:音頻功放電路
					
 M12229  雙節串聯鋰電池充放電管理的35W移動電源雙向快
					
					M12229  雙節串聯鋰電池充放電管理的35W移動電源雙向快
					
						現在市場上一般采用升降壓型充電管理芯片+快充協議芯片來實現,應用設計及外圍比較復雜。深圳市永阜康科技有限公司現在大力推廣一顆內置PD3.0/QC3.0快充協議升降壓型35W兩節鋰電充放電SOC芯片-M12229,輸入電壓3.3V-20V,最大充電電流5A,最大輸入/輸出功率35W,適用于雙節串聯大容量鋰電池的快速充電場合。
關鍵詞:   所屬欄目:電源電路
					
 IU5302 充滿轉燈截止電壓可調的2A單節磷酸鐵鋰電池/鋰
					
					IU5302 充滿轉燈截止電壓可調的2A單節磷酸鐵鋰電池/鋰
					
						現在市場上常見的充電芯片,恒壓充電電壓(俗稱轉燈電壓、充滿截止電壓等)一般是固定的。如鋰電池的充電管理芯片一般為4.2V,磷酸鐵鋰電池的充電芯片一般為3.6V,無法滿足各種不同類型電池的充電應用。深圳市永阜康科技有限公司總結充電管理芯片的應用痛點,大力推廣一款2A同步降壓型充電管理IC-IU5302,恒壓充電電壓可調(2V-5V)、可以滿足單節磷酸鐵鋰電池、鋰電池及其它類型電池的充電需求。
關鍵詞:   所屬欄目:電源電路
					
 M3033 內置PD2.0/QC2.0快充協議2-7串多節升降壓鋰電充
					
					M3033 內置PD2.0/QC2.0快充協議2-7串多節升降壓鋰電充
					
						深圳市永阜康科技有限公司現在大力推廣成都水芯電子的一顆內置PD2.0/QC2.0等快充協議多節100W升降壓鋰電充電管理芯片M3033,可支持2-7串鋰電快速充電,滿足多串大容量鋰電池組應用場合。高度集成的芯片設計,可以做成很小體積的成品,應用簡單,直接使用Type-C充電,無需專用充電器、避免資源浪費。
關鍵詞:   所屬欄目:電源電路
					
 28V 高壓線性充電管理芯片 ZCC3221
					
					28V 高壓線性充電管理芯片 ZCC3221
					
						描述:
ZCC3221 是一款單節鋰離子電池恒流/恒壓線性充電器,采用底部帶散熱片的SOP8封裝以及簡單的外部應用電路,非常適合便攜式設備應用,適合USB電源和適配器電源工作,
關鍵詞:   所屬欄目:電子器材